2. melléklet
a 11/2013. (III. 21.) NGM rendelethez
Műszaki Biztonsági Szabályzat
1. A Műszaki Biztonsági Szabályzat alkalmazási területe
A gáz csatlakozó vezetékek és felhasználói berendezések Műszaki Biztonsági Szabályzat (a továbbiakban: Szabályzat) a rendeletben meghatározott követelmények teljesítését elősegítő, a rendelet hatálya alá tartozó berendezések, technológiák létesítésének, használatbavételének, üzemeltetésének, átalakításának, javításának, áthelyezésének, felülvizsgálatának, megszüntetésének műszaki biztonsági feltételeit és módját tartalmazó műszaki előírások gyűjteménye.
2. Fogalommeghatározások
2.1. Általános fogalommeghatározások
1. Almérő: olyan gázmérő, amely a joghatással járó elszámolási mérő által mért gázfogyasztások vagy gázfogyasztó készülékek gázfogyasztásának egymás közötti megosztására szolgál.
2. Áramlásbiztosító: a gázfogyasztó készülék égéstermék-elvezető részeinek az a szerkezeti eleme, amely a huzatváltozásnak és a visszaáramlásnak az égő működésére és az égésre gyakorolt hatását csökkenti.
3. Áramláskorlátozó: olyan szerelvény, amely a gyártója által meghatározott térfogatáramú gázáramlást meghaladó mértékű áramlás esetében automatikusan zárja a gáz útját.
4. Átfolyó rendszerű vízmelegítő: olyan gázfogyasztó készülék, amelyben a víz melegítése közvetlenül a kifolyástól függ.
5. Átjáró: építményen átvezető, személyi közlekedésre szolgáló tér.
6. Azonos működési elvű gázkészülék: az MSZ CEN/TR 1749 [A gázkészülékeknek az égéstermék-elvezetés módja szerinti osztályozási rendszere] szabványban megfogalmazott azonos („A”, „B” vagy „C” típusokon belül) indexbeli számokkal jelzett gázfogyasztó készülékek.
7. Belső fekvésű helyiség: homlokzati nyílászáró nélküli helyiség.
8. Biztonsági értékelés: a csatlakozó vezeték és felhasználói berendezés üzemeltetése során várható károsodások meghatározása, figyelembe véve a környezetnek, a mechanikai igénybevételeknek és az üzemeltetési körülményeknek a csatlakozó vezetékre és felhasználói berendezésre (beleértve a fogyasztói vezetéket, gázfogyasztó készüléket és működéséhez szükséges tartozékokat, égéstermék-elvezetőket, a kéményt, stb.) gyakorolt hatását.
9. Biztonsági gyorszár: olyan segédenergia nélkül működő mechanikus biztonsági berendezés, amely önműködően megszünteti a gáz áramlását, ha az általa védett rendszerben nem megengedett nyomást észlel. Csak kézi beavatkozással nyitható. Az alsó zárási határú gyorszár a beállított nyomástartomány alsó határán, a felső zárási határú gyorszár a felső határán zár.
10. Biztonsági lefúvató berendezés: olyan segédenergia nélkül működő szerelvény, amely ha az általa védett rendszerben valamely beállított értéknél nagyobb nyomást észlel, akkor nyit, és a beállítottnál nagyobb nyomásnak megfelelő gáztömeget a külső térbe engedi mindaddig, amíg a védett rendszerben a nyomás a megengedett értékre nem csökken.
11. Csúcsfedező gáz (PSG): a földgáz-fogyasztásban keletkező csúcsok letörésére alkalmazott, a szintetikus földgáz (SNG) és a vezetékes földgáz olyan arányú keveréke, amelynek tüzeléstechnikai jellemzői megközelítően megegyeznek a közszolgáltatású földgáz paramétereivel.
12. Égés: olyan kémiai reakció, amelynek során az éghető gáz a levegő oxigénjével (exoterm) hőtermelő reakcióba lép.
13. Égésbiztosító: olyan berendezés, amely a lángőr jelére a gáz hozzávezetést nyitva tartja, és azt az ellenőrzött láng hiánya esetén lezárja.
14. Égéstermék: a tüzelőanyagok elégetésekor keletkező (gáznemű, folyékony vagy szilárd összetevőjű) termék.
15. Égési levegő: az egységnyi gáztérfogat elégéséhez szükséges levegőmennyiség.
16. Égéstermék elvezető berendezés: olyan héjból vagy héjakból álló szerkezet, amely egy vagy több járatot képez, és a gáztüzelő berendezésben keletkezett égésterméket a szabadba vezeti.
17. Égő (gázégő): olyan berendezés, amely lehetővé teszi a gáz elégetését.
18. Egyedi nyomásszabályozó állomás: a nem közterületen elhelyezett nagyobb, mint 40 m3/h, de legfeljebb 200 m3/h térfogatáramnál, segédenergia nélkül működő fogyasztói nyomásszabályozó.
19. Földgázelosztó: az a természetes vagy jogi személy vagy jogi személyiséggel nem rendelkező szervezet, aki/amely a Magyar Energia Hivatal által kiadott hatályos engedéllyel rendelkezik.
20. Földgázelosztói és pébégáz forgalmazói nyilatkozat: a területileg illetékes földgázelosztó vagy pébégáz forgalmazó olyan nyilatkozata, amely szerint a csatlakozóvezeték és a felhasználói berendezés felülvizsgálatra benyújtott tervdokumentációját tervező felelősségének megtartása mellett, műszaki biztonsági szempontból kivitelezésre alkalmasnak nyilvánítja.
21. EPH: egyen-potenciálra hozó vezetékrendszer; az a vezetékrendszer, amely a védővezetőt igénylő érintésvédelemmel ellátott gázfogyasztó készülékek testét, a házi fémhálózatokat, valamint az önállóan is számottevően földelt fémtárgyakat – közvetlenül vagy közvetve – villamosan hatásosan összeköti.
22. Felhagyás: a csatlakozó vezeték és a felhasználói berendezés végleges használaton kívül helyezése, elbontása, beleértve a pébégáz forgalmazó által végzett pébé-tartály felállítási helyéről történő elbontást, elszállítását – de legalább a felállítási helyén történő gázmentesítését – és a telepítési helyszín helyreállítását is.
23. Fogyasztói nyomásszabályozó: az a készülék, amely az elosztóvezetéken érkező gáz nyomását a fogyasztóval kötött szerződésben vagy szabványban meghatározott mértékre csökkenti, és közel állandó értéken tartja.
24. Főhelyiség: az önálló rendeltetési egység rendeltetése szempontjából meghatározó (mellékhelyiségnek nem minősülő) helyiség.
25. Fűtőérték: az a hőmennyiség, amely egységnyi mennyiségű gáznak levegőben való elégetése során felszabadul, feltéve, hogy a p1 nyomás – amelyen a reakció végbemegy – állandó, és az összes égéstermék ugyanarra a t1 hőmérsékletre van hűtve, azaz a reagáló anyagok megadott hőmérsékletére; az összes termék gáz halmazállapotú.
26. Gázégő (automatikus): automatikus gyújtással, lángőrzéssel, ellenőrző és szabályzókészülékkel ellátott égő, a gyújtás az égő be és kikapcsolása a kezelőszemélyzet beavatkozása nélkül megy végbe.
27. Gázérzékelő és beavatkozó készülék vagy berendezés: a helyiség és/vagy létesítmény légterében éghető gáz (gőz) jelzésére és a védelmi rendszer beavatkozó szervének vezérlésére alkalmas készülék.
28. Gázfogyasztó készülék: földgázzal, valamint propán- vagy bután gázzal, és ezek elegyeivel üzemeltetett készülék.
a) „A” típusú gázfogyasztó készülék: amely kéményhez, illetve az égésterméket a készülék felállítási helyiségéből a szabadba elvezető rendszerhez nem csatlakoztatható [MSZ CEN/TR 1749 A gázkészülékeknek az égéstermék-elvezetés módja szerinti osztályozási rendszere].
b) „B” típusú gázfogyasztó készülék: amely kéményhez vagy az égésterméket a készülék felállítási helyiségéből a szabadba elvezető berendezéshez való csatlakozásra alkalmas. E készülékek az égési levegőt közvetlenül a készülék felállítási helyiségéből nyerik [MSZ CEN/TR 1749 A gázkészülékeknek az égéstermék-elvezetés módja szerinti osztályozási rendszere].
c) „C” típusú gázfogyasztó készülék: amelynek égési köre (légbevezetője, tűztere, hőcserélője, égéstermék-elvezető tere) a készülék felállítási helyiségétől elzárt [MSZ CEN/TR 1749 A gázkészülékeknek az égéstermék-elvezetés módja szerinti osztályozási rendszere].
29. Gázkonnektor: a fogyasztói vezeték olyan kapcsoló eleme, mely hajlékony csővel úgy kapcsolja össze a gázfogyasztó készüléket a fogyasztói vezeték rögzített szakaszával, hogy az egyszerű kézi mozdulattal szét- és összekapcsolást tesz lehetővé anélkül, hogy szétkapcsolás következtében a csőben lévő gáz a környezetbe kerülne.
30. Gázmérő: olyan mérőeszköz, amelyet a rajta átáramló fűtőgáz mennyiségének (térfogatának vagy tömegének) mérésére, tárolására és kijelzésére terveztek.
31. Gázmérő nyomásszabályozó: a gázmérő elé, annak kötésébe szerelt nyomásszabályozó.
32. Gáztechnikai normál állapot értékei száraz levegőre és gázra:
a) Nyomás: Pn = 1013,25 mbar,
b) Hőmérséklet: Tn = 288,15 K (tn = 15 °C).
33. Gáznyomás-szabályozó: segédenergia nélkül működő készülék, amelynek feladata a rajta átáramló gáz nyomásának meghatározott értékre csökkentése és tűréshatárok között tartása a zavaró változóktól (bemenő-nyomás változásától és az elvétel változó térfogatáramától) függetlenül.
34. Gáznyomás-szabályozó pontossága: a szabályozás minőségére utaló jellemző, a működési tartományon belül a pozitív vagy negatív szabályozási eltérés legnagyobb abszolút értékének az átlaga a névleges kimenő nyomás százalékában kifejezve.
35. Gázszivárgás: a gáz csatlakozó vezetéken és/vagy felhasználói berendezésen, szerelvényen, gázfogyasztó készüléken tömörtelenség, sérülés, esetleg a technológiai fegyelem megsértése következtében szivárgó gáz.
36. Gázterhelés: az a gáztérfogat, amely a gázfogyasztó készülék folyamatos üzeme során időegység alatt a készülékbe áramlik ([m3/h]; [m3/s]).
37. Hajlékony vezeték: a gázfogyasztó készülék korlátozott elmozdíthatóságát a vezeték megbontása nélkül lehetővé tévő fogyasztói vezeték szakasz.
38. Hajlítható vezeték: a fogyasztói vezeték azon szakasza, mely rendeltetésszerűen a gázfogyasztó készülék feszültség-, elcsavarodásmentes bekötésére szolgál.
39. Hasadó és hasadó-nyíló felületek: olyan felületek, amelyek az építmények vagy az építményrészek (helyiségek) határoló szerkezeteiben a káros mértékű robbanási túlnyomás hatására tönkremennek vagy megnyílnak, ezáltal lehetővé téve a nyomás elvezetését.
40. Hasadó felületek: olyan felületek, amelyek tönkremenetelükkel lehetővé teszik a belső tér megnyitását a túlnyomás levezetése céljából.
41. Hasadó-nyíló felületek: olyan felületek, amelyek megnyílással, elfordulással, billenéssel lehetővé teszik a túlnyomás levezetését, és megnyílási nyomásuk beállítható.
42. Hatékony szellőztetés: ahol az adott térben a szellőzés biztosítja, hogy az éghető gázok, gőzök, porok koncentrációja ne érje el az alsó robbanási határérték 20%-át.
43. Házi fémhálózat: épületen belüli, minden villamosan összefüggő jól vezető – minden olyan fémszerkezet, amelynek elemei egymáshoz fémesen kapcsolódnak – fémszerkezet, amelynek mérete függőleges irányban 5 m-nél nagyobb. Nem minősül házi fémhálózatnak a lépcső, a függőfolyosó- és az erkélykorlát, valamint a zászlótartó rúd abban az esetben sem, ha méretei az említett határértéket meghaladják. Házi fémhálózatnak kell tekinteni a víz, gáz, központi fűtés villamosan összefüggő jól vezető fémcsőhálózatát vagy villamosan összefüggő jól vezető fém épületszerkezet.
44. Házi nyomásszabályozó: nem közterületen elhelyezett, legfeljebb 16 bar bemenő nyomású és legfeljebb 40 m3/h térfogatáramú, segédenergia nélkül működő fogyasztói nyomásszabályozó.
45. Helyiség: rendeltetésének megfelelően épületszerkezettel minden irányból körülhatárolt zárt tér.
46. Homlokzat: az építménynek a nézőpont felé eső legkülső pontjára illesztett függőleges felületre vetített terepcsatlakozása felett látható része.
47. Hőre záró elem: olyan szerkezet, amely 95 °C feletti környezeti hőmérsékleten önműködően lezárja a gáz útját.
48. Hőteljesítmény (névleges): a készülék gyártója által megadott névleges leadott teljesítmény [kW].
49. Hőterhelés: az az energiaáram, amely a gázfogyasztó készülék folyamatos üzeme során a készülékbe áramlik [kW].
50. Huzamos tartózkodásra szolgáló helyiség: amelynek használata folyamatosan két óra időtartamot meghaladó vagy amelynél a használatok közötti szünet időtartama a két órát nem éri el (például lakószoba, nevelő-oktató helyiség, étterem).
51. Ipari nyomásszabályozó állomás: az olyan nyomásszabályozó állomás, amelynek gáz térfogatárama nagyobb, mint 200 m3/h.
52. Javítás: a létesítéskor hatályos jogszabály szerint átvett és üzembe helyezett csatlakozó vezetéken felhasználói berendezésen végzett nem tervköteles tevékenység, melynek célja az eredeti állapot helyreállítása.
53. Karbantartás: a csatlakozó vezeték és a felhasználói berendezés eredeti állapotának és állagának fenntartását célzó, legalább a gyártói és tervezői előírásokon alapuló, ajánlottan vagy kötelezően végzendő, tervszerű tevékenység.
54. Kerülő vezeték: az a vezetékszakasz, amely lehetővé teszi a gázvezetékbe épített biztonsági feladatokat ellátó berendezések átmeneti kiiktatásával a gázfogyasztó készülék üzemeltetését.
55. Készülék elzáró szerelvény: a fogyasztói vezetékbe, a gázfogyasztó készülék elé – áramlási irányban a gázfogyasztó készülék rendeltetésszerű használatához szükséges szerelvények (a berendezés összes tüzelőanyag szabályozója előtt elhelyezkedő) elé – beépített kézi működtetésű záró szerelvény, amellyel a berendezés tüzelőanyag ellátása elzárható.
56. Készülék típusa: az MSZ CEN/TR 1749 [A gázkészülékeknek az égéstermék-elvezetés módja (típusok) szerinti osztályozási rendszere] szerinti típus besorolásának jelzése.
57. Készülék nyomásszabályozó: az MSZ EN 88 [Nyomásszabályozó gázfogyasztó készülékekhez 200 mbar bemenő nyomásig] nemzeti szabványnak megfelelő készülék, amely a fogyasztói vezetéken érkező gáz nyomását a gázégő csatlakozási nyomásértékére csökkenti.
58. Kibocsátó forrás: olyan pont vagy hely, amelyből éghető gáz szabadulhat ki a légkörbe úgy, hogy robbanóképes gáz-levegő keverék képződhet.
59. Kivitelező: csatlakozóvezeték és felhasználói berendezés megvalósítását végző, a vonatkozó jogszabályok szerint arra jogosult természetes vagy jogi személy.
60. Kommunális fogyasztó: közcélokat szolgáló (oktatási, egészségügyi, közszolgáltatási, államigazgatási, önkormányzati, stb.) intézmények.
61. Kompakt nyomásszabályozó: olyan nyomásszabályozó, amely egy szerkezeti egységben tartalmazza a nyomásszabályozást és a biztonsági nyomáshatárolást biztosító funkcionális szerkezeti egységeket.
62. Kondenzációs készülék: az a gázfogyasztó készülék (kazán), amelyben rendeltetésszerű üzemi körülmények között az égéstermék vízgőze részben lecsapódik e vízgőz kondenzációs hőjének hasznosítására.
63. Lángőr: az a szerkezet, amely a láng meglétét érzékeli és jelzi.
64. Légcsere szám: helyiségre vonatkoztatott viszonyszám, amely a helyiségbe 1 óra alatt bevitt szellőző levegő és a helyiség térfogatának hányadosa.
65. Légtér összeköttetés: két vagy több helyiség légtere akkor tekinthető összeköttetésben lévőnek, ha közöttük nyílás van és azon nincs az MSZ EN 12207 [Ajtók és ablakok. Légáteresztés. Osztályba sorolás.] 4. osztály szerinti minősítésű fokozott légzárású, automatikusan záródó nyílászáró.
66. Légudvar: helyiségek közvetlen természetes szellőzésére és megvilágítására szolgáló, épületszárnyakkal, határfalakkal körülhatárolt belső udvar, vagy a szomszédos építési telek beépítéséig a telekhatárhoz csatlakozó oldalán nyitott tér.
67. Megnyílási nyomás: az a nyomás, amelynél a hasadó-nyíló felület megnyílása megindul, illetve a hasadó-nyíló felület maradandó roncsolása bekövetkezik.
68. Megvalósulási dokumentáció: a földgázelosztói vagy a pébégáz forgalmazói nyilatkozattal rendelkező tervdokumentáció olyan példánya, amely a csatlakozó vezeték és felhasználói berendezés megvalósult állapotát tükrözi.
69. Melléképítmény: az építési telek, illetve azon álló épületek rendeltetésszerű használatához, működtetéséhez szükséges építmény, különösen
a) a közmű-becsatlakozási műtárgy,
b) a közműpótló műtárgy,
c) a hulladéktartály-tároló,
d) az önálló – épülettől különálló – kirakatszekrény,
e) a kerti építmény,
f) a háztartási célú kemence, húsfüstölő, jégverem, zöldségverem,
g) az állat ól, állatkifutó,
h) a trágyatároló, komposztáló,
i) a siló, ömlesztett anyag-, folyadék- és gáztároló,
j) a szabadon álló és legfeljebb 6,0 m magas szélkerék, antenna oszlop, zászlótartó oszlop.
70. Mellékhelyiség: az önálló rendeltetési egység főhelyiségeinek rendeltetésszerű használatához szükséges vagy azt kiegészítő, általában közlekedő, tároló, tisztálkodó, üzemeltetési rendeltetésű (például fűtő-, épületgépészeti, hulladéktartály-tároló) helyiség, illemhely, teakonyha, továbbá a lakás- és üdülőegység főzőhelyisége.
71. Membrános gázmérő: olyan gáztérfogat-mérő eszköz, amelyben az átáramló gáz térfogatát a gáz által elmozdított válaszfalakkal rendelkező mérőkamrák segítségével határozzák meg.
72. Monitorszabályozó: biztonsági berendezésként használt, az aktív szabályozóval sorba kapcsolt második szabályozó, amely az aktív szabályozó meghibásodásakor átveszi a nyomásszabályozást egy, az aktív szabályozónál nagyobb beállított értéken.
73. Műszaki biztonsági ellenőrzés: az az eljárás, amelynek során a földgázelosztó vagy a pébégáz forgalmazó képviselője vagy megbízottja (műszaki átvevője) a kivitelezett létesítményt a kivitelezésre való alkalmassági nyilatkozattal rendelkező tervdokumentáció alapján műszaki biztonsági szempontból minősíti.
74. Műszaki biztonsági felülvizsgálat: a meglévő és üzembe helyezett csatlakozó vezetékek és felhasználói berendezések megfelelőségének időszakos felülvizsgálata.
75. Névleges hőterhelés: a gyártó által a gázfogyasztó készülékre megadott névleges hőterhelés [kW].
76. Nyomások (ezen előírásban alkalmazott és megnevezett különböző nyomások megnevezései és értékei)
a) Normál (atmoszférikus) légköri nyomás (pn): Magyarországon a légnyomás egységesen elfogadott abszolút értéke, mely a gázhalmazállapotú anyagok normál állapotának meghatározására szolgál [Pa, kPa,].
b) Tervezési nyomás (DP): az a nyomásérték, amelyen a szilárdsági számítások alapulnak. Jelen előírásban megegyezik a szilárdságvizsgálati nyomás (STP) értékével ([Pa], [kPa], [MPa], [bar]; [mbar]).
c) Névleges nyomás (PN): a hivatkozási célokra megfelelően alkalmas kerek szám a nyomás számszerű jelölésére; ezen európai szabványokban jellemzően a karimákhoz használják [bar].
d) Névleges csatlakozási nyomás (pn): az a csatlakozási nyomás, amelyre a gázfogyasztó készülék tüzeléstechnikai jellemzői vonatkoznak.
e) Csatlakozási nyomás (pc): a gázfogyasztó készülék csatlakozásánál mérhető statikus nyomás és az atmoszférikus nyomás közötti különbség [mbar].
f) Üzemi nyomás (OP): a csővezetékben normális üzemszerű körülmények közt kialakuló nyomás [bar; mbar].
g) Ideiglenes üzemi nyomás (TOP): az a nyomás, amelyen a rendszer a szabályozó berendezéssel ideiglenesen üzemelhet ([bar]; [mbar]).
h) Legnagyobb rendellenes vagy üzemzavari nyomás (MIP): a biztonsági berendezések által korlátozott legnagyobb nyomás, amely a csővezetéket rövid időre terhelheti ([bar]; [mbar]).
i) Megengedett bemenő oldali nyomás (pbmax): az a legnagyobb bemenő oldali nyomás, amelyen a nyomásszabályozó az előírt feltételekkel folyamatos üzemelésre alkalmas ([bar]; [mbar]).
j) Bemenő-nyomás (pb): a gáz nyomása a nyomásszabályozó bemenetén ([bar]).
k) Megengedett kimenőoldali nyomás (pkmax): az a legnagyobb kimenőoldali nyomás, amelyen a nyomásszabályozó az előírt feltételekkel folyamatos üzemelésre alkalmas ([bar]; [mbar]).
l) Kimenőnyomás (pk): a gáz nyomása a nyomásszabályozó kimenetén ([bar]; [mbar]).
m) Legnagyobb üzemi nyomás (MOP): az a legnagyobb üzemi nyomás, amellyel a csővezeték szabályos üzemi feltételek között üzemeltethető ([bar]; [mbar]).
n) Szilárdságvizsgálati nyomás, próbanyomás (STP): a csővezeték szilárdságvizsgálata során alkalmazott nyomás ([bar]; [mbar]).
o) Tömörségvizsgálati nyomás (TTP): a csővezeték tömörségvizsgálata során alkalmazott nyomás ([bar]; [mbar]).
77. Nyomásfokozatok: csatlakozó vezeték és a felhasználói berendezés vonatkozásában (2.1. sz. táblázat).
2.1. sz. táblázat
| Nyomásfokozat | A nyomásfokozat nyomástartománya |
| Kisnyomás | MOP < 100 mbar |
| Középnyomás | 100 mbar < MOP < 4 bar |
| Nagyközép nyomás | 4 bar < MOP < 25 bar |
| Nagynyomás | MOP > 25 bar |
78. Nyomáspróba:
a) szilárdsági nyomáspróba olyan eljárás, amelynek során az ellenőrizni kívánt csatlakozó vezetéket és vagy felhasználói berendezést próbanyomás (STP) alá helyezik annak igazolására, hogy a létesítmény megfelel a belső túlnyomással szemben előírt mechanikai szilárdság követelményeinek,
b) tömörségi próba olyan eljárás, amellyel igazolható, hogy a csatlakozó és/vagy fogyasztói vezeték megfelel a tömörségi követelményeknek.
79. Önálló rendeltetési egység: meghatározott rendeltetés céljára önmagában alkalmas helyiség vagy helyiségcsoport, amelynek a szabadból vagy az épületen belül közlekedőből nyíló önálló bejárata van.
80. Összekötő elem: építőelem vagy építőelemek a gázfogyasztó készülék égéstermék elvezető csonkja és az épület égéstermék-elvezető berendezésének összekötéséhez.
81. Összeszellőztetés: két, egymással határos helyiség akkor tekinthető összeszellőztetettnek, ha a két helyiség közös elválasztó fala rendelkezik 2 db, egyenként legalább 150 cm2szabad felületű, el nem zárható, a két légteret összekötő szellőzőnyílással, amelyek közvetlenül a padló szinten és a mennyezet alatt, de egymástól legalább 1,8 m függőleges távolságban helyezkednek el.
82. Pébégáz forgalmazó: az a jogi személyiségű gazdasági társaság, amely a cseppfolyós propán-, butángázok és ezek elegyei tartályban vagy palackban történő forgalmazásának szabályairól és hatósági felügyeletéről szóló 94/2003. (XII. 18.) GKM rendeletben előírt feltételeknek megfelel és az illetékes bányakapitányságtól a pébégáz forgalmazására engedélyt kapott.
83. Rendeltetési ország (közvetlen): az az ország, amely számára a gázfogyasztó készüléket tanúsították, és amelyet a gyártó közvetlen rendeltetési célországként megad, és ott a gázfogyasztó készülék átalakítás nélkül üzemeltethető.
84. Rendeltetési ország (közvetett): az az ország, amelyhez a gázfogyasztó készüléket tanúsították, de a gázfogyasztó készülék csak a gyártó által előírt beavatkozást követően alkalmazható a célországban.
85. Rendeltetésszerű használat: a csatlakozó vezeték, a felhasználói berendezés műszaki leírásában, kezelési és karbantartási útmutatójában vagy termékismertetőjében feltüntetett minőségű gázzal és a megadott paraméterekkel jellemzett feltételeknek megfelelő használat.
86. Robbanási határkoncentrációk:
a) Alsó robbanási határ (ARH): az éghető gáznak vagy gőznek az a koncentrációja a levegőben, amely alatt a keverék nem robbanóképes.
b) Felső robbanási határ (FRH): az éghető gáznak vagy gőznek az a koncentrációja a levegőben, amely fölött a keverék nem robbanóképes.
87. Robbanásveszélyes térség: az a térség, amelyben robbanóképes gázközeg olyan mértékben van jelen, vagy várhatóan olyan mértékben fordul elő, hogy az a gyártmányok kialakításával, telepítésével és használatával kapcsolatosan különleges óvintézkedéseket igényel.
88. Robbanásveszélyes zónák: a robbanásveszélyes térségek a robbanóképes gázközeg előfordulási gyakorisága és időtartama alapján zónákba sorolása a következő:
a) 0-s zóna: olyan térség, amelyben gáz-, gőz- vagy ködállapotú éghető anyag levegővel alkotott keverékéből álló robbanóképes gázközeg van folyamatosan vagy hosszú ideig vagy gyakran jelen.
b) 1-es zóna: olyan térség, amelyben normál üzemben várhatóan esetenként gáz-, gőz- vagy ködállapotú éghető anyag levegővel alkotott keverékéből álló robbanóképes közeg fordul elő.
c) 2-es zóna: olyan térség, amelyben, normál üzemben gáz-, gőz- vagy ködállapotú éghető anyag levegővel alkotott keverékéből álló robbanóképes közeg várhatóan nem fordul elő, de ha mégis előfordul, akkor csak rövid ideig marad fenn.
89. Robbanóképes gázközeg: gáz- vagy gőzállapotú éghető anyag levegővel alkotott keveréke normál légköri viszonyok között, amelyben a gyújtást követően az égés végigterjed a teljes keverékre.
90. Szabadtér: helyiségnek nem minősülő térség – beleértve a nyitott, részben fedett tereket -, ahol termelést, raktározást vagy ezekhez kapcsolódó tevékenységet végeznek.
91. Szabálytalan helyzet: a létesítéskor hatályos előírásoknak nem megfelelő műszaki állapot.
92. Szakaszoló szerelvény: a csatlakozó vagy fogyasztói vezetékbe épített olyan elzáró szerelvény, amely alkalmas arra, hogy – a gáz áramlási irányát tekintve – a vezeték egy vagy több szakaszát a gáz betáplálástól elzárjon, illetve függetlenítsen.
93. Szellőzés/szellőztetés: a helyiségben lévő levegő cseréje természetes (gravitációs) módon vagy gépi eszközök, berendezések segítségével.
94. Szellőző levegő: a gázfogyasztó készülék helyiségébe gravitációsan vagy gépi úton beáramoltatott – közvetlenül vagy közvetve szabadból származó – levegő.
95. Szerelési távolság: a létesítés során az egyes gázberendezések és egyéb létesítmények között betartandó azon legkisebb – függőleges vetületben mért – (palást) távolság, amelynek biztosítása a létesítmény üzemeltetése során elvégzendő javítási, karbantartási, üzemzavar-elhárítási tevékenység biztonságos elvégzéséhez szükséges, és az érintett közművek, egyéb létesítmények üzemét nem befolyásolja.
96. Szigetelő közdarab: a fém anyagú gázvezetékbe épített elektromos vezetőképességet megszakító szerkezeti elem.
97. Szintetikus földgáz (SNG): propánból vagy propán-bután keverékből levegő hozzákeverésével előállított gázkeverék, amelynek az energiatartalma a keverési arány változtatásával meghatározott értékek között tetszés szerint beállítható.
98. Technológiai célú gázfelhasználás: az olyan célú gázfelhasználás, amelynek során az elégetett gáz hője nem emberi tartózkodásra szolgáló helyiségek, létesítmények, terek, épületek fűtésére, használati melegvíz előállítására vagy konyhai igények kielégítésére, hanem valamilyen gyártmány, produktum előállításához alapanyagként szolgál.
99. Tervező: az a személy, aki a csatlakozó vezeték és a felhasználói berendezés megvalósításához szükséges tervezési feladatokat elvégzi, a tervezői nyilatkozatot adja, és aki a tervezési feladatnak megfelelő szakirányú tervezési jogosultsággal rendelkezik.
100. Tervezői jogosultság: személyhez fűződő jog, a tervkészítés joga, amit a Magyar Mérnöki Kamara hivatalos tervezői és szakértői névjegyzékében nyilvántartott személy szakterületi tervezői jogosultsága mértékéig gyakorolhat.
101. Tervezői felelősség: a tervező azon törvényi kötelezettsége, mely szerint a kor technikai színvonalának, a tervezés időpontjában hatályos jogszabályoknak, előírásoknak, a szakma általánosan elfogadott szabályainak és a korszerű műszaki és biztonsági követelményeknek megfelelő, szakszerű tervdokumentációt tartozik készíteni.
102. Tervezői nyilatkozat: a tervdokumentáció kötelező része, amelyben a tervező arról nyilatkozik, hogy a kiviteli tervdokumentációt a megrendelővel, az érdekelt szakhatóságokkal és közművekkel a tervezés folyamán egyeztette, és a tervezett műszaki megoldás megfelel a tervezési célnak, a vonatkozó jogszabályoknak, hatósági előírásoknak, a gyártói előírásoknak, szabványoknak, vagy attól történt eltérés esetén az egyenértékűséget számítással vagy más módon igazolta.
103. Tervfelülvizsgálat: a tervdokumentáció műszaki biztonsági szempontból történő felülvizsgálata.
104. Tervdokumentáció: írásos és rajzos formátumú dokumentum, a tervező utasítása a kivitelező részére.
105. Tervfelülvizsgáló: a földgázelosztó vagy a pébégáz forgalmazó alkalmazásában álló, jogszabályban [a földgázellátásban műszaki biztonsági szempontból jelentős munkakör betöltéséhez szükséges szakmai képesítésről és gyakorlatról szóló 12/2004. (II. 13.) GKM rendelet] előírt szakképesítéssel rendelkező személy, aki a tervfelülvizsgálatot végzi.
106. Többszintes épület: amelyben a legfelső építményszint szintmagassága legfeljebb 13,65 m.
107. Tömegtartózkodásra szolgáló építmény: amelyben tömegtartózkodásra szolgáló helyiség van, vagy amelyen (például híd, kilátó) bármikor egyidejűleg 300 főnél több személy tartózkodása várható.
108. Tömegtartózkodásra szolgáló helyiség: egyidejűleg 300 személynél nagyobb befogadó képességű helyiség.
109. Tűzveszélyességi osztály: veszélyességi övezetek, helyiségek, helyiségcsoportok (tűzszakaszok), épületek, műtárgyak, létesítmények besorolására meghatározott kategória a bennük folytatott tevékenység során előállított, feldolgozott, használt vagy tárolt anyagok jellemzői, valamint az alkalmazott technológiai folyamat tűzveszélyessége, egyes esetekben – (lakó- és közösségi épületek) – a rendeltetés alapján.
110. Tűzveszélyes tevékenység: az a tevékenység, amely a környezetében lévő éghető anyag gyulladási hőmérsékletét, lobbanáspontját meghaladó hőmérséklettel vagy nyílt lánggal, továbbá gyújtóforrásként számba vehető izzással, parázzsal, szikrázással jár.
111. Üzemeltető: földgáz felhasználása esetén az a természetes vagy jogi személy vagy jogi személyiséggel nem rendelkező szervezet, aki/amely a földgázelosztóval vagy a pébégáz forgalmazóval megkötött szerződés szerint a gázt használja.
112. Üzemzavar: minden olyan körülmény, amely a gáz rendeltetésszerű és biztonságos használatát gátolja.
113. Üzemzavar-elhárítás: az üzemzavart kiváltó ok megszüntetése az arra jogosultsággal rendelkező szakember vagy szervezet által.
114. Védőcső: a gázvezeték mechanikai védelmére, vagy a vezetékből meghibásodás esetében kiáramló gáz összegyűjtésére és szabadba vezetésére szolgáló cső.
115. Védőtávolság: a csatlakozó- vagy fogyasztói vezeték, felhasználói berendezés és a megközelített létesítmény, épületszerkezet vagy használati tárgyak között függőleges vetületben megengedhető legkisebb vízszintes távolság.
116. Veszélyességi övezet: helyiségben vagy szabadtéren lévő anyagnak, gépnek, berendezésnek tűzvédelmi szempontból önállóan értékelendő környezete, térrésze. A veszélyességi övezet kiterjedését éghető gáz, gőz, köd, por esetén a (normál üzem figyelembevételével) vonatkozó műszaki követelmény szerint (ide tartoznak a 0-ás, 1-es és 2-es, valamint a 20-as, 21-es és 22-es zónák függőleges vetületeinek összesített területe), minden más esetben az anyag, gép, berendezés és a kapcsolódó technológiai terület alapján kell megállapítani.
117. Zárt tér: a rendeltetésének megfelelően minden irányból körülzárt tér.
2.2. Pébégáz-ellátás
1. Csatlakozó tömlő: pébé palacknak a csatlakozó vezeték vagy felhasználói berendezés elemeivel történő összekötésére szolgáló, hajlékony, az alkalmazás paramétereire gyártó által tanúsított vezeték.
2. Csatlakozóvezeték:
a) A vezetékes pébégáz ellátás esetében a felhasználási hely telekhatárától a gázmérő főcsapig terjedő vezeték, amely körvezetékként nem alakítható ki.
b) A tartályos pébégáz ellátás esetében a pébé-tartály folyadék- és/vagy gázfázisú elvételi csonkjának elzáró szerelvényétől induló, és a gázmérő főcsapjáig, vagy – gázmérő hiányában – a felhasználói berendezés épületének külsőfali elzárójáig – fogyasztói főcsapjáig tartó gázvezeték szakasz valamennyi tartozékával együtt.
3. Fogyasztói vezeték: az a vezetékszakasz tartozékaival együtt, amely a gázmérőtől – ennek hiányában a fogyasztói főcsaptól – a gázfogyasztó készülékig terjed, és körvezetékként nem alakítható ki.
4. Folyadékfázisú gázfogyasztó készülék: (a továbbiakban: folyadékos készülék) olyan gázfogyasztó készülék, amelyik folyadékfázisú pébégázt tüzel el, beleértve az ipari és mezőgazdasági hőtechnikai eljárások berendezéseit is.
5. Használó: az a természetes vagy jogi személy, aki a pébégázt felhasználja.
6. Nyomáscsökkentő: közvetlenül a pébé- vagy turista használatú palackra menetesen vagy reteszelt dugóscsatlakozással szerelt készülék, mely a palack gázfázis nyomását egy fokozatban a gázfogyasztó készülék üzemi nyomására csökkenti.
7. Palackcsoportos gázellátás: több pébé palack által táplált csatlakozó vezeték és felhasználói berendezés tartozékaikkal és szerelvényeikkel együtt.
8. Palackos gázellátás: pébé palackból, gázfogyasztó készülékből és az ezek összekötését és rendeltetésszerű működését biztosító, az alkalmazás paramétereire gyártó által tanúsított elemekből összeszerelt rendszer.
9. Pébégáz: a propán, bután, valamint ezek szabványos arányú és különleges, szabványos tisztaságú [MSZ EN 589 Gépjármű hajtóanyagok. LPG. Követelmények és vizsgálati módszerek.] keverékei.
10. Pébégáz forgalmazó: az a természetes vagy jogi személy vagy jogi személyiséggel nem rendelkező szervezet, aki/amely a Magyar Energia Hivatal által kiadott propán-bután és ezek elegyeinek vezetéken történő elosztására és szolgáltatására érvényes engedéllyel rendelkezik.
11. Pébé palack: fémből vagy kompozit szerkezettel (a külső felületen bevonattal erősített, fém vagy nem fém béléstesttel) készült nyomástartó berendezés, amely cseppfolyósított pébégáz tárolására és szállítására szolgál, és a gáz töltési, vagy felhasználási helye nem azonos; a palack űrtartalma legfeljebb 150 liter, hosszának a külső átmérőjéhez való aránya nem nagyobb 10-nél, és töltete cseppfolyósított gáz, amelynek kritikus hőmérséklete 50 °C-nál kisebb, vagy gőznyomása 50 °C-on nagyobb 3 bar abszolút nyomásnál.
12. Talajszint alatti helyiség: az a helyiség, melynek a padlófelülete a terepszint/talajszint alatt helyezkedik el.
13. Pébé tartály: az a nyomástartó berendezés, ami cseppfolyósított pébégáz tárolására alkalmas.
14. Üzembe helyezés (pébégáz esetében): a csatlakozó vezeték és felhasználói berendezés tervezett működési állapotba hozásának érdekében végzett tevékenységek összessége.
3. Követelmények
3.1. Általános tervezési követelmények
3.1.1. A tervkészítés során a tervező felelősséggel tartozik:
a) a tervezési cél műszaki megoldással való eléréséért,
b) a műszaki biztonsági szempontok érvényesítéséért,
c) a jogszabályokban előírtak betartásáért,
d) a hivatkozott szabványok alkalmazásáért,
e) az egészségvédelmi előírások betartásáért,
f) a tűzvédelmi előírások betartásáért,
g) a balesetelhárítási és a munkavédelmi előírások betartásáért,
h) a környezetvédelmi követelmények kielégítéséért és betarthatóságáért,
i) a tervdokumentáció előírt tartalmi követelményeinek teljesítéséért,
j) a tervegyeztetés során tett nyilatkozatok, feltételek érvényre juttatásáért,
k) a földgázelosztó vagy pébégáz forgalmazó által a tervegyeztetés során kötelezően megadott szerelvényezés (gázmérő és nyomásszabályozó típusai, fogyasztói főelzáró helye és típusa) alkalmazásáért,
l) a gazdaságossági szempontok érvényesítéséért,
m) azért, hogy a gáz csatlakozóvezetékek kialakítása ne rombolja az építmény, különös tekintettel a műemléki védettség alatt álló épületek homlokzati megjelenítését.
3.1.2. A Szabályzattól eltérő műszaki megoldások követelményei
3.1.2.1. Az e Szabályzatban szereplő műszaki megoldásoktól az e rendeletben foglaltak szerint el lehet térni, ha a Szabályzat alapvető műszaki biztonsági követelményei igazoltan teljesülnek.
3.1.2.2. Az e Szabályzat alapvető műszaki biztonsági követelményeinek teljesülését a településtervezési és az építészeti-műszaki tervezési, valamint az építésügyi műszaki szakértői jogosultság szabályairól szóló 104/2006. (IV. 28.) Korm. rendelet szerint jogosult tervező vagy szakértő igazolhatja. A földgázelosztó vagy a pébégáz forgalmazó az adott tervezési feladatra való jogosultság igazolását előzetesen kérheti a tervezőtől.
a) E Szabályzat eltérő rendelkezése hiányában az alábbi tervezői kategóriába tartozó tervezők tervei fogadhatóak el a gáz csatlakozó vezetékek és felhasználói berendezések tervezésénél:
aa) gépésztervezők [ÉT],
ab) épületgépészeti tervezők (vezető tervezők) [G],
ac) gáz- és olajmérnök tervezők (vezető tervezők) [GO].
b) A tervezési költségek csökkentése érdekében elfogadható további jogosultságokat a Magyar Mérnöki Kamara határozza meg.
3.1.2.3. Az igazolás tartalmazza:
a) az eltérő műszaki megoldás dokumentációját,
b) a műszaki megoldás alkalmazásával kapcsolatos számításokat, kísérleti eredményeket,
c) a Szabályzat vonatkozó előírására való hivatkozást,
d) az alapvető műszaki biztonsági követelmény teljesülésére tett intézkedéseket,
e) a tervező vagy szakértő jogosultságának igazolását.
3.1.2.4. Az alapvető műszaki biztonsági követelményeket teljesítettnek kell tekinteni, ha a tervezett műszaki megoldásra nemzeti szabvány vonatkozik és az teljesül.
3.1.3. A tervdokumentáció tartalmi követelményei
3.1.3.1. A tervezői nyilatkozat (több tervező esetében a tervezett részre vonatkozó) tartalmazza:
a) a létesítmény megnevezését, helyszínét,
b) a terv tárgyára vonatkozó jogszabályok előírásainak és a földgázelosztó vagy a pébégáz forgalmazó által műszaki biztonsági szempontok alapján felülvizsgált tervvel érintett technológiai utasításainak betartását,
c) a Szabályzattól való eltérés esetén az eltérés indokolását és a választott megoldás egyenértékűségének igazolásait (mérési eredmények, szakértői nyilatkozatok, stb.),
d) a tervnek tervezési célra való megfelelőségét,
e) a tervezett létesítmény biztonságos kivitelezhetőségét és az egészséget nem veszélyeztető módon történő üzemeltethetőségét,
f) nyilatkozatot arra vonatkozóan, hogy a közműveket és térszint alatti műtárgyakat a helyszínrajzon az adatszolgáltatásnak megfelelő pontossággal feltüntette,
g) az érintett szakhatósági nyilatkozatokban előírtakat érvényesítette,
h) a tervben szereplő, illetve a betervezett gázfogyasztó készülékek a Magyarországra érvényes tanúsítványokkal, illetve a gyártó megfelelőségi nyilatkozatával rendelkeznek, és azok megfelelnek a gázkészülékek tanúsított típusa egyikének a típus megjelölésével,
i) a gázkészülék tartozékának minősülő, beépítésre tervezett szerkezeti elemek kizárólag a készülék CE tanúsítása szerintiek, a gyártó által előírt tisztító- és ellenőrző idomokat a kiviteli terv tartalmazza,
j) az égési levegő ellátó és égéstermék-elvezető szerkezeti elemek megfelelnek a gyártói előírásoknak,
k) a gázkészülék minden részében a kondenzvíz elvezetéséről a gyári előírások szerint gondoskodott, jégdugót a kondenzvíz nem okoz,
l) a tervező eredeti aláírását és a kamarai azonosító számát a jogszabályban [az építőipari kivitelezési tevékenységről szóló 191/2009. (IX. 15.) Korm. rendelet] előírtaknak megfelelően.
3.1.3.2. A műszaki leírás tartalmazza
a) a tervezési célt,
b) a szállított gáz jellemzőit,
c) a mérés-elszámolás műszaki megoldását,
d) a gázfogyasztó készülékek azonosító adatait, gázterhelését és műszaki adatait,
e) a gáztüzelő berendezések MSZ 12623-85 [Gáz- és olajtüzelésű berendezések kezelési osztályba sorolása] szabvány szerinti kezelési osztályba sorolását,
f) a tervezési nyomásokat és nyomásfokozatokat,
g) az üzemeltetési hőmérséklet határokat,
h) a tervezett létesítmény helyszínét, a tervrajzokon nem ábrázolható részletek leírását,
i) a tervezési határokat,
j) a csatlakozóvezeték jellemző paramétereit,
k) a felhasználói berendezés paramétereit, valamint ezek meghatározására vonatkozó számításokat,
l) a gázfogyasztó készülékek beépítési feltételeit,
m) a tervtől való bármely eltérés vagy a terv megváltoztatásának feltételeit, valamint a terv szerinti állapot későbbi megváltoztatására vonatkozó figyelmeztetéseket és feltételeket,
n) a korlátozott élettartamú tartozékok felsorolását az élettartam megjelölésével,
o) a gázfogyasztó készülékek légellátásának, égéstermék-elvezetésének hő- és áramlástechnikai méretezését, az alkalmazott elemek gyártó szerinti azonosító adatait, együttműködést a meglévő rendszerrel,
p) a kivitelezésre vonatkozó előírásokat és szükség szerint a tervezett kötések (különös tekintettel a hegesztésre) technológiáját és rendjét, valamint az indokolt tervmagyarázatokat,
q) a munkavédelem és az egészségvédelem feltételeinek kielégítését,
r) a biztonsági értékelés eredményét,
s) a vonatkozó jogszabály szerinti biztonsági és egészségvédelmi koordinátor foglalkoztatásának szükségességét, a koordinátor feladatait az építőipari kivitelezési tevékenységgel összefüggésben,
t) a kivitelezett csatlakozó vezeték és felhasználói berendezés korrózióvédelmét és állagmegóvását,
u) az érintésvédelem megoldását,
v) a robbanásveszélyes terek alakjának és méreteinek meghatározását,
w) a tűzvédelmi követelményeket, azok teljesítésére vonatkozó megoldásokat,
x) a környezetvédelmi követelményeket, azok teljesítésére vonatkozó megoldásokat,
y) az elvégzendő nyomáspróbák, üzempróbák, próbaüzem és tesztek leírását, azok megfelelőségeinek kritériumait,
z) a meglévő rendszerhez való csatlakozás körülményeit, műszaki megoldását az engedélyessel történt előzetes egyeztetés alapján,
z1) az üzemelő rendszer átalakítását, ideiglenes vagy végleges üzemen kívül helyezését az engedélyessel történt előzetes egyeztetés alapján,
z2) a külső térbe mesterséges kifújással rendelkező berendezéseket, depressziót létrehozó eszközöket, légkezelőket.
3.1.3.3. A tervdokumentációnak a tervezés tárgyától függően a műszaki biztonsági feltételek igazolása érdekében értelemszerűen az alábbi rajzdokumentációkat kell tartalmaznia:
a) Helyszínrajz, amely a szükséges méretarányban tartalmazza:
aa) a gázellátással érintett ingatlan (ingatlanok) címét, helyrajzi számát,
ab) a tervezés határát, meglévő rendszerhez történő csatlakozás pontját,
ac) ha a terv az ellátandó ingatlanon kívül más ingatlant (ingatlanokat) is érint (átvezetés, szolgalom, védőtávolság), annak/azoknak helyrajzi számát,
ad) az épületek, létesítmények körvonalrajzát, elhelyezkedésük méreteit,
ae) a tervezett vezeték nyomvonalát, méretét, anyagát,
af) a területen lévő közművek vezetékeinek az adatszolgáltatás pontosságának megfelelően feltüntetett elhelyezkedését,
ag) a nyomásszabályozó (állomás), gázmérő helyét,
ah) a vezeték védőtávolságán belül lévő fák helyét,
ai) a földalatti ismert létesítmények helyét,
aj) a védelem szükségességét, méretét, anyagát, műszaki megoldását,
ak) az égéstermék kivezetést, a környezetében lévő objektumokat, épületeket.
b) Alaprajzok, amelyek általában 1:50 méretarányban tartalmazzák a gázzal ellátott épület (létesítmény) csatlakozó vezetékének és felhasználói berendezésének elhelyezésével érintett és azzal kapcsolatban lévő részeit, ezen belül részletesen:
ba) a nyílászárók helyét, típusát és légzárási értékét,
bb) az egyes helyiségek megnevezését,
bc) a vizes berendezési tárgyak alak- és mérethű helyét,
bd) a meglevő és beépítésre kerülő gázfogyasztó készülékek helyét, rendeltetését, az MSZ/CEN/TR 1749 [A gázkészülékeknek az égéstermék-elvezetés módja szerinti osztályozási rendszere] szabvány szerinti típusát, névleges hőterhelését, gázterhelését,
be) fürdőkádat vagy zuhanyt tartalmazó helyiségben elhelyezett gázfogyasztó készülék esetében annak villamos védettségét,
bf) a meglévő és tervezett csatlakozó vezeték és a fogyasztói vezetékek (adott esetben az épületre szerelt telephelyi vezeték) nyomvonalát, méretét, anyagát,
bg) a szerelvények (anyagátmenetek) helyét, típusát, méretét,
bh) a nyomásszabályozó (állomás), gázmérő helyét, típusát, méretét, teljesítmény adatait,
bi) a légellátás, szellőzés légmennyiség adatait, szerkezeteit, típus, teljesítmény megjelöléssel,
bj) az égéstermék-elvezetés szerkezeteit,
bk) az égéstermék-elvezető berendezés helyét, méretét, a kitorkolás helyzetét a saját és a szomszédos épületekhez képest,
bl) a hasadó, illetve hasadó-nyíló felületek helyét, méretét,
bm) a gázérzékelők, beavatkozó szerkezetek elhelyezését, típusát, üzemi paramétereit,
bn) a bontás, átalakítás esetében az elbontásra kerülő, a megmaradó és az új vezetékek, gázfogyasztó készülékek egyértelmű megjelölését, és
bo) minden olyan adatot, ami a terv felülvizsgálatához szükséges.
c) Függőleges csőterv, amely általában 1:50 méretarányban tartalmazza:
ca) a szinteket és belmagasságukat,
cb) térszint alatt elhelyezett csatlakozó és/vagy fogyasztói vezetékek takarási mélységét,
cc) a tervezett gázfogyasztó készülékeket és típus jelölésüket,
cd) a nyomásszabályozó(állomás), gázmérő/mérési rendszer helyét típusát, méretét, teljesítményadatait,
ce) a csővezetékek, szerelvények anyagát, méretét, kötésmódját, kapcsolását,
cf) a gázfogyasztó készülékek, csővezetékek, égéstermék-elvezető szerkezetek szerelési magasságát,
cg) az égéstermék elvezető berendezések méretét, anyagát vagy azonosítását, és ha értelmezhető, a hatásos magasságát.
d) Részletrajzok az értelmezéshez szükséges méretarányban mindazon esetben, amikor nem minősített vagy gyártói nyilatkozattal rendelkező szerkezetek kerülnek beépítésre – a legyártáshoz szükséges méretekkel.
További részletrajzok szükség esetén:
da) villámvédelmi terv,
db) elektromos reteszelési terv,
dc) légellátási-szellőzési terv,
dd) az égéstermék-elvezetés terve,
de) a nyomásszabályozó(állomás) és gázmérő telepítési rajzai.
3.1.3.4. A tervhez csatolni kell:
a) a tervvel érintett területen található közművek üzemeltetőinek nyilatkozatait,
b) a meglévő égéstermék elvezető berendezés (berendezések) esetében a területileg illetékes kéményseprő-ipari közszolgáltató nyilatkozatát, a gázfogyasztó készülékkel együtt tanúsított égéstermék elvezető berendezések kivételével abban az esetben, ha az nem a már meglévő épülethez tartozó égéstermék elvezető berendezésben került kialakításra.
3.1.4. Tervfelülvizsgálat
a) A csatlakozó vezeték és a felhasználói berendezés kiviteli tervét – a kivitelezés megkezdése előtt – be kell nyújtani a földgázelosztóhoz, illetve pébégáz forgalmazóhoz műszaki biztonsági szempontok szerinti felülvizsgálatra. A kivitelezést a földgázelosztó vagy a pébégáz forgalmazó kivitelezésre alkalmas nyilatkozatának keltétől számított 2 éven belül sikeres műszaki biztonsági ellenőrzéssel be kell fejezni.
b) A kivitelezhetőségre vonatkozó nyilatkozat érvényessége meghosszabbítható, ha az ismételt benyújtáskor érvényes műszaki biztonsági feltételeknek megfelel.
3.1.5. Ha a földgázelosztó vagy a pébégáz forgalmazó által felülvizsgált és kivitelezésre alkalmasnak minősített tervtől eltérés válik szükségessé, akkor a tervet módosítani kell. A tervet a tervező módosíthatja. Ha a módosítás nem érint műszaki biztonsági feltételeket, a tervező az elvégzett módosítást dátummal látja el és aláírja. Minden más esetben a módosított tervet újra be kell nyújtani a földgázelosztóhoz vagy a pébégáz forgalmazóhoz műszaki biztonsági felülvizsgálatra.
3.1.6. A tervdokumentációtól eltérni a tervező írásos hozzájárulásával szabad. Amennyiben az eltérés műszaki biztonsági feltételt is érint, a tervező köteles a földgázelosztótól vagy a pébégáz forgalmazótól ismételt tervfelülvizsgálatot is kérni. Az eltérések műszaki biztonsági szempontok szerint indokolt eseteit táblázatosan a 7.6. szakasz tartalmazza.
3.1.7. A szintetikus földgáz (SNG) közvetlen tüzeléstechnikai alkalmazása esetén a pébégáz-ellátásban alkalmazott műszaki biztonsági előírásokat (Szabályzat 3.3. szakasza) kell betartani, mivel a szintetikus földgáz relatív sűrűsége minden esetben 1-nél nagyobb; a csúcsfedező gáz (PSG) tüzeléstechnikai alkalmazása esetén, ha a földgáz keverési aránya legalább 70%, akkor a vezetékes földgáz-szolgáltatásban alkalmazott műszaki biztonsági előírásokat (Szabályzat 3.2. szakasza) betartani, mivel a csúcsfedező gáz relatív sűrűsége kellő biztonsággal 1-nél kisebb; ha a csúcsfedező gázban a bekevert földgáz aránya 70%-nál kisebb, akkor a pébégáz-ellátásban alkalmazott műszaki biztonsági előírásokat (Szabályzat 3.3. szakasza) kell betartani, mivel a csúcsfedező gáz relatív sűrűsége kellő biztonsággal nem lesz 1-nél kisebb.
3.2. A földgáz csatlakozó vezetékek és fogyasztói vezetékek tervezési követelményei
Csatlakozó és fogyasztói vezetéket úgy kell tervezni, hogy annak elhelyezése, üzemi nyomása, anyaga és mérete a gázfelhasználási célokat és a Szabályzat előírásait kielégítse.
A megengedett nyomásesést a csatlakozó és a fogyasztói gázvezetékek hidraulikai méretezésénél a tervező vegye figyelembe. Erre vonatkozóan alapadatként a földgázelosztónak kell megadnia a tervező részére a csatlakozó vezeték kezdőpontjára vonatkozó, és a tervező számításaiban alkalmazandó nyomás értékét, melynek figyelembevételével kell a tervezőnek méretezni az általa tervezett csővezetékeket, és kell biztosítani a gázfogyasztó készülékekre megadott csatlakozási nyomást. (Csatlakozó- és fogyasztói vezetékekre a 3.1. sz. táblázat szerint)
3.1. sz. táblázat

Mértékadó gázterhelés
A csatlakozó- és a fogyasztói vezeték szakasz méretezés szempontjából mértékadó gázterhelésének megállapításához a fenti vezetékszakaszokról ellátott készülékek egyidejű fogyasztását összegezni kell.
Az egyidejű fogyasztásokat az adott gázfogyasztó készülékek névleges gázterhelésének és a készülékek egyidejűségi tényezőjének szorzata adja.
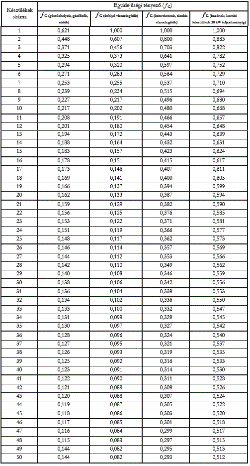
Az egyidejűségi tényező értékeit (fG) lakóépületek esetében a felszerelt készülékek jellegétől függően a 7.4. szakasz 7.2. sz. táblázata tartalmazza.
Központi fűtési és melegvíz készítési célokat egyaránt szolgáló kombi készülékek esetében a nagyobb egyidejű teljesítményt kell a vezeték méretezésénél alapul venni.
30 kW névleges terhelés fölötti kazánok, vízmelegítők, kommunális vagy ipari berendezések egyidejűségi tényezőjét a várható használat alapján kell figyelembe venni.
Ha ez előre nem határozható meg, akkor a figyelembe veendő egyidejűségi tényező 1,0.
A beépített idomok (iránytörések, elágazások, szűkítések, szerelvények) áramlási ellenállását alaki ellenállás tényezőjük figyelembevételével kell megállapítani.
Egyéb adat hiányában a legfontosabb idomok alaki ellenállási tényezői (ξ) a 7.4. szakasz 7.3. sz. táblázata szerint vehetők figyelembe.
Az ipari, mezőgazdasági célú felhasználók csatlakozó és fogyasztói vezetékeit úgy kell tervezni, hogy a cső anyagában lévő mechanikai feszültségek nem haladhatják meg a minimális folyási szilárdság (Rt0,5) és a tervezési tényező (f0) szorzatát.
A tervezési (biztonsági) tényező fém anyagú vezetékek esetén legfeljebb 0,67, polietilén vezetékek esetén az MSZ EN 1555 [Műanyag csővezetékrendszerek éghető gázok szállítására.] szabványsorozat alapján (szorzó tényezőként használva) legfeljebb 0,5, a szabvány szerinti képlet alkalmazása esetén értéke legalább 2,0 legyen.
A gázfogyasztó készülékekre előírt csatlakozási nyomásnál nagyobb üzemi nyomás esetében készülék nyomásszabályozóval kell biztosítani a gázfogyasztó készülék csatlakozási gáznyomását.
3.2.1. A csatlakozó és/vagy fogyasztói vezeték épületen kívüli nyomvonala
3.2.1.1. Térszint alatti elhelyezés
A csatlakozó vezetéket és a fogyasztói vezeték épületen kívüli szakaszát lehetőleg a térszint alatt vagy a 3.2.1.2. pont szerint kell elhelyezni, kivéve a technológiai tartozékok csővezetékeit, valamint a felszín feletti kereszteződés eseteit.
A fogyasztói főelzáró helyét a földgázelosztó határozza meg és adja meg a tervezőnek.
A csatlakozó vezeték, és a fogyasztói vezeték telekhatár és épület, építmény közötti szakasza épületektől, közművektől és más objektumoktól olyan védőtávolságra legyen (3.2. sz. táblázat), amely lehetővé teszi az építéssel, az üzemeltetéssel és a karbantartással kapcsolatos biztonságos munkavégzést, valamint a munkák közben az állagmegóvást.
A csatlakozó vezeték és a fogyasztói vezeték telekhatár és az épületbe belépési helye közötti szakaszán a takarási mélysége legalább 80 cm legyen, ennél kisebb takarás egyedi tervezői megoldással az egyenértékűség igazolása mellett alakítható ki, amelyet a tervező a földgázelosztóval egyeztetni köteles.
A csatlakozó- és fogyasztói vezeték nyomvonalán a talajtömörség mértékét a tervező a várható igénybevétel alapján határozza meg.
A gázvezeték az egyéb közműveket és térszint alatti műtárgyakat földgáz esetében lehetőleg felülről, pébégáz esetében lehetőleg alulról keresztezze. A túlnyomás alatt nem álló üreges közművek vagy műtárgyak alatt átvezetett gázvezetékeknek a védőtávolság határáig védelme legyen. A földbe fektetett vezetékbe épített elzáró szerelvény nyitásához, illetve záráshoz szükséges kezelőszár csapszekrénybe felhozott kivitelű legyen. Az elzáró szerelvény helyét jelzőtáblával meg kell jelölni.
Ha az elzáró szerelvény nyitásához, illetve záráshoz speciális eszköz szükséges, azt az elzáró szerelvény közelében, hozzáférhető helyen, de az illetéktelen behatástól védve kell elhelyezni.
Iparvágányok keresztezése előtt (a gáz áramlási irányát tekintve) 5 és 50 m távolságon belül legyen elzáró szerelvény a vezetékbe beépítve az Országos Vasúti Szabályzat szerint.
A csatlakozó- és/vagy fogyasztói vezeték, felhasználói berendezések védőtávolságain belül tervezett utólagos átalakítások (tereprendezési, építészeti, épületgépészeti, átalakítás) vagy rendeltetés (funkció) változás esetén az építtetőt, tervezőt, kivitelezőt egyeztetési kötelezettség terheli jelen előírások további érvényesítése érdekében.
Telephelyi vezeték épületen belül nem helyezhető el.
3.2.1.2. Védőtávolság
A csatlakozó vezetéket és a fogyasztó vezeték térszint alatti szakaszát, az alábbi (3.2. sz. táblázat) védőtávolság betartásával kell vezetni, kivétel az épület fala, ha azt merőlegesen közelíti meg.
3.2. sz. táblázat

A zárójeles távolságok az alkalmazni kívánt műszaki megoldással elérhető védelem mellett tervezhetők.
A terv térjen ki a csatlakozó és/vagy fogyasztói vezeték védőtávolságon belüli alábbi tilalmakra és korlátozásokra:
a) a védőtávolságon belül (3.2. sz. táblázat) nem szabad a vezeték műszaki állapotát veszélyeztető, ellenőrzését akadályozó tevékenységet végezni, illetve ilyen létesítményt elhelyezni,
b) épület alatt csatlakozó és fogyasztói vezeték nem helyezhető el.
A védőtávolságon belül az üzemeltetéshez, karbantartáshoz és javításhoz szükséges létesítmények, anyagok ideiglenesen elhelyezhetők, tevékenységek folytathatók.
3.2.1.3. A csatlakozó vezeték és/vagy fogyasztói vezeték műszaki szükségességből elhelyezhető:
a) épületektől független csőtartó szerkezeten (lakóépületeknél kerülni kell),
b) épületek külső falain lévő csőtartókon,
c) bakokon, amelyeken elhelyezett gázvezeték alsó alkotója a talajszinttől vagy a tetőszinttől legalább 0,4 m, legfeljebb 1,2 m magasságban legyen (lakóépületeknél kerülni kell),
d) olyan területeken, ahol személyek rendszeresen közlekednek, és a gázvezeték nyomvonala nem követi az épület falszerkezetét, vagy a gázfogyasztó készülék határvonalait, a gázvezeték alsó alkotója a padlószinttől (járószinttől) legalább 2,2 m magasságban legyen,
e) járművekkel járható úttest feletti keresztezés esetében a cső alsó alkotója az úttest legmagasabb pontja felett legalább 5,5 m-re legyen,
f) gázvezetékkel közös tartószerkezeten legfeljebb 0,4 kV feszültségű villamos vezeték vagy legfeljebb 35 kV feszültségű páncélozott vagy acél védőcsőben lévő szigetelt villamos vezeték lehet,
g) pályán mozgó szerkezetektől (kötélpályán, darupályán, futószalagon, stb. mozgó tárgyak várható legközelebbi pontjától) a gázvezeték legközelebbi alkotója legalább 1 m távolságra legyen,
h) a gázvezeték a sugárzó hőtől az MSZ 11425-2:1982 [Ipari gázellátó rendszerek. Gázvezetékek és szerelvények követelményei és vizsgálata.] szabványnak vagy azzal egyenértékű műszaki megoldással megfelelően védve legyen; izzó vasat vagy salakot szállító vasutakat a gázvezeték felülről a sínpártól legalább 10 m magasságban keresztezzen, és a vezeték alatt hőterelő lemez legyen.
A gázvezeték a káros feszültségektől megfelelő vonalvezetéssel vagy kompenzátorok beépítésével védve legyen. A gázvezetéket a tartószerkezeteken úgy kell elhelyezni, hogy a különböző mozgások a gázvezeték felületét ne koptassák. Tartószerkezeteit méretezni kell. A légvezetéket az MSZ 2364 [Épületek villamos berendezéseinek létesítése] szabvány előírásai szerint vagy azzal egyenértékű műszaki megoldással földelni kell.
A létesítés körülményeitől függően a csatlakozó és/vagy fogyasztói vezeték épületen kívüli (szabadon szerelt) szakaszait a villámvédelmi rendszerbe be kell kötni az MSZ EN 62305 [Épületek villámvédelme] szabványban foglaltak szerint vagy azzal egyenértékű műszaki megoldással.
3.2.1.4. Épületbe történő belépés csatlakozó vagy fogyasztói vezetékkel
a) Épületbe térszint alatti bevezetésnél – nem fém csőanyag esetében – a belépés előtt fém csőanyagra (3.3. sz. táblázat) szükséges váltani [3.1.a) és 3.1.b) sz. ábra.].
3.1.a) sz. ábra Épületbe belépés kisnyomású csatlakozó vezetékkel (alápincézett)

3.1.b) sz. ábra Épületbe belépés kisnyomású csatlakozó vezetékkel (alápincézetlen)

b) Gondoskodni kell a fém anyagú vezetékek esetében a vezeték térszint alatti és feletti szakaszainak elektromos szétválasztásáról szigetelő közdarabbal.
c) Az átvezetés (védőcsöve) olyan külső bevonatú legyen, amelynek anyaga a falazat anyagával egybeépülve víztömör kötést képez.
d) Alápincézetlen épületbe térszint alatt csak a homlokzati fal belső felületéhez csatlakozó, járószintig nyitott szerelő aknán keresztül szabad belépni.
e) Az épületbe belépő csatlakozó vagy fogyasztói vezeték tervezési nyomása lakóépületeknél legfeljebb 4 bar lehet.
f) Az épület alapfalán térszint alatti átvezetés előre gyártott, és tanúsított kivitelű legyen.
g) A villamos szétválasztás a vezeték szabadon szerelt szakaszában legyen.
3.2.1.5. A csatlakozó és/vagy fogyasztói vezeték struktúrája
A vezeték sugaras hálózati elrendezésű legyen (ne legyen körvezeték).
A térszint alatti vezeték nyomvonala:
a) az épületre vonatkozó védőtávolságon belül arra merőleges,
b) azon kívül az épület falával párhuzamos vagy arra merőleges legyen.
3.2.2. Csatlakozó és / vagy fogyasztói vezeték épületen belüli nyomvonala
3.2.2.1. Általános előírások
A vezetéket úgy kell kialakítani és méretezni, hogy a tervezett állandósult, üzemszerű állapotban a csatlakozási nyomás a gázfogyasztó készülék névleges üzemi nyomásának feleljen meg (3.1. sz. táblázat).
A vezeték nyomvonalát úgy kell megtervezni, és védeni, hogy a vizsgálatok, a karbantartás, a gáz alá helyezés és az üzemzavar-elhárítás biztonságosan elvégezhetőek legyenek.
3.2.2.2. A csatlakozó- és/vagy fogyasztói vezeték elhelyezése épületen belül
A csatlakozó, és/vagy fogyasztói vezeték nyomvonala a lehető legrövidebb, a kötések száma a lehető legkevesebb legyen.
A csatlakozó és/vagy fogyasztói vezeték lehet:
a) az épület szerkezetein, falán bilincsezve vagy attól független csőtartókon;
b) falon belül burkolattal ellátva vagy elvakolva csak a földgázelosztó, valamint a cső gyártójának előírásai szerinti kivitelben és csak kisnyomású vezeték lehet; az ilyen vezeték nyomvonalának azonosíthatóságát biztosítani kell;
c) gázfogyasztó készülékek olyan szerkezetén, amelyek a gázvezetékre káros hőhatásoktól védettek.
A 0,8-nál nagyobb relatív sűrűségű gázok vezetékeit jól szellőzött helyen szabadban szerelve kell elhelyezni. Ha a padlócsatornába való szerelés elkerülhetetlen, akkor a csatornába fektetett vezetékeinél a csővezeték csatornáját homokkal kell feltölteni, vagy pedig a csatornába gázérzékelőket kell felszerelni, melyek gázszivárgás esetében vészjelzést adnak. Ha a gáz relatív sűrűsége 0,8-nál kisebb, megengedhető feltöltetlen csatornák létesítése is. A 0,8-nál nagyobb relatív sűrűségű gázt szállító csővezetékeket talajszintnél mélyebb padozatú helyiségen (pince, alagsor) átvezetni csak a két végén szellőzőcsővel ellátott védőcső alkalmazásával lehet.
A padlócsatorna jól szellőző legyen. Úgy kell kialakítani és helyezni, hogy abba üzemszerűen folyadék ne juthasson, az üzemzavar miatt bejutó folyadék pedig meghatározott helyre kifolyjon. A padlócsatorna-szakasz, amelyben fogyasztói vezeték van, legyen gáztömören elválasztott az olyan padlócsatorna-szakasztól, amelyben nincs gázvezeték. Üreges, túlnyomás nélküli közművezeték és erősáramú kábel a gázvezetéket tartalmazó padlócsatornában nem lehet, és azt csak védőcsőben keresztezheti.
A vezeték rögzítését és nyomvonalát úgy kell kialakítani, hogy abban káros mechanikai feszültség ne ébredjen.
A fogyasztói vezeték korrózióvédelméről az üzembe helyezést követően folyamatosan gondoskodni kell.
A csővezetékben alkalmazott mechanikai kötéseknek a húzásnak, hajlításnak ellenállónak kell lenni.
A padlón vagy a falon átmenő csővezetéket a legrövidebb úton, kötések nélküli elemi csőszálakból kell átvezetni. A fal- vagy padlóüregen keresztülvezető csővezetéket csőhüvelyben (védőcsőben) kell elhelyezni.
Gondoskodni szükséges a csővezeték és a védőcső közötti gyűrűs tér egyik vagy mindkét oldali időtálló víz-tömör lezárásáról és a vezetéket a védőcsőbe helyezése előtt passzív korrózióvédelemmel kell ellátni. A szigetelés megfelelőségét arra alkalmas módszerrel vizsgálni, megfelelőségét jegyzőkönyvben dokumentálni szükséges.
A vezeték nem helyezhető el:
a) szellőző aknában,
b) szellőzővezetékben,
c) szellőző gépházakban, ha a helyiségből történik a légbeszívás,
d) felvonógépházakban védelem nélkül,
e) égéstermék elvezető berendezésben,
f) égési levegő ellátó légjáratokban,
g) épület alatt földben,
h) lakószobában, kivéve a fogyasztói vezeték,
i) hűtőtérben, illetve hűtőhelyiségben,
j) az életvédelmi célú helyiségben, az abban elhelyezett gázfogyasztó készülék gázellátását biztosító fogyasztói vezeték kivételével,
k) „A” és „B” tűzveszélyességi osztályú helyiségekben,
l) a villamos elosztói berendezések és alállomások helyiségeiben,
m) olyan helyiségben, ahol a gázfogyasztó készülékek összes névleges hőterhelése nagyobb, mint 140 kW, kivéve az azt ellátó vagy a helyiség fűtését biztosító gázfogyasztó készülék fogyasztói vezetékét,
n) a 0,4 kV-nál nagyobb feszültségű erősáramú berendezést tartalmazó helyiségben, kivéve a helyiség fűtését szolgáló gázfogyasztó készülék gázellátása.
3.2.3. A csatlakozó és a fogyasztói vezetékek elhelyezési és anyagválasztási lehetőségeit (a választható anyagokat) a 3.3. sz. táblázat tartalmazza. A csatlakozó- és fogyasztói vezetékben oldható kötés csak a vezeték tartozékát képező szerelvények, gázfogyasztó készülékek kötéseinél megengedett.
a) Acél csőanyagok:
aa) a vezeték létesítéséhez felhasznált csőanyag feleljen meg a 3.3. sz. táblázatban megadott csőanyagoknak,
ab) a felhasznált anyagoknak rendelkezniük kell a megfelelőséget igazoló bizonylattal (gyártói megfelelőségi és szállítói megfelelőségi nyilatkozat),
ac) bontott csövet gázvezeték építéshez felhasználni nem szabad,
ad) nem használható fel olyan cső, amelynek felületét a tárolás során bekövetkezett korrózió szemcséssé tette.
Iránytörések:
ae) DN 20-nál nem nagyobb átmérőjű csövek esetében hajlítással, de a cső hajlításakor annak keresztmetszete nem csökkenhet, és körkörössége nem torzulhat,
af) DN 25 méretnél hajlítással vagy forrcső ív behegesztésével,
ag) DN 25-nél nagyobb átmérők esetében bizonylatolt előre gyártott idomok (forrcső ívek) behegesztésével történhet.
b) Rézcső és csőidom anyagok:
ba) az alkalmazott csőanyag (présidomos vagy tokos kötésű forrasztott) feleljen meg az MSZ EN 1057:2006+A1:2010 [Réz és rézötvözetek. Varrat nélküli, körszelvényű rézcsövek vízhez és gázhoz, egészségügyi és fűtési alkalmazásra] szabvány előírásainak vagy azzal egyenértékű műszaki megoldásnak,
bb) a csőanyag keménységi fokozata szabadon szerelt vezetéknél „kemény” (R 290) vagy „félkemény” (R 250), rejtett szerelésnél „lágy” (R 220) fokozatú is lehet. Falvastagsága 28 mm csőátmérőig legalább 1,0 mm, 28 mm-nél nagyobb és legfeljebb 42 mm csőátmérő esetében legalább 1,2 mm, 42 mm-nél nagyobb és legfeljebb 89 mm csőátmérő esetében legalább 2 mm, 89 mm csőátmérő felett 108 mm csőátmérővel bezárólag legalább 2,5 mm legyen,
bc) a tokos kötésű forrasztott vezeték szerelésénél felhasznált idomok az MSZ EN 1254-1 [Réz és rézötvözetek. Csővezeték armatúra. 1. rész: Szerelvények rézcsőhöz kapillárisan lágy vagy kapillárisan kemény forrasztható véggel.] szabvány előírásainak vagy azzal egyenértékű műszaki megoldásnak feleljenek meg,
bd) 28×1 m átmérőig helyszínen készült gépi csőhajlítás alkalmazható.
c) Rozsdamentes cső és csőidom: mind présfittinges, mind tompa illesztésű hegesztett kötéssel alkalmazható a megadott nyomáshatáron belül.
d) Polietilén cső és csőidom: Kizárólag földbe fektetve, épületen kívül alkalmazható, talajszint fölé vezetése (például gázmérőhöz történő felállás esetén) acél anyagú védőcsőben szerelve megengedett. Szerelése, hegesztése a PE vezetékekre vonatkozó utasítás [MSZ EN 1555 Műanyag csővezetékek éghető gázok szállítására. Polietilén csövek. Szabványsorozat] szerint történhet.
3.3.a) sz. táblázat

3.3.b) sz. táblázat

3.3.c) sz. táblázat

e) Acélcső az MSZ EN 10208-2 [Acélcsövek éghető közegek csővezetékeihez. Műszaki szállítási feltételek] vagy az MSZ EN 10255 [Hegesztésre és menetvágásra alkalmas ötvözetlen acélcsövek. Műszaki szállítási feltételek.] szabványnak vagy azzal egyenértékű műszaki feltételnek feleljen meg. Hegesztett kötéssel, hagyományos módon történő kivitelezés esetén hegesztett acélcsövek MSZ EN 10220 [Varratnélküli és hegesztett acélcsövek. Méretek és hosszegységenkénti tömegek] szabvány szerinti méretűek és az MSZ EN 10296-1 [Hegesztett acélcsövek mechanikai és általános műszaki célra – hegesztett acél] szerinti 2. minőségi csoportúak, vagy azzal egyenértékű műszaki méretűek és minőségűek legyenek. 16 bar üzemi nyomásnál nagyobb nyomású acélcsövekre az MSZ EN 1594 [Gázellátó rendszerek. 16 bar-nál nagyobb üzemi nyomású csővezetékek. Műszaki követelmények] szabvány vagy azzal egyenértékű műszaki követelmény vonatkozik.
Rozsdamentes acélcső: mind présfittinges, mind tompa illesztésű hegesztett kötéssel alkalmazható a megadott nyomáshatáron belül.
f) Rézcső (forrasztható és sajtolható kötéssel): Kemény forrasztással történő kivitelezés esetén; MSZ EN 1057:2006+A1:2010 [Réz és rézötvözetek. Varrat nélküli, körszelvényű rézcsövek vízhez és gázhoz, egészségügyi és fűtési alkalmazásra] szerinti minőségűek (Cu-DHP) és méretválasztékúak legyenek. A csövek minimális falvastagsága 1 mm legyen. Keménységi fokozat szabadon szerelt vezetéknél „kemény” (R 290) vagy „félkemény” (R 250), rejtett szerelésnél „lágy” (R 220) fokozatú is lehet.
A rézcsőre vonatkozó követelmények szabványai:
MSZ EN 1057:2006+A1:2010 [Réz és rézötvözetek. Varrat nélküli, kör szelvényű rézcsövek víz és gáz részére, egészségügyi és fűtési alkalmazásra.]
MSZ EN 1254-1 [Réz és rézötvözetek. Csővezeték armatúra. 1. rész: Szerelvények rézcsőhöz kapillárisan lágy vagy kapillárisan kemény forrasztható véggel.]
prEN 1254-7 [Présidomos végű szerelvények fémcsövekhez.]
g) Polietilén cső: Kizárólag földbe fektetve, épületen kívül alkalmazható, valamint épület falához vagy gázmérőhöz történő felállás esetén acél anyagú védőcsőben szerelve. Szerelése, hegesztése a PE vezetékekre vonatkozó utasítás [MSZ EN 1555 Műanyag csővezetékek éghető gázok szállítására. Polietilén csövek. Szabványsorozat] szerint történhet.
h) A táblázatban nem szereplő anyagminőségű cső: akkor használható, ha annak magyarországi alkalmazását – figyelemmel az elhelyezés körülményeire – akkreditált intézet minősítette.
3.2.4. A csatlakozó vezetékeket és felhasználói berendezést a földgázelosztó által felülvizsgált és műszaki biztonsági szempontból kivitelezésre alkalmasnak minősített tervdokumentáció alapján szabad létesíteni.
3.2.4.1. Vezetékek kötései
A csatlakozó- és fogyasztói vezetékek csőkötéseinél hegesztett vagy a vonatkozó jogszabály alapján feljogosított szervezet által tanúsított más kötéstechnológiát szabad alkalmazni.
Menetes, karimás, roppantó-gyűrűs, hollandi anyás kötések csak szerelvényekhez, idomokhoz, mérőelemekhez, szigetelő közdarabokhoz, műszerekhez és karimás csővég lezárásokhoz alkalmazhatóak.
3.2.5. Elzáró szerelvényt a csatlakozó vezeték és/vagy fogyasztói vezeték épületbe belépési pontjánál vagy a belépési pont közelében hozzáférhető helyen kell beépíteni.
3.2.5.1. Ezt a feltételt a közép- vagy nagyközép nyomású ellátás esetén a telekhatár közelében elhelyezett nyomásszabályozó elzáró szerelvénye is kielégíti (ld. 3.2. sz. ábra).
3.2. sz. ábra Telekhatáron, kerítésben elhelyezett házi nyomásszabályozó és gázmérő

3.2.5.2. A telekhatártól távolabb elhelyezkedő épületeknél az épületbe csatlakozás előtt indokolt esetben – a felhasználó számára könnyen hozzáférhető helyen -, ha azt biztonsági okok (a fogyasztói főelzáró épülettől való távolsága) indokolttá teszik.
3.2.5.3. Ha épületen belül van a nyomásszabályozó, akkor az épületbe belépés előtt, az épületen kívül is kell egy elzáró szerelvényt beépíteni (ld. 3.4. sz. ábra). A nyomásszabályozó épületen belül történő elhelyezéséhez a földgázelosztó további műszaki biztonsági feltételeket határozhat meg.
3.2.5.4. A több felhasználói helyet kiszolgáló csatlakozó- és/vagy fogyasztói vezetékek leágazásánál szakaszolási hely (vagy ún. strang) elzáró, továbbá a földgázelosztó által megjelölt helyeken.
3.2.5.5. A szakaszoló szerelvények illetéktelenek által történő használatának megakadályozására szükség szerint intézkedéseket kell tenni.
3.2.5.6. A szakaszoló elzáró szerelvény:
a) kézi vagy gépi, de kézzel is működtethető legyen,
b) zárási szöge lakossági felhasználó esetében 90° legyen,
c) nyitott és zárt állapota egyszerűen, rátekintéssel megállapítható,
d) kezelése egyszerű és biztonságos legyen,
e) mindig működőképesnek és kezelhetőnek kell lennie,
f) helyét és zárási funkcióját időt álló táblával kell jelölni.
3.2.5.7. Készülék elzáró szerelvényként automatikus biztonsági záró szerelvény is megfelel, ha a beépítés helyén az automatikus zárást biztosító szerkezet hibája esetén kézzel működtetve is gáztömören zárható.
3.2.6. Gáznyomás-szabályozók
A Szabályzat alkalmazásában a nyomásszabályozók névleges térfogatáram és bemenő nyomás alapján a következők szerint osztályozandók (3.4. sz. táblázat):
a) házi nyomásszabályozó, amelyeknek névleges térfogatárama legfeljebb 40 m3/h, bemenő nyomása legfeljebb 16 bar,
b) egyedi nyomásszabályozó állomás, amelynek névleges térfogatárama nagyobb, mint 40 m3/h, de legfeljebb 200 m3/h, bemenő nyomása kisebb, mint 100 bar,
c) ipari nyomásszabályozó állomás, amelynek névleges térfogatárama nagyobb, mint 200 m3/h, és bemenő nyomása kisebb, mint 100 bar.
3.4. sz. táblázat

3.2.6.1. Házi nyomásszabályozók és egyedi nyomásszabályozó állomások
3.2.6.1.1. Összhangban az MSZ EN 12279 [Gázellátó rendszerek. Gáznyomás-szabályozók a csatlakozóvezetékben. Műszaki követelmények.] szabvány vagy azzal egyenértékű műszaki megoldás előírásaival, épületen kívül a nyomásszabályozó elhelyezhető:
a) telekhatáron kerítésben (ld. 3.2. sz. ábra),
b) telekhatáron belül, lehetőleg annak közelében,
c) épület falán vagy falába süllyesztve,
d) kapualjban (legfeljebb középnyomású – ld. 3.3. sz. ábra),
e) épületen belül legfeljebb középnyomású (külön feltételekkel – ld. a 3.4. sz. ábra szerint), az épületen belül történő nyomásszabályozó elhelyezés esetén a földgázelosztó külön feltételeit is be kell tartani,
f) épület lapos tetején,
g) épületen kívül földbe süllyesztve a földgázelosztó technológiai utasítása szerint.
3.3. sz. ábra Kapualjban elhelyezett középnyomású házi nyomásszabályozó

3.2.6.1.2. A földgázelosztó technológiájában a fentiektől eltérő elhelyezést is előírhat.
3.2.6.1.3. Általános elhelyezési feltételek
a) Valamennyi nyomásszabályozónak, ami nem épületen belül kerül elhelyezésre, mechanikai és csapadék elleni védelemmel kell rendelkeznie (védőszekrény, védődoboz). Az épületben elhelyezett nyomásszabályozók mechanikai védelméről akkor kell gondoskodni, ha azok közlekedési útvonalba esnek vagy egyéb mechanikai károsodásnak vannak kitéve.
b) Egy helyrajzi számú közös telken lévő felhasználók gázellátását egy csatlakozási ponton keresztül (egy fogyasztói főelzáró), lehetőleg egy nyomásszabályozóról kell megvalósítani (ld. 3.5. sz. ábra).
c) Az épületen belül elhelyezett házi nyomásszabályozó biztonsági membránnal rendelkezzen, vagy kétfokozatú legyen és a membrántér a szabadba legyen kiszellőztetve a 3.4. sz. ábrán látható változatoknak megfelelően. Közvetlenül az épületbe belépés helyén – az épületen belül – hőre záró elzáró szerelvényt kell beépíteni. Az épületen belül az előzőek szerinti feltételekkel elhelyezett nyomásszabályozó és kapcsolódó gépészeti berendezéseinek telepítése során a külső elhelyezésű nyomásszabályozók nyílászárókhoz rendelt védőtávolságait nem kell alkalmazni. A nyomásszabályozó épületen belül történő elhelyezésénél a legfeljebb 100 m3/h névleges együttes névleges térfogatáramú membrános gázmérők elhelyezésének követelményei szerinti feltételeket kell megtartani. A nyomásszabályozó elhelyezését a földgázelosztó további feltételekhez kötheti.
3.4. sz. ábra A házi nyomásszabályozó védőtávolságainak és a lefúvató elhelyezésének
a) Épületen kívül közép vagy nagyközép nyomású házi nyomásszabályozó

b) Épületen belül középnyomású házi nyomásszabályozó

3.5. sz. ábra Egy helyrajzi számú telken lévő lakóépületek gázellátása

3.2.6.1.4. Középnyomású házi nyomásszabályozók elhelyezése
a) Házi nyomásszabályozó kapualjban és nem huzamos emberi tartózkodásra szolgáló helyiségben elhelyezve legfeljebb középnyomású lehet. A helyiség, amelyben a szabályozót felszerelik, a földszinten vagy alagsorban legyen. Épületen belüli határoló falszerkezet legalább A1 tűzvédelmi osztályú, EI 90 tűzállóságú teljesítményű legyen. Szellőző az épület más helyiségei felé nem alakítható ki.
b) A középnyomású házi nyomásszabályozó külső határoló felülete és az épületek nyílászárói, illetve nyílásai (beleértve az ingatlan légellátását biztosító valamennyi nyílást is) között vízszintes vetületben a gyorszár és biztonsági lefúvató zárási-, illetve nyitási nyomás beállítási sorrendjétől függően a MSZ EN 12279 [Gázellátó rendszerek. Gáznyomás-szabályozók a csatlakozóvezetékben. Műszaki követelmények.] szabványban vagy azzal egyenértékű műszaki megoldásban meghatározott védőtávolságokat kell betartani (ld. 3.4. sz. ábra). Nem vonatkozik ez az előírás az épületben elhelyezett nyomásszabályozó állomás gépészeti berendezéseit tartalmazó közös használatú helyiségre és különálló helyiség épületen belüli határoló felületeire.
c) A középnyomású nyomásszabályozó kétfokozatú legyen, ha az utána következő gázmérő (gázmérők) épületen belül vannak elhelyezve.
3.2.6.1.5. Nagyközép nyomású házi nyomásszabályozók és egyedi nyomásszabályozó állomások elhelyezése
a) Abban az esetben, ha a nyomásszabályozó elhelyezése az MSZ EN 12279 [Gázellátó rendszerek. Gáznyomás-szabályozók a csatlakozóvezetékben. Műszaki követelmények.] szabvány A. melléklet 2. és 3. számú beépítési módozata szerint történik, akkor a válaszfalakat és cső-, valamint kábel csatornákat (amelyek kapcsolatban vannak a szabályozó elhelyezésére szolgáló zárt szekrénnyel, különválasztott helyiséggel) oly módon kell leszigetelni, hogy az esetleges gázszivárgás más térséget ne veszélyeztessen.
b) Az MSZ EN 12279 [Gázellátó rendszerek. Gáznyomás-szabályozók a csatlakozóvezetékben. Műszaki követelmények.] szabvány A. melléklet 2. és 3. számú beépítési módozata szerinti elhelyezés esetén a szabályozót befoglaló szekrény vagy térrész az épület többi részétől az épület szintszámának és tűzállósági fokozatának megfelelő falszerkezettel, födémmel legyen leválasztva. Az alkalmazott álmennyezet csak A1 tűzvédelmi osztályú lehet.
c) A nyomásszabályozó elhelyezésére szolgáló helyiség bejárati ajtója a szabad felé kifelé nyíljon, nyitott állapotban rögzíthető legyen, és alkalmas legyen zárt állapotban az illetéktelenek távoltartására. Az ajtó belülről kulcs nélkül nyitható legyen. Az előtte lévő nyílt tér felé vezető utakat mindig szabadon kell hagyni. Az ajtó (ajtók) és szellőző nyílások a nyitható ablakoktól, ajtóktól, valamint egyéb épületek nyílásaitól biztonságos távolságra legyenek. Más zárt tér felé nem lehet nyílásuk.
d) A nyomásszabályozó háza (szekrénye) a szabadlevegő felé közvetlenül kiszellőztetett legyen. A szellőzőnyílásokat eltakarás elől védeni kell, erre kihelyezett jelzőtáblával is fel kell hívni a figyelmet. Az MSZ EN 12279 [Gázellátó rendszerek. Gáznyomás-szabályozók a csatlakozóvezetékben. Műszaki követelmények.] szabvány A. melléklet 2. sz. beépítési módozata esetén a szabályozó helyiségének padozata antisztatikus és szikrát nem adó burkolatú legyen.
e) Az MSZ EN 12279 [Gázellátó rendszerek. Gáznyomás-szabályozók a csatlakozóvezetékben. Műszaki követelmények.] szabvány A. melléklet 5. sz. módozata szerinti beépítésénél, ahol nem lehetséges a közúti forgalom előli elzárás, az akna fedlap a terhelésnek feleljen meg. A víz behatolását meg kell akadályozni.
f) Egyedi nyomásszabályozó állomások különálló, nem emberi tartózkodásra szolgáló helyiségben is elhelyezhetőek.
g) Egyedi nyomásszabályozó állomás épület lapos tetején történő elhelyezés esetében a tetőszerkezet megfelelő szilárdságú legyen. A belépő oldali gázvezetékben épületen kívül, térszinten, kezelési magasságban szakaszoló szerelvényt kell beépíteni. A nyomásszabályozó állomás villámvédelmét az MSZ EN 62305 [Épületek villámvédelme] szabvány szerint vagy azzal egyenértékű műszaki megoldással kell biztosítani. A villámvédelmet csak az Országos Tűzvédelmi Szabályzat előírásai szerint jogosult tervező tervezheti meg.
3.2.6.1.6. Házi nyomásszabályozók és egyedi nyomásszabályozó állomások gépészeti követelményei
Valamennyi nyomásszabályozó legalább a következő szerelvényeket tartalmazza (a gáz áramlási irányában felsorolva):
a) elzáró szerelvény (ha épületen belül van a szabályozó, akkor épületen kívül is legyen elzáró szerelvénye),
b) szűrő,
c) automatikus működésű biztonsági gyorszár (100 mbar-nál nem nagyobb bemenő nyomású szabályozó – általában készülékszabályozó – esetében túlnyomás elleni védelemre nincs szükség),
d) nyomásszabályozó készülék (monitor szabályozás esetében egy darab hibára nyitva maradó és egy darab hibára záró),
e) biztonsági lefúvató (kivéve a monitorszabályozást).
A gyorszárral és lefúvatóval egy készülékbe szerelt (kompakt) házi nyomásszabályozókhoz kerülővezetéket nem szabad létesíteni. Az egyedi nyomásszabályozó állomások bemenő- és szabályozott oldali (elmenő) csőszakaszába a szabályozott gáznyomást mérő műszert kell beépíteni.
Az egyedi nyomásszabályozó állomás szabályozott oldali szerelvényeit követően (a gáz áramlási iránya szerint) elzáró szerelvényt is be kell építeni.
Egyedi nyomásszabályozók esetében kerülő vezeték csak az MSZ EN 12186 [Gázellátó rendszerek. Gáznyomás szabályozó állomások gázellátáshoz és gázelosztáshoz. Műszaki követelmények.] szabvány vagy azzal egyenértékű műszaki megoldás szerinti, 16 barnál nagyobb bemenő nyomású szabályozóknál alkalmazható.
3.2.6.1.7. Házi nyomásszabályozók és egyedi nyomásszabályozó állomások kibocsátási forrásainak zónabesorolása
Középnyomású házi nyomásszabályozók és egyedi nyomásszabályozó állomások esetében robbanásveszélyes övezetet nem értelmezünk, helyette a 3.4. sz. ábra szerinti távolságokat védőtávolságokként kell értelmezni és ezen távolságokon belüli térrészben nem kell az MSZ EN 60079-10 [Villamos gyártmányok robbanóképes gázközegekben. A robbanásveszélyes térségek besorolása.] szabvány szerinti feltételeket biztosítani.
A nagyközép nyomású házi nyomásszabályozó és egyedi nyomásszabályozó állomás szekrényének, helyiségének belső tere robbanásveszélyes (RB) 2-es zónába tartozik az MSZ EN 60079-10 [Villamos gyártmányok robbanóképes gázközegekben. A robbanásveszélyes térségek besorolása.] szabvány szerint.
Az (RB) 2-es zóna a szabályozót tartalmazó védőszekrény határoló felületétől vízszintesen minden irányban és függőlegesen lefelé mérve 1 m, függőlegesen felfelé 1,5 m-ig terjed ki (ld. 3.4. sz. ábra). Ezen övezeten belül nem lehet nyílászáró vagy olyan elektromos berendezés, gyújtóforrás, amely nem elégíti ki az MSZ 60079-14 [Villamos gyártmányok robbanóképes gázközegekben. Villamos berendezések létesítése robbanásveszélyes térségekben.] szabvány vagy azzal egyenértékű műszaki megoldás és a vonatkozó jogszabályok [az építési termékek műszaki követelményeinek, megfelelőség igazolásának, valamint forgalomba hozatalának és felhasználásának részletes szabályairól szóló 3/2003. (I. 25.) BM-GKM-KvVM együttes rendelet; a potenciálisan robbanásveszélyes környezetben levő munkahelyek minimális munkavédelmi követelményeiről szóló 3/2003. (III. 11.) FMM-ESzCsM együttes rendelet; a potenciálisan robbanásveszélyes környezetben történő alkalmazásra szánt berendezések, védelmi rendszerek vizsgálatáról és tanúsításáról szóló 8/2002. (II. 16.) GM rendelet] előírásait. Amennyiben a biztonsági szerelvények működési sorrendje: biztonsági lefúvató, majd gyorszár, abban az esetben a zóna kiterjedésének méreteit a tervezőnek egyedileg kell meghatározni.
Az épületen belül elhelyezett – legfeljebb középnyomású, alsó- és felső nyomáshatárolással, és biztonsági lefúvatóval ellátott – nyomásszabályozó lefúvató csonkját csővezetéken ki kell vezetni a szabadtér olyan részére, ahol a csővégződés – vízszintesen és lefelé mért 1 m-es, valamint függőlegesen felfelé mért 1,5 m-es – körzetében nyílászáró, vagy nem RB védettségű villamos berendezés nincs, és a szabad kiszellőzésnek nincs akadálya.
A védőmembránnal rendelkező házi nyomásszabályozó lefúvató vezetékét nem szükséges kivezetni.
3.2.6.1.8. Gondoskodni kell a fémesen kapcsolódó szerelvények, csővezetékek egyen-potenciálra hozásáról.
3.2.6.2. Ipari nyomásszabályozó állomások
3.2.6.2.1. Általános követelmények
Ezeket a nyomásszabályozó állomásokat a vonatkozó szabványok [MSZ EN 12186 Gázellátó rendszerek. Gáznyomás-szabályozó állomások gázellátáshoz és gázelosztáshoz. Műszaki követelmények. MSZ EN 12279 Gázellátó rendszerek. Gáznyomás szabályozók a csatlakozóvezetékben. Műszaki követelmények. MSZ EN 60079-10 Villamos gyártmányok robbanóképes gázközegekben. A robbanásveszélyes térségek besorolása. MSZ EN 60079-14 Villamos gyártmányok robbanóképes gázközegekben. Villamos berendezések létesítése robbanásveszélyes térségekben.], vagy azzal egyenértékű műszaki megoldások előírásainak betartásával kell tervezni, gyártani, telepíteni és üzemeltetni.
A tervezéskor meg kell határozni:
a) a szabályozó állomás elhelyezési feltételeit,
b) az állomás elrendezését,
c) a helyszín biztonsági követelményeit,
d) a környezeti és közeg hőmérséklet határokat.
3.2.6.2.2. A helyszín kialakítása
A nyomásszabályozó állomás gépészeti berendezéseinek elhelyezésére szolgáló létesítmény (épület, lemezszekrény, akna, fél szabadtér, süllyesztett kivitel) feleljen meg az MSZ EN 12186 [Gázellátó rendszerek. Gáznyomás-szabályozó állomások gázellátáshoz és gázelosztáshoz. Műszaki követelmények.] szabvány vagy azzal egyenértékű műszaki megoldás előírásainak.
A gáznyomás-szabályozó állomást úgy kell kialakítani, hogy oda illetéktelen személyek ne léphessenek be, azt a létesítményen kívülről származó veszélyes hatások ne érhessék.
A dohányzást és egyéb gyújtóforrás használatát jól látható jelöléssel meg kell tiltani.
A vészhelyzetben hívható telefonszámot tartalmazó táblát jól látható helyen kell elhelyezni.
A létesítés helyszíne legyen elegendően nagy a berendezések elhelyezéséhez, valamint a karbantartási munkák végzéséhez.
Szilárd burkolattal ellátott megközelítési útvonalat kell biztosítani a létesítmény megközelítésére, és a létesítményen belül a karbantartáshoz.
Meg kell határozni a vészkijáratok kialakításának szükségességét és indokoltságát.
A létesítmény határait, a veszélyes terület nagyságát a Szabályzat „Ipari nyomásszabályozó állomások robbanásveszélyes zónáinak meghatározása” pontja és a 7.2. szakasz szerint kell meghatározni.
Az ipari nyomásszabályozó állomások berendezései vagy annak részei elhelyezhetők szabad térben, tető alatt vagy zárt térben. A zárt téri létesítmények a következő kategóriákba sorolhatóak:
a) önálló épületben elhelyezett állomás,
b) szekrényben elhelyezett állomás,
c) más célra szolgáló épület egy részében, vagy más célra szolgáló épületen belül elhelyezett állomás,
d) föld alatt elhelyezett állomás.
A 4 barnál nagyobb MOP esetén az állomás számára külön elkülönített teret kell kialakítani.
A nyomásszabályozó elhelyezésére szolgáló helyiség bejárati ajtója a szabad felé kifelé nyíljon, nyitott állapotban rögzíthető legyen és alkalmas legyen zárt állapotban az illetéktelenek távoltartására. Az ajtó belülről kulcs nélkül nyitható legyen. Az előtte lévő nyílt tér felé vezető utakat mindig szabadon kell hagyni. Az ajtó (ajtók) és szellőző nyílások a nyitható ablakoktól, ajtóktól, valamint egyéb épületek nyílásaitól biztonságos távolságra legyenek. Más zárt tér felé nem lehet nyílásuk.
A szabályozó helyiségének padozata antisztatikus és szikrát nem adó burkolatú legyen.
A szabályozó helyiség fűtésére kizárólag indokolt esetben, és csak olyan fűtőberendezés alkalmazható, amelynek az égési tere el van zárva a szabályozó helyiség légterétől és felületi hőmérséklete legfeljebb 350 °C hőmérsékletet nem lépi túl.
Aknába telepített nyomásszabályozó esetében az akna alján szívó zsompot kell kialakítani.
3.2.6.2.3. Gépészeti követelmények
A nyomásszabályozó állomás kialakítása olyan legyen, hogy:
a) a tervezett körülmények között biztosítsa a tervezett üzemviteli feltételeket;
b) a gázgépészeti szerelvények a gáz áramlási irányát tekintve a következők legyenek: elzáró szerelvény, gázszűrő, nyomásszabályozó, gyorszáró szelep, biztonsági lefúvató, elzáró szerelvény;
c) védje meg a csatlakozó vezetéket és felhasználói berendezést a káros túlnyomásoktól;
d) legyen az állomáson kívül (belépő és kilépő oldalon) szakaszoló szerelvény;
e) a kilépő oldali elzáró szerelvény előtt – a monitor szabályozó kivételével – legyen beépített biztonsági szelep és kézi lefúvató vezeték;
f) mind a belépő oldalon, mind a szabályozott oldalon nyomásmérő és nyomásregisztráló műszer legyen felszerelve.
3.2.6.2.4. Nyomáshatároló rendszerek
A nyomásszabályozó állomást a szabályozott (kimenő) oldali nyomás beállított értéken való tartása céljából nyomáshatároló biztonsági rendszerrel kell felszerelni a következő esetekben:
a) Nincs szükség biztonsági rendszerre, ha a MOPbemenő oldali < MIPkimenő oldali vagy MOPbemenő oldali < 100 mbar,
b) Önálló nyomáshatároló rendszert kell alkalmazni, ha MOPbemenő oldali > MIPkimenő oldali,
c) Önálló nyomáshatároló rendszert, és második berendezést kell alkalmazni,
ha MOPbemenő oldali – MOPkimenő oldali > 16 bar és MOPbemenő oldali > STPkimenő oldali
3.2.6.2.5. Zajszabályozás, zajszint
A nyomásszabályozó állomást úgy kell kialakítani, hogy az feleljen meg a vonatkozó rendeletnek [a környezeti zaj- és rezgésterhelési határértékek megállapításáról szóló 27/2008. (XII. 3.) KvVM-EüM együttes rendelet] is.
3.2.6.2.6. Szellőzés
A zárt térben – épületben, lemezszekrényben, föld alatt (földalatti elhelyezéshez a földgázelosztó külön engedélye szükséges) – elhelyezett gáznyomás szabályozó állomás helyiségét nyílásokon keresztül közvetlenül a nyílt légtér felé szellőztetni kell. A szellőzőnyílások teljes szabad keresztmetszete legalább akkora legyen, mint a padló felület 1%-a. A hatásos szellőzés érdekében alsó és felső szellőzőket kell beépíteni lehetőség szerint a helyiség egymással szemközti szabaddal határos falába. Az aknában (föld alatt) elhelyezett nyomásszabályozó állomások szellőzőnyílásait vagy az egymással szembeni sarkokon, vagy a kiemelt akna fedlap szegélyét kísérő körbefutó réssel vagy szellőző vezetékkel kell biztosítani. A szellőzést úgy kell méretezni, hogy az legalább a helyiség térfogatának óránkénti ötszöröse legyen.
3.2.6.2.7. Szellőzővezetékek kialakítása
A szellőző vezetéket úgy kell kialakítani, hogy annak szabadtéri végződése csapadéktól védve legyen.
A meghatározott célú szellőzővezetékeket és a nyomásmentesítő vezetékeket nem szabad egy fejcsőben egyesíteni a lefúvató vezetékekkel.
3.2.6.2.8. Az állomások villamos berendezésével szemben támasztott követelmények
Nyomásszabályozó állomás területén belül elhelyezett villamos berendezések legalább a „2”-es zónának megfelelő védelemmel rendelkezzenek, robbanásveszélyes zónáikat a Szabályzat „Ipari nyomásszabályozó állomások robbanásveszélyes zónáinak meghatározása” pontja és a 7.2. szakasz szerint kell meghatározni. Az alkalmazni kívánt villamos gyártmányokat az MSZ EN 60079-14 [Villamos gyártmányok robbanóképes gázközegekben. 14. rész: Villamos berendezések létesítése robbanásveszélyes térségekben (a bányák kivételével)] szabvány vagy azzal egyenértékű műszaki megoldás szerint kell megválasztani.
3.2.6.2.9. Villám- és érintésvédelem
A kiviteli tervdokumentációban külön tervfejezetben kell meghatározni az alábbiakat:
a) a villámvédelem megoldását [Országos Tűzvédelmi Szabályzat; MSZ EN 62305 Épületek villámvédelme], amelyet csak arra jogosultsággal rendelkező tervező tervezhet;
b) az érintésvédelem megoldását [MSZ 2364 Épületek villamos berendezéseinek létesítése] kábelek és villamos vezetékek túlfeszültség elleni védelmét;
c) elektronikus készülékek esetében a túlfeszültség elleni finomvédelmi egységekkel történő kiegészítést;
d) a villamosan vezető részegységek villamos összekötését és a földelő vezetékhez történő csatlakoztatását;
e) a villamos energiaforrás földelése, a műszerek földelése és a katódos védelem rendszere közötti kölcsönhatás kizárását.
3.2.6.2.10. Az állomások tűzvédelme
Az állomás tűzvédelmét a vonatkozó előírások [Országos Tűzvédelmi Szabályzat; MSZ EN 1775 Gázellátás. Fogyasztói gázvezetékek. Legnagyobb üzemi nyomás < 5 bar. Műszaki előírások.] szerint kell kialakítani.
3.2.6.2.11. Katódos védelem és villamos szigetelés
A csővezetékek katódos védelme esetén gondoskodni kell a nyomásszabályozó állomás bemenő- és kimenőoldali csővezetékeinek villamos leválasztásáról.
3.2.6.2.12. Egyesített gáznyomás szabályozó és mérő állomások
Az egyesített nyomásszabályozó és mérőállomásokra az MSZ EN 1776 [Gázellátó rendszerek. Földgáz mérő állomások. Műszaki követelmények.] szabvány vagy azzal egyenértékű műszaki megoldás szerinti kiegészítő követelményeket kell alkalmazni.
A tervező a gázmérő csatlakozását, teljesítményét és típusát, valamint a nyomásszabályozó típusát és annak üzemvitel szempontjából szükséges szerelvényezését, illetve védelmét a csatlakozó vezeték üzembe helyezési munkáinak feltételeit a földgázelosztóval vagy a pébégáz forgalmazóval előzetesen egyeztetni köteles.
3.2.6.2.13. Ipari nyomásszabályozó állomások robbanásveszélyes zónáinak meghatározása
A tervezőnek a nyomásszabályozó állomások tervezésekor az MSZ EN 60079-10 [Villamos gyártmányok robbanóképes gázközegekben. A robbanásveszélyes térségek besorolása.] szabvány vagy azzal egyenértékű műszaki előírás alapján olyan műszaki megoldást kell alkalmazni, hogy normál üzemben robbanóképes légtér ne alakulhasson ki. E szabvány nem vonatkozik azokra az esetekre, amikor a robbanásveszélyt üzemzavar (például csővezeték törése) okozza.
A nyomásszabályozó állomás normál üzemi körülmények között zárt rendszert képez. Környezetét nem veszélyezteti.
A nyomásszabályozó állomás biztonsági gyorszárának felső zárási nyomását és a biztonsági lefúvató nyitási nyomását úgy kell megtervezni és az üzembe helyezéskor beállítani, hogy a megengedett felső érték elérésekor először a gyorszár zárjon, majd a beállított nyitónyomás esetén nyisson a lefúvató szelep. A biztonsági lefúvató vezetékek átmérője legfeljebb DN 50 (2″) legyen.
A felsorolt feltételektől eltérő kivitelű nyomásszabályozó állomások robbanásveszélyes zónáit egyedileg kell meghatározni.
3.2.6.2.13.1. A kibocsátó források elhelyezkedésük alapján zárt téri vagy szabad téri csoportba sorolandók.
3.2.6.2.13.2. Zárt térben található kibocsátó források zónabesorolása
Normál üzemben a nyomásszabályozó állomás gépészeti berendezésein gázszivárgás vagy gázkibocsátás nem fordulhat elő. Zárt téri kibocsátó források a szekrény belsejében lévő oldható csőkötések és impulzuscső szerelvények lehetnek.
Kibocsátás mértéke és fokozata:
a) Folyamatos fokozatú kibocsátás: Folyamatos vagy várhatóan hosszú időtartamig tartó kibocsátás.
b) Elsőrendű fokozatú kibocsátás: Olyan kibocsátás, amely normál üzemben várhatóan rendszeresen vagy esetenként előfordul.
c) Másodrendű fokozatú kibocsátás: Olyan kibocsátás, amely normál üzemben várhatóan nem fordul elő, ha előfordul, akkor valószínűleg ritkán és rövid időtartamban.
Az oldható csőkötések és impulzuscső szerelvények normál üzemben nem szivárognak, nem bocsátanak ki gázt. A levegőbe csak szűrőbetét cserénél vagy gáz alatti munkavégzés esetén kerülhet gáz, ennek veszélyességi zónáit és a munkavégzés körülményeit a karbantartási technológiában kell szabályozni.
A nyomásszabályozó állomás belsejében lévő kibocsátó források fokozata másodrendű, mert normál üzemben várhatóan nem fordul elő kibocsátás, ha előfordul, akkor valószínűleg ritkán és rövid időtartamra.
3.2.6.2.13.3. A szellőzés fokozatai
A szellőzés fokozata „közepes”, mert szabályozza a koncentrációt olyan stabil állapotot biztosítva, amelyben a koncentráció és zónahatáron kívül folyamatos kibocsátás esetében is az ARH 20%-a alatt van, és ahol a kibocsátás megszűnése után nem marad fenn jelentős mennyiségű robbanóképes gázközeg.
3.2.6.2.13.4. A szellőzés típusa „természetes szellőzés”.
a) Szellőző felületek nagysága a zárt tér alapterületének legalább 1%-a legyen.
b) A szellőzők úgy helyezkedjenek el, hogy a zárt tér teljes mértékű átszellőzését biztosítani tudják.
c) A teljes szellőző keresztmetszet felét kitevő szellőző felület a zárt tér alsó szintjén, míg a másik felét a zárt tér felső szintjén kell elhelyezni.
d) A szellőzőnyílásokat nem hagyhatja el az ARH 20%-nál magasabb koncentrációjú gázközeg normál üzemben.
3.2.6.2.13.5. A szellőzés üzembiztonsága
A szellőzés üzembiztonsága „jó”, mert a szellőzés gyakorlatilag folyamatos.
Földalatti aknába telepített nyomásszabályozó állomás esetében a nyitható akna fedlapja és az akna pereme között körbefutó rést vagy szellőzővezetéket kell kialakítani a szellőzés biztosítására.
Földbe süllyesztett kombinált gáznyomás-szabályozó állomás esetében a szellőzés megfelelőségét a tervezőnek számítással kell igazolnia.
3.2.6.2.13.6. A nyomásszabályozó állomások elárasztási zóna típusa
A zóna típusa: „2”-es, mely olyan térség, amelyben normál üzemben robbanóképes gázközeg várhatóan nem fordul elő, és ha mégis előfordul, akkor várhatóan csak ritkán és csak rövid ideig marad fenn.
A gyártói karbantartási utasításokban meghatározott karbantartási ciklusok közötti időtartamban és normál üzemi körülmények között a tömörség alapkövetelmény.
3.2.6.2.13.7. Az elárasztási zóna kiterjedése
A gépészeti berendezéseket magában foglaló zárt – de természetes szellőzéssel rendelkező – légtér teljes térfogata az elárasztási zóna.
A megfelelő – „közepes” – szellőzés mellett a zárt teret 2-es zónába kell sorolni.
A szellőzőnyílások környezetében robbanásveszélyes zóna nem értelmezhető.
Csak gáz kiáramlással járó üzemzavar vagy karbantartás esetében értelmezhető a fennmaradási idő.
3.2.6.2.13.8. Az állomások szabadtéri környezetének besorolása
a) Kibocsátó források
Normál üzemben a nyílt térben lévő szerelvények és kötéseik gáztömörek, ezért a körülöttük lévő térben robbanóképes gázközeg várhatóan nem fordulhat elő.
A körülöttük levő térség nem robbanásveszélyes térség.
Üzemzavari állapotnak (nem normál üzemi körülménynek) kell tekinteni a lefúvató működését.
Szabadtéri kibocsátó forrásnak kell tekinteni a nyomásszabályozó állomás lefúvató vezetékének a szabad térbe kivezetett végét.
b) Az elárasztási zóna kiterjedése
A zóna kiterjedését és méretét a 3.5. sz. táblázatban megadott kibocsátási mértékek szerint kell meghatározni. A zóna méretek értelmezése a 3.6. sz. ábrán látható.
Amennyiben a lefúvató kibocsátási értékei nem egyeznek a táblázat gázkibocsátási értékeivel, úgy a hozzá legközelebb eső eggyel nagyobb gázkibocsátási értéket és az ehhez tartozó zónaméreteket kell alkalmazni.
A lefúvatón kibocsátott gáz tömegáram és a lefúvató cső méretének függvényében a robbanásveszélyes zóna méretei:
3.5. sz. táblázat

3.6. sz. ábra A nyomásszabályozó állomás lefúvató csöve körül kialakuló robbanásveszélyes zóna méretei

3.7. sz. ábra A lefúvató vezeték végződésének alakja

A zónaméretek és a lefúvatás jellege akkor megfelelő, ha a lefúvató vezeték végén nincs olyan szerelvény elhelyezve, amely a függőlegesen felfelé irányuló kiáramlást akadályozná. A kiáramlási pont magassága a környező térszinttől legalább 3 m magasan legyen. A lefúvató vezeték végződésének kialakítása a 3.7. sz. ábra szerinti legyen.
c) Nyomásszabályozó állomás besoroláshoz szükséges dokumentáció
Nyomásszabályozó állomás robbanásveszélyes térségének meghatározását és besorolását olyan személy végezheti, aki ismeri az éghető anyagok, a technológiai folyamat és a berendezések tulajdonságait.
Szükség szerint konzultálnia kell biztonságtechnikai, villamos és más műszaki szakemberrel.
A besorolást a tervdokumentációnak kell tartalmaznia.
A térség-besorolási folyamat során a lépéseket megfelelően dokumentálni kell.
Ki kell tölteni az alábbi adatlapokat:
a) éghető anyagok jegyzéke és tulajdonságai (3.6. sz. táblázat),
b) kibocsátó források jegyzéke.
A térség-besorolási dokumentumnak tartalmaznia kell az alaprajzokat és homlokzatrajzokat, melyek mutatják a zónák típusát és kiterjedését.
A robbanásveszélyes zónák kiterjedésére az alábbi szimbólumokat kell alkalmazni:

3.6. sz. táblázat

3.2.7. Gázmérők
3.2.7.1. A legfeljebb 100 m3/h névleges együttes térfogatáramú membrános (lemezházas) gázmérők elhelyezésének követelményei
A gázmérő elé (mérőkötésébe) elzáró szerelvény beépítése kötelező.
Ha a házi nyomásszabályozó és a legfeljebb 6 m3/h névleges térfogatáramú gázmérő közvetlenül, együtt kerül elhelyezésre, akkor elegendő a nyomásszabályozó előtt közvetlenül elhelyezett elzáró szerelvény (3.8. sz. ábra).
3.8. sz. ábra A házi nyomásszabályozó és a gázmérő együttes szerelése

Almérőt a földgázelosztó feltételeinek és a Szabályzat előírásainak betartásával szabad beépíteni.
3.2.7.1.1. Általános követelmények
a) 140 kW-nál nagyobb összes hőterhelésű gázfogyasztó készülékek helyiségébe, 0,4 kV-nál nagyobb feszültségű villamos berendezéseket tartalmazó helyiségbe, valamint „A” vagy „B” tűzveszélyességi osztályba sorolt helyiségbe gázmérő nem szerelhető.
b) A gázmérő és a legközelebbi gázfogyasztó készülék közötti vízszintes vetületben mért távolság legalább 1 m legyen. Ez a távolság beépített szigetelőfal esetén 0,5 m-ig csökkenthető.
c) A gázmérő legközelebbi éle és füstcső, melegvíz vagy gőz (fűtési) vezeték legközelebbi alkotója közötti távolság legalább 0,5 m legyen.
d) Gázmérő könnyen éghető falszerkezetre, éghető vagy hőre lágyuló burkolatú falra nem szerelhető.
e) Gázmérőt szabadban, külső falon csak megfelelő mechanikai és káros hőhatás elleni védelem biztosításával szabad szerelni. A védelem módját és megoldását a gázszolgáltató határozza meg.
f) 6 m3/h névleges térfogatáramnál nagyobb gázmérő mindkét (belépő és kilépő) oldalán legyen elzáró szerelvény.
g) Középnyomású nyomásszabályozóról ellátott membrános (lemezházas) gázmérő épületen belül csak akkor helyezhető el, ha a nyomásszabályozó kétfokozatú vagy védőmembrános.
h) Nagyközép nyomású nyomásszabályozóról ellátott membrános (lemezházas) gázmérő épületben nem helyezhető el.
3.2.7.1.2. Gázmérők elhelyezése épületen kívül
Gázmérőt szabadban külső falon megfelelő mechanikai védelem biztosításával szabad szerelni. A védelem módját és megoldását a földgázelosztó technológiai utasításban köteles rögzíteni.
Ha a gázmérőt külső falra, lépcsőházba, közös használatú térbe szerelik fel, akkor azt zárható ajtójú fülkében vagy szekrényben kell elhelyezni.
A gázmérők szerelési helyigényének méreteit, a fülkék vagy szekrények méreteit és kivitelét a földgázelosztó technológiai utasításaiban szabályozza.
3.2.7.1.3. Membrános (lemezházas) gázmérők elhelyezése pincében, alagsorban
Pincében, alagsorban gázmérő akkor helyezhető el, ha a Szabályzat vonatkozó pontjainak betartásán kívül az alábbi feltételek is teljesülnek:
a) a pince vagy annak a gázmérő elhelyezésére szolgáló helyisége vagy fülkéje nem korrózióveszélyes,
b) a pince talajvíz ellen szigeteléssel és szilárd padlóburkolattal rendelkezik,
c) a pince belmagassága, illetve űrszelvénye legalább 1,7 x 0,8 m,
d) a pince átszellőzése biztosított.
Több szinten át egymással összefüggő belső légteret képező helyiségben (több szintes lakások előszobája, belépője, közületek önálló belső feljárója, stb.) gázmérő a földgázelosztó hozzájárulásával helyezhető el.
Lépcsőházban szintenként a gázmérő az előírások szerinti – szellőzőnyílásokkal rendelkező – fülkében vagy szekrényben elhelyezhető.
3.2.7.1.4. Membrános (lemezházas) gázmérők csoportos szerelése
A gázmérők csoportos szerelése (vagy a bérleményből való kihelyezése) megengedhető, ha a következő feltételek teljesíthetőek:
a) csak az épület közös használatú terében lehetnek, ha oda a bejutás a nap bármely szakában biztosítható,
b) együttes vagy külön-külön, kulccsal zárható szekrénybe kerülnek,
c) ha a mérő nem a fogyasztási hely bejárata mellett, vagy azzal nem azonos szinten (emeleten) van, akkor a fogyasztói vezetéket a fogyasztási helyen belül az oda való belépés helyén (lehetőleg a gázfogyasztó készülék helyiségén kívül) elzáróval kell ellátni, amelynek magassága azonos a gázmérő csatlakozás magasságával; az elzárót mechanikai sérüléstől és illetéktelen beavatkozástól megfelelően védeni kell,
d) ha a gázmérő (gázmérők) lépcsőházban vagy azzal légtér összeköttetésben lévő folyosón, közös helyiségben kerül (kerülnek) elhelyezésre, akkor a lépcsőház felső szintje nyitható nyílászáróval rendelkezzen.
3.2.7.2. A 100 m3/h-nál nagyobb névleges térfogatáramú membrános (lemezházas) gázmérők elhelyezésének további követelményei
Gázmérő gázfogyasztó készülékkel azonos helyiségben – az ipari fogyasztók szekunder mérésre alkalmazott turbinás és mérőperemes gázmérőinek kivételével – nem helyezhető el.
a) Egy helyen (helyiségben) telepített, 100 m3/h összes névleges térfogatáramúnál nagyobb gázmérő (gázmérők) elhelyezésére külön gázmérő helyiséget kell létesíteni.
b) A gázmérők helyiségeit „A” „Fokozattan tűz- és robbanásveszélyes” tűzveszélyességi osztályba kell sorolni, és az Országos Tűzvédelmi Szabályzatban foglaltak szerint kell kialakítani.
c) A külön gázmérőhelyiséget épületben külső fal mentén, a földgázelosztó és a létesítmény kezelője által egyaránt bármikor könnyen megközelíthető helyen, lehetőleg földszinten kell létesíteni.
d) Bejárata szabadból vagy az épület közös, jól szellőzött és mindenkor megközelíthető teréből nyíljon.
e) A mérőhelyiség bejáratához a tűzveszélyességi osztályt jelölő figyelmeztető táblát kell elhelyezni és 1 db 55A és 233B, valamint C oltási teljesítményű tűzoltó készüléket kell készenlétben tartani.
f) A külön gázmérőhelyiséget szabaddal össze kell szellőztetni úgy, hogy az alsó-felső szellőző együttes szabad keresztmetszete a gázmérő helyiség alapterületének 1%-át érje el. A szellőző alsó éle a külső szinttől legalább 300 mm-rel magasabb legyen. A szellőzők más nyílászáróktól legalább 1 m-re legyenek. A szellőzőt mechanikai védelemmel – legfeljebb 15 mm résszélességű, vagy lyukbőségű ráccsal, huzalhálóval vagy fix zsaluval – kell ellátni.
g) Gázmérőhelyiség szellőztetésére szükség esetén csak önálló szellőzőkürtöt, szellőzőcsatornát szabad alkalmazni.
h) A gázmérőhelyiség határoló falai és nyílászárói az Országos Tűzvédelmi Szabályzat szerintiek legyenek. Szikrát adó vagy elektrosztatikus feltöltődést okozó padlóburkolatot nem szabad alkalmazni. A létesítmény villámvédelmét, amennyiben szükséges a hivatkozott Országos Tűzvédelmi Szabályzat szerint csak arra jogosult tervező tervezheti.
i) Fűtése közvetett lehet. Közvetlen fűtésre csak robbanásbiztos kivitelű zárt égésterű gázkályha használható, amelynek felületi hőmérséklete a 300 °C-ot nem haladja meg és gyújtószerkezete a helyiségen kívül van.
j) A gázmérőhelyiséget nem szabad 140 kW egység- és 1400 kW összteljesítmény feletti hőtermelő berendezéssel egymásba nyílóan létesíteni.
k) Ha a gázellátás külön nyomásszabályozó egységről történik és a gázmérőhelyiség a primer oldali (közműre vagy távvezetékre csatlakozó) nyomásszabályozókra előírt védőtávolságnál a szabályozó állomáshoz közelebb vagy azzal együtt kerül telepítésre; – akkor az adott nyomásszabályozó – vagy fogadó állomásra érvényes előírások vonatkoznak a gázmérő helyiségre is.
l) Gázmérő helyiségében tűzveszélyes tevékenység csak a gázmérő (gázmérők) és szerelvényezéseik teljes nyomás- és gázmentesítését követően végezhető, az alkalomszerű tűzveszélyes tevékenység végzésére vonatkozó – az Országos Tűzvédelmi Szabályzatban rögzített – szabályoknak megfelelően.
3.2.7.3. Gázmérő nélküli fogyasztás
3.2.7.3.1. Létesítés és műszaki biztonsági feltételek
Mérő nélküli fogyasztás esetében a csatlakozó- vagy a fogyasztói vezetékbe – a telekhatáron vagy az épületen kívül a fogyasztói főelzárótól függetlenül – az épületbe, lakásba, bérleménybe történő belépés előtt (közös, hozzáférhető helyiségben) további, jogi zárral zárható elzáró szerelvényt is be kell építeni [ld. 7.8.a) sz. ábra].
3.2.7.4. A nem membrános (nem lemezházas) gázmérők elhelyezése
Amennyiben a gázmérő nyomásszabályozóval együtt – egy helyiségben, térben – van szerelve, úgy a helyiséget, teret „A” tűzveszélyességi osztályba kell sorolni, és ennek megfelelően az Országos Tűzvédelmi Szabályzat szerinti feltételeket kell biztosítani.
Minden más esetben a gázmérő helyiségét (elhelyezési terét) „D” tűzveszélyességi osztályba kell sorolni, és az Országos Tűzvédelmi Szabályzat szerinti feltételeket kell biztosítani.
A villámvédelem biztosításának szükségessége esetén annak terveit csak ilyen feladatra jogosult szaktervező készítheti el. Gázmérő helyiségében tűzveszélyes tevékenység csak a gázmérő (gázmérők) és szerelvényezéseik teljes nyomás- és gázmentesítését követően végezhető az alkalomszerű tűzveszélyes tevékenység végzésére vonatkozó – az Országos Tűzvédelmi Szabályzatban rögzített – szabályoknak megfelelően. A gázmérő üzemeltetője, kezelője a gázmérővel, mérési rendszerrel kapcsolatos üzemeltetési és karbantartási munkákat a földgázelosztóval ellenőriztetett műveleti utasítás szerint kell, hogy végezze.
3.3. Tervezési követelmények pébégáz üzemű felhasználói berendezések esetében
A tervezés során általában a Szabályzat 3. fejezetének előírásait kell teljesíteni. E szakasz az ezektől való eltéréseket tartalmazza.
3.3.1. Csatlakozó vezetékek egyedi követelményei
3.3.1.1. A csatlakozó vezeték méretezése
a) A csatlakozó vezeték anyaga, minősége, méretválasztéka (megegyezik a 3.3. sz. táblázatban közölt csőanyagokkal és beépítési körülményekkel).
b) Csatlakozó vezeték anyagául pébégáz szállítására jogszabálynak [a nyomástartó berendezések és rendszerek biztonsági követelményeiről és megfelelőség tanúsításáról szóló 9/2001. (IV. 5.) GM rendelet 6. számú melléklet 4. pontja], szabványoknak [MSZ EN 1594 Gázellátó rendszerek. 16 barnál nagyobb üzemi nyomású csővezetékek. Műszaki követelmények. MSZ EN 1057:2006+A1:2010 Réz és rézötvözetek. Varrat nélküli, körszelvényű rézcsövek vízhez és gázhoz, egészségügyi és fűtési alkalmazásra. MSZ EN 1555 sorozat Műanyag csővezetékek éghető gázok szállítására. Polietilén csövek.] megfelelő egyéb anyagok is választhatóak, ha megfelelőségüket bizonylattal igazolták.
c) A folyadékfázisú csatlakozó vezeték átmérője
A vezetékátmérő (3.7. sz. táblázat) sztatikus feltöltődésre is megfelelő, ha benne az átlagos áramlási sebesség kisebb az alábbi értékeknél:
3.7. sz. táblázat

Eltérő átmérőjű vezetéket a folyadékszállítás áramlási ellenállásának figyelembevételével méretezni kell. Az ellenőrzést el kell végezni sztatikus feltöltődésre is a vonatkozó szabványoknak [MSZ 16040-1 Sztatikus feltöltődések. Fogalmak. MSZ 16040-3 Sztatikus feltöltődések. Veszélyességi szintek. MSZ 16040-4 Sztatikus feltöltődések. A védelem módja.] vagy azzal egyenértékű műszaki megoldásnak megfelelően.
d) A gázfázisú csatlakozó vezeték átmérője
A vezetéket az MSZ 7048-1 [Körzeti gázellátó rendszerek Fogalom meghatározások, csoportosítás, általános követelmények] szabvány vagy azzal egyenértékű műszaki megoldás alapján szükséges méretezni.
A számított nyomásesés a belépő névleges vezetéknyomás 10%-át nem haladhatja meg.
A névleges vezetékátmérőt (DN) a szabvány alapján történő méretezéstől eltérően a 3.8. sz. táblázat, valamint a beépített idomok és szerelvények egyenértékű csőhosszai 3.8. sz. táblázatban foglalt értékeinek figyelembevételével – az átvitt tömegáram ismeretében – is meg lehet határozni.
3.8. sz. táblázat

A szelep, ív, könyök, egál-T, szűkítő egyenértékű csőhosszait darabonként azonosnak kell venni a 3.9. sz. táblázat szerint.
3.9. sz. táblázat

3.3.1.2. A csatlakozóvezeték kialakítása
A csatlakozóvezeték nyomvonalának és tartozékainak megválasztásakor a tervezőnek figyelemmel kell lennie a forrásoldalt biztosító pébégáz tartályra vonatkozóan a nyomástartó létesítmények műszaki biztonsági szabályzatában foglaltaknak és a jelen előírás kapcsolódó szabályainak a betartására is, beleértve az abban meghatározott tilalmakat és korlátozásokat.
a) Több pébégáz tartályra csatlakozó töltő- és elvételi vezetékek kialakítása olyan legyen, hogy kezelői mulasztás esetén se forduljon elő valamelyik tartály túltöltődése.
b) A pébégáz tartályról a csatlakozóvezeték záró szerelvénnyel leválasztható legyen.
c) A pébégáz tartályhoz csatlakozó vezeték feszültségmentes csatlakozásáról gondoskodni kell.
d) A vezeték tervezésénél a tervező vegye figyelembe a tervezési nyomáson túl a járulékos erők hatásait is.
e) A folyadékfázisú vezeték minden bezárható és kiszakaszolható szakaszába hőtágulási lefúvató szelepet (HLF) kell beépíteni, melynek nyitónyomás értéke, ha a vezetékben nincs nyomásfokozó szivattyú 15,6 bar, szivattyús rendszernél 25 bar legyen. Csatlakozó mérete a 3.10. sz. táblázat szerint.
3.10. sz. táblázat

f) A folyadékfázisú vezetékek bezárható és kiszakaszolható szakaszába beépített hőtágulási lefúvató szelep kibocsátása 1-es zónát eredményez, melynek kiterjedését és alakját a tervezőnek az MSZ EN 60079-10 [Villamos berendezések robbanóképes gázközegben.] szabvány vagy azzal egyenértékű műszaki megoldás alapján kell meghatároznia.
g) Folyadékfázisú csatlakozó vezeték kizárólag acél anyagú lehet.
h) Az acél anyagú csatlakozó vezeték térszint alatti szakaszában csak hegesztett kötés alkalmazható.
3.3.1.3. A csatlakozó vezeték nyomvonala
Pébégáz csatlakozó vezeték tartozékainak védőtávolságát a tervező a robbanásveszélyes övezet határának kiszámításával, azzal azonos méretűre határozza meg.
a) A csatlakozó vezeték és a fogyasztói vezeték telekhatár és épület vagy építmény közötti szakasza épületektől, közművektől és más objektumoktól olyan távolságra legyen, amely lehetővé teszi a létesítéssel, az üzemeltetéssel és a karbantartással kapcsolatos biztonságos munkavégzést, valamint a munkák közben az állagmegóvást.
b) A szerelést igénylő elemek esetében a szerelési pontok hozzáférhetőségét minden esetben biztosítani kell.
c) A csatlakozó vezetéket az alábbi védőtávolságok betartásával kell vezetni. Kivétel az épület fala, ha azt merőlegesen közelíti meg (3.11. sz. táblázat).
3.11. sz. táblázat

A zárójeles távolságok – ha az alkalmazni kívánt műszaki biztonsági szintet más módon biztosítják és ezt a tervező a tervdokumentációban a tervjóváhagyó felé igazolja – tervezhetők.
3.12. sz. táblázat

A védőtávolságon belül (3.12. sz. táblázat) nem szabad a vezeték műszaki állapotát veszélyeztető, ellenőrzését akadályozó tevékenységet végezni, illetve ilyen létesítményt elhelyezni.
3.3.2. A csatlakozóvezetékek tartozékainak követelményei
3.3.2.1. Általános követelmények
a) A csatlakozóvezeték tartozékai kizárólag a vonatkozó rendeleteknek megfelelően gyártott, „CE” jellel és az ehhez tartozó gyártói tanúsítványokkal rendelkező berendezések lehetnek, melyek gázzal érintkező részei pentán állóak, nyomásálló részeinek anyaga pébégázra alkalmas hideg ütőmunka értékekkel rendelkezik, és a tervezési nyomásnak megfelel. Az elzáró szerelvények minimális záró nyomása biztosítja a tervezett üzemállapotnak megfelelő zárást.
b) Beépítés tervezésekor a szerelési távolságot és az adott veszélyforrástól mért védőtávolságot be kell tartani. A szerelési távolság és a védőtávolság kialakításánál a használatra és a karbantartásra vonatkozó gyártói előírásokat ki kell elégíteni.
c) Pébégáz csatlakozó vezeték tartozékainak védőtávolságát a tervező a robbanásveszélyes zóna határainak és a veszélyt jelentő mechanikai hatások forrásainak távolsága figyelembevételével úgy határozza meg, hogy a védőtávolság az egyes zónák és hatások távolságának burkológörbéje, ha a zónahatárok egymást 0,5 m-nél jobban megközelítik, egyébként egyedi védőtávolságok keletkeznek. A mechanikai veszélyt jelentő források: dőlésveszélyes fák és oszlopok, járműforgalom, anyagrakodás és tárolás, tűzveszélyes tevékenység, stb.
d) Ha a kibocsátóforrás (tartozék) zónája tér-, illetve padlószint alatt lévő területet érint, a zóna alakját és méretét a zárttérre vonatkozó számítás [MSZ EN 60079-10 Villamos berendezések robbanóképes gázközegben. A robbanásveszélyes térségek besorolása vagy azzal egyenértékű műszaki megoldás] szerint kell meghatározni. Szabadtérre vonatkozó számítást kell alkalmazni, ha a mélyedés alacsonyabban fekvő szabadtérbe kiszellőztetett. A számított zónára a kockázatot az MSZ EN ISO 12100 [Gépek biztonsága. A kialakítás általános elvei. Kockázatértékelés és kockázatcsökkentés.] szabvány vagy azzal egyenértékű műszaki megoldás alapján értékelni kell, és az elfogadható kockázatot adó biztonsági intézkedéseket meg kell adni. Nem kell kockázatot értékelni, ha gázkoncentráció jelző berendezést alkalmaznak, és gázérzékelőt terveznek a mélyedésbe, ami az alsó robbanási határkoncentráció (ARH) 20%-ánál vészjelzést ad az üzemeltetőnek és ARH 40%-nál a gyújtóforrásként számításba vehető elektromos berendezéseket feszültségmentesíti, illetve olyan befúvásos mesterséges szellőztetést indít, amely mellett a légcsere szám nagyobb, mint 10.
e) A vészszellőző berendezés szerkezetileg és működés szempontjából független legyen a helyiség szellőző rendszerétől.
f) Az égési és az üzemi szellőztető levegő be- és kivezetésére a szabadból nyíló, illetve a szabadba vezető nem éghető anyagú csatornát vagy nyílást kell kialakítani, melynek szabadba nyíló végén zsalu huzalháló vagy rács legyen.
g) Ha a szellőztető levegő útvonalán szabályozó vagy záró szerkezet van, akkor biztosítani kell, hogy a szerkezet záró irányú elmozdulása esetén a gázfogyasztó készülék ne legyen üzemeltethető.
h) A fogyasztói vezetékben elhelyezett automatikus záró szerelvény zárt állapotban legyen, ha a szellőző berendezés nem üzemel vagy zárjon le, ha a berendezés üzem közben meghibásodik.
i) A pébégáz ellátásánál alkalmazott csatlakozó vezetékek és tartozékaik általános elrendezése a 7.1. szakasz 7.1., 7.2., 7.3., 7.4. és 7.5. sz. ábrái szerint történik.
3.3.2.2. Nyomásszabályozó berendezések
Pébégáz ellátó rendszerekben a következő, egybeépített egységekkel kialakított nyomásszabályozók alkalmazandók:
a) szűrő,
b) felső-, és a pébégáz forgalmazó által előírt esetben alsó nyomáshatáron záró gyorszár,
c) biztonsági lefúvató.
A nyomásszabályozó egy- és kétfokozatú lehet. Kétfokozatú kivitelben – ha a két fokozat nem egybeépített – az első fokozat nagyközép nyomásfokozatról (15,6 bar) középnyomásra (0,5 bar), a második fokozat középnyomásról kisnyomásra (30, 50, 100 mbar) szabályoz.
3.3.2.2.1. Általános követelmények a nyomásszabályozó beépítésekre vonatkozóan
a) A szabályozó primer csatlakozó vezetéke a tartályra vagy a cseppleválasztóra lejtsen, és minimális gáztérfogatú legyen. Átmérője a szabályozó csatlakozó méretének megfelelő legyen.
b) Nyomásszabályozó szabadban, szekrényben vagy épületben talajszint fölött helyezhető el. Épületben történő elhelyezés esetén a szabályozó szellőzőnyílását azonos átmérőjű csővezetékkel a szabadba kell vezetni.
c) A szabályozó szellőzőnyílása – kivezetésnél a szellőzőcső vége – elsőrendű kibocsátó forrás, 1-es zónát eredményez, melynek méretét és alakját a tervezőnek meg kell határoznia.
d) Az üzemelő szabályozó mellett a primer oldalra rányitott tartalék is kiépíthető. A tartalék szabályozó beállítási értéke az üzemelőtől lefelé az osztálypontosság pozitív tűrésénél +10%-kal térjen el.
e) A szabályozó szekunder oldaldali vezetékszakaszára min. 5 x DN távolságra nyomásmérő és lefúvató elzáró szerelvény tervezendő.
f) 50 kg/h anyagáramnál nagyobb teljesítményű nyomásszabályozó kilépő ágára a szabályozót megkerülő, kettőzött záró szerelvénnyel ellátott feltöltő vezetéket kell tervezni. Az elzáró szerelvények azonos típusúak nem lehetnek. Az egyik elzáró szerelvénynek szelepnek kell lennie.
3.3.2.3. Egyedi gáznyomás-szabályozó állomások létesítésének általános követelményei
Megegyezik a 3.2.6.1. pont alatti követelményekkel.
3.3.2.4. Elpárologtató berendezések
a) A berendezések osztályozása csőkapcsolási mód szerint:
aa) Csatlakozó vezetékre dolgozó (Feed Out) rendszerű.
ab) Tartályra dolgozó (Feed Back) rendszerű.
b) A berendezések osztályozása fűtési mód szerint:
ba) Közvetett üzemű az elpárologtató berendezés, ha a gáz hőátadó közeggel fűtött hőcserélőben párolog el, a közeget a csatlakozó vezeték kibocsátó forrásaira számított zónahatárokon kívül hevítik.
bb) Közvetlen üzemű az elpárologtató berendezés, ha a gáz elektromos fűtőszállal vagy égő tüzelőanyaggal fűtött hőcserélőben párolog el.
c) Az elpárologtató beépítésének általános követelményei
ca) Az elpárologtató berendezés csőbekötését, fűtését, vezérlését és védelmét a gyártó utasításainak megfelelően kell tervezni.
cb) A berendezés biztonsági szelepe 1-es vagy 2-es zónát eredményez, melynek méretét és alakját a tervezőnek meg kell határoznia, ha azt a gyártó nem adta meg.
cc) A vezetékre dolgozó elpárologtató kilépő csonkjára cseppleválasztót kell beépíteni, vagy a nyomásszabályozóig terjedő vezetékszakasznak az elpárologtatóra kell lejtenie.
cd) Az elpárologtatót alsó elvételi tartálycsonkról ajánlott táplálni.
ce) Az elpárologtató fűtésének követelményei a fűtőkészülék vezérlésével kielégíthetők.
cf) A közvetítő közeg túlhevítésének megakadályozásáról 80 °C hőmérsékletnél gondoskodni kell.
3.3.2.5. Folyadékfázisú szivattyúegység
A szivattyúegység az egyensúlyi gáznyomáson lévő folyadékfázisú pébégáz nyomásának fokozására szolgál abból a célból, hogy a csatlakozó vezeték minden pontján homogén folyadékfázisban maradjon, illetve az áramlási ellenállásokon túl biztosítsa a gázfogyasztó készülék számára a megfelelő anyagmennyiséget.
Jellemző kialakítását a 7.1. szakasz 7.5. sz. ábrája mutatja.
3.3.2.5.1. Általános követelmények a szivattyúegység beépítésére vonatkozóan
a) A szivattyús csatlakozó vezetékek tervezési nyomása szívóoldalon 25 bar, nyomóoldalon 32 bar. Az alkalmazott szerelvények névleges nyomása szívóoldalon minimum 25 bar, nyomóoldalon 40 bar.
b) A szivattyú csőbekötését a gyártó utasításainak megfelelően kell tervezni.
c) A szivattyú kiszakaszolhatóságáról gondoskodni kell.
d) Több szivattyú beépítésekor gondoskodni kell a nem kívánt irányú anyagáramlás megakadályozásáról.
e) A szivattyú által szállított fölös anyagmennyiséget a táplálást biztosító tartály külön csonkjára kell visszavezetni. Ebbe az áramkörbe kell szerelni a kívánt szekunder differenciál nyomást határoló szerelvényt.
f) A nyomóágba megfelelő méréshatárú, folyadékcsillapítású nyomásmérő szerelendő.
g) A szivattyú beömlő csonkjának szintje a tartály alsó alkotója alatt legyen.
h) A szivattyú szívóvezetékének átmérője legalább a csatlakozó átmérő legyen, eggyel nagyobb csődimenzió ajánlott.
i) Felszívó szivattyús rendszernél külön emelő és külön nyomásfokozó szivattyú alkalmazása ajánlott. Gondoskodni kell a szivattyúk szárazon futásának megakadályozásáról.
j) A szivattyúház kibocsátó forrás, a forgó tömítések miatt 2-es zóna. Erre, és az egység egyéb csőcsatlakozásaira, valamint hőtágulási lefúvatóira (HLF) a tervezőnek együttes zónahatárt kell meghatároznia.
k) A szivattyúk hajtómotorja, érintésvédelme és elektromos csatlakozása feleljen meg a zónára az MSZ EN 60079-14 [Robbanóképes közegek. 14. rész: Villamos berendezések tervezése, kiválasztása és szerelése (IEC 60079-14:2007)] szabványban vagy azzal egyenértékű műszaki megoldásban előírtaknak.
3.3.2.6. Gázmennyiség-mérők
A csatlakozó vezetéken átfolyt gáz tömegének vagy térfogatának a fázisállapottól független megmérésére szolgáló mérők felosztása mérési cél szerint:
a) elszámolási (joghatással járó) mérők, amelyek által mért mennyiség a forgalmazó és a felhasználó közötti szerződéses gázár megállapításának alapja. Az egyes gázfogyasztó készülékek gázfogyasztásának méréséhez az ilyen célú mérőket használják,
b) összehasonlítási célú mérők, amelyek az általuk mért mennyiség egy ismert mennyiségű gáz mérőkörönkénti megosztásához szükségesek.
A mért mennyiség összetétel és hőmérséklet szerinti kompenzálásának módszere jelen előírásnak nem tárgya.
3.3.2.6.1. A mérők beépítésének általános követelményei
a) Gázfázis mérésére szolgáló mérők elhelyezése és szerelése a technológiai céllal ideiglenesen beszereltek kivételével a 3.2.7. pontban leírtak szerint történjen.
b) Összehasonlítási célú mérők elhelyezési módja minden mérő esetében azonos legyen.
c) Folyadékfázisú mérők a gyártó által szállított, előírt vagy olyan kiegészítő berendezésekkel telepítendők, amelyek megakadályozzák a gázbuborék képződést, és homogén folyadékáramlást biztosítanak (differenciálnyomás-tartó, gázleválasztó, stb.).
d) Térfogatáram mérésekor a mérő által mutatott mennyiséget a gáz pillanatnyi fizikai paramétereivel korrigálni kell akkor, ha a gáztechnikai normálmennyiség megállapítása a cél.
3.3.2.7. Egyéb tartozékok
A tervezéssel szemben támasztott követelmények elérésére az alább felsorolt tartozékok közül a szükségeseket kell alkalmazni a 3.2.1. pont szerinti általános követelmények teljesülésével.
3.3.2.7.1. A tartozékok beépítésének egyedi követelményei
a) Általában karimás vagy karimapár közé szerelhető szerelvényeket és tartozékokat kell alkalmazni.
b) Elzáró szerelvényként gömbcsap vagy hajtóműves gömbcsap, áramlás- és nyomásszabályozó szerelvényként szelep tervezendő.
c) A tervdokumentáció a beépítendő tartozékok minden lényeges paraméterét adja meg, így záró szerelvénynél a megkívánt minimális záró nyomás értéket, áramláskorlátozónál a záró értéket, nyomásmérőnél a méréshatárt, az osztálypontosságot, a skála átmérőjét és a kivitelt, szűrőnél a szűrőelem lyukméretét, mágnes szelepnél a max. zárónyomást, nyomáshatároló szelepnél az áteresztőképességet.
d) A tervező adja meg a kötési módokat és az alkalmazható tömítőanyagokat.
e) A gázkoncentráció jelzőberendezés érzékelőjét a talajszint fölött legfeljebb 200 mm magasságban kell elhelyezni úgy, hogy szennyeződés és hó a gáz hozzááramlását ne gátolja.
4. A gázfogyasztó készülékek elhelyezésének tervezési követelményei
4.1. Általános előírások
4.1.1. A forgalomba hozás, felszerelés és üzembe helyezés feltétele
Csak a gyártó megfelelőségi nyilatkozatával ellátott gázkészülék hozható forgalomba. Az egyes gázfogyasztó készülékek kialakításáról és megfelelőségének tanúsításáról szóló 22/1998. (IV. 17.) IKIM rendelet hatálya alá tartozó gázfogyasztó készülék Magyarországon csak akkor hozható forgalomba, ha a megfelelőségi tanúsítványában közvetlen vagy közvetett rendeltetési országként Magyarország (HU) is nevesített.
Az előző bekezdés előírásait kell alkalmazni az ismételten üzembe helyezésre kerülő használt vagy felújított, és/vagy magánforgalomban behozott gázfogyasztó készülékekre is.
A készülék vagy részegység forgalomba hozatalához:
a) magyar nyelvű gyártói utasítást és használati-kezelési útmutatót kell mellékelni;
b) a készüléken vagy részegységen, illetve ezek csomagolásán magyar nyelvű figyelmeztető feliratokat kell elhelyezni.
A gyártói utasításnak az elhelyezésre, a szerelésre, a szabályozásra és karbantartásra vonatkozó összes olyan útmutatást tartalmaznia kell, amely az üzembe helyezést és a készülék biztonságos használatát lehetővé teszi, így különösen fel kell tüntetni:
a) az alkalmazandó gázfajtát;
b) a csatlakozási nyomást;
c) a gázkészülék égéstermék elvezetési módja szerinti típusait;
d) az égési levegővel való ellátást biztosító berendezés nélküli készülék esetében az el nem égett gázt tartalmazó veszélyes koncentráció kialakulásának megakadályozásához szükséges légellátást;
e) az égéstermék eltávozására vonatkozó követelményeket;
f) a légbefúvásos gázégőknek és a hozzájuk tartozó hőcserélőknek a gyártó által ajánlott kombinációit, az összeépítés azon feltételeit, amelyek ahhoz szükségesek, hogy a készülékek használata során az előírt követelmények teljesüljenek.
A használati-kezelési útmutatónak a biztonságos használat szempontjából szükséges és a használati lehetőségek esetleges korlátait feltüntető információkat tartalmaznia kell.
A figyelmeztető feliratoknak egyértelmű adatokat kell tartalmazniuk a gáz fajtájáról, a csatlakozási nyomásról, a használati lehetőségek esetleges korlátairól, így különösen a működéshez szükséges légellátásról.
Az adattáblának tartalmaznia kell a gázfogyasztó készülék megvalósított kivitelnek megfelelő, MSZ CEN/TR 1749 [A gázkészülékeknek az égéstermék-elvezetés módja szerinti osztályozási rendszere] szabvány szerinti típusjelét. Amennyiben az adattáblán a gázfogyasztó készülék helyszíni összeszerelésének több lehetséges típusát tüntették fel, akkor ezek közül a helyszínen megvalósított típust egyértelműen jelölni kell.
4.1.2. A gázfogyasztó készülékek osztályozása
4.1.2.1. Az égéstermék-elvezetés és égési levegőellátás szempontjából:
a) Égéstermék-elvezetés nélküli (nyílt égésterű), „A” típusú gázfogyasztó készülék, amely kéményhez, illetve az égésterméket a készülék felállítási helyiségéből a szabadba elvezető rendszerhez nem csatlakoztatható.
b) Égéstermék-elvezetéssel rendelkező, de a helyiség légterétől nem független égési levegő ellátású (nyílt égésterű), „B” típusú gázfogyasztó készülék, amely kéményhez vagy olyan saját elemmel rendelkezik, amelyet arra terveztek, hogy a készülék égésterméke ezen keresztül közvetlenül a szabadba távozzon. E készülékek az égési levegőt közvetlenül a készülék felállítási helyiségéből nyerik.
c) „C” típusú gázfogyasztó készülék, amelynek égési köre (légbevezetője, tűztere, hőcserélője, égéstermék-elvezető tere) a készülék felállítási helyiségétől elzárt.
4.1.2.2. A névleges hőterhelés szempontjából:
a) legfeljebb 140 kW (egység) hőterhelésű gázfogyasztó készülékek, azaz
aa) legfeljebb 36 kW egység-hőterhelésű gázfogyasztó készülékek,
ab) 36 kW-nál nagyobb, de legfeljebb 70 kW egység-hőterhelésű gázfogyasztó készülékek,
ac) 70 kW-nál nagyobb, de legfeljebb 140 kW egység-hőterhelésű gázfogyasztó készülékek;
b) 140 kW-nál nagyobb (egység) hőterhelésű gázfogyasztó készülékek.
4.1.2.3. Felhasználási terület szempontjából
a) lakossági és kommunális célú felhasználás,
b) ipari, technológiai vagy mezőgazdasági célú felhasználás.
4.1.3. A szintetikus földgáz (SNG) közvetlen tüzeléstechnikai alkalmazása esetén a vezetékes földgázszolgáltatásban alkalmazott műszaki biztonsági előírásokon (Szabályzat 4.2.1. szakasza) túlmenően a pébégáz-ellátásban alkalmazott műszaki biztonsági előírásokat (Szabályzat 4.2.2. szakasza) is be kell tartani, mivel a szintetikus földgáz relatív sűrűsége minden esetben 1-nél nagyobb. A csúcsfedező gáz (PSG) tüzeléstechnikai alkalmazása esetén, ha a földgáz keverési aránya legalább 70%, akkor a vezetékes földgáz-szolgáltatásban alkalmazott műszaki biztonsági előírásokat (Szabályzat 4.2.1. szakasza) be kell tartani, mivel a csúcsfedező gáz relatív sűrűsége kellő biztonsággal 1-nél kisebb. Ha a csúcsfedező gázban a bekevert földgáz aránya 70%-nál kisebb, akkor a vezetékes földgáz-szolgáltatásban alkalmazott műszaki biztonsági előírásokon (Szabályzat 4.2.1. szakasza) túlmenően a pébégáz-ellátásban alkalmazott műszaki biztonsági előírásokat (Szabályzat 4.2.2. szakasza) is be kell tartani, mivel a csúcsfedező gáz relatív sűrűsége kellő biztonsággal nem lesz 1-nél kisebb.
4.2. A gázfogyasztó készülékek elhelyezési feltételei
4.2.1. Általános elhelyezési feltételek
A gázfogyasztó készülék felállítási, felszerelési helyét a gyártó által megadott módon úgy kell megválasztani, hogy a gázfogyasztó készülék hozzáférhető, üzembiztosan kezelhető, javítható legyen, továbbá:
a) lakossági célú felhasználás esetében a gázfogyasztó készülék üzembiztos kezelhetőségét és a készülék elzáró szerelvény elzárhatóságát közvetlen eléréssel (segédeszköz nélkül) kell biztosítani. Rejtett szerelés esetében (például zárható fali fülke) a gázfogyasztó készülék működését közvetlen eléréssel lehessen ellenőrizni (például távvezérlő vagy más egyéb távfelügyeleti rendszer);
b) nevelési-oktatási építményeknek a 0-18 éves gyermekek, tanulók tartózkodására szolgáló helyiségében, terében gázfogyasztó készülék és kapcsolója, automatikája csak úgy alkalmazható, ha ahhoz a gyermekek, tanulók nem férnek hozzá;
c) technológiai és ipari vagy mezőgazdasági célú felhasználás esetében a gázfogyasztó készülék üzembiztos kezelését közvetett elérhetőséggel is lehet biztosítani, ha a gázfogyasztó készülék működését ellenőrizni lehet közvetlenül, távvezérlő vagy más egyéb távfelügyeleti rendszer segítségével; ez esetben a készülék elzáró szerelvény elzárhatóságát közvetlen eléréssel kell biztosítani;
d) környezetét a fejlődő hő ne veszélyeztesse;
e) a Szabályzat 4. fejezet 4.3. szakaszának megfelelő légellátás-szellőzés és égéstermék-elvezetés biztosítható legyen;
f) a gázfogyasztó készülék elhelyezése és villamos csatlakozása feleljen meg az épületek villamos berendezéseinek létesítésére vonatkozó előírásoknak [MSZ 2364 Épületek villamos berendezéseinek létesítése. MSZ HD 60364-7-701 Kisfeszültségű villamos berendezések. 7-701. rész: Különleges berendezésekre vagy helyekre vonatkozó követelmények. Helyiségek fürdőkáddal vagy zuhannyal. MSZ HD 60364-4-41 Kisfeszültségű villamos berendezések. 4-41. rész: Biztonság. Áramütés elleni védelem. MSZ EN 60529 Villamos gyártmányok burkolatai által nyújtott védettségi fokozatok (IEC 529)];
g) az elhelyezésre és alkalmazásra vonatkozó gyártói műszaki biztonsági előírások betarthatók legyenek;
h) új létesítés esetén gázfogyasztó készülék kád fölé nem telepíthető.
„A” vagy „B” tűzveszélyességi osztályba tartozó létesítményben, helyiségben gázfogyasztó készülék nem szerelhető fel. Gépkocsi tárolóban csak „C” típusú gázkészüléket szabad felállítani. A garázsokban elhelyezett zárt égésterű gázfogyasztó készülék esetében a gázfogyasztó készüléket mechanikus sérülések elkerülésére kielégítő védelemmel (például kengyellel vagy ütközővel) kell ellátni. Gépkocsi tárolóban elhelyezett gázfogyasztó készülékek elé hőre záró szelepet kell beépíteni.
Minden gázfogyasztó készülék előtt, ha erről a gyártó másként nem nyilatkozik, a kezelési irányból legalább 0,8 m szabad közlekedési, mozgási, kezelési lehetőség legyen.
A gázfogyasztó készülék csatlakozásába (kötésébe) kézi elzárót kell beépíteni. A kézi elzárókat minden esetben közvetlenül hozzáférhetően, a készülékkel azonos helyiségben, kezelhető magasságban (max. 1,6 m) kell elhelyezni. Magasban elhelyezett készülékekre is alkalmazni kell ezt az előírást. Kézi elzáróként gázkonnektor is alkalmazható. Ld. 4.1. sz. ábra.
4.1. sz. ábra
Példa gázkonnektor alkalmazására

A gázfogyasztó készülék mechanikai feszültségektől mentesen csatlakozzon a fogyasztói vezetékhez. E célból a készülék elzáró és a készülék közé szabad hajlékony-fém csatlakozóelemet beépíteni. A hajlékony vezeték hossza legfeljebb 1,5 m lehet. Toldás több darabból nem megengedett. Szabadban alkalmazott, elhelyezett mobil vagy elmozdítható gázkészülékeknél 1,5 m-nél nagyobb hosszúságú mechanikai sérülés ellen védett flexibilis tömlő hajlékony vezeték is megengedett, de a hossza a 6 m-t nem haladhatja meg.
Éghető anyagú hajlékony vezeték alkalmazása esetén hőhatásra záró szerelvényt kell a gázfogyasztó készülék elzáró és a készülék közé beépíteni (ld. 4.2. sz. ábra).
4.2. sz. ábra
Példa gázfogyasztó készülék elzáró elhelyezésére

Falra szerelt gázfogyasztó készülék esetében a súlyának megfelelő rögzítéséről és szükség szerinti alátámasztásáról gondoskodni kell.
A gázfogyasztó készülék elhelyezésére vonatkozóan a gyártó beépítésre vonatkozó előírásait is be kell tartani.
4.2.2. A pébégáz üzemű gázfogyasztó készülékek külön előírásai
Lakossági fogyasztás céljaira legfeljebb 23 kg töltet-tömegű palackot szabad használni.
a) Lakossági fogyasztónak abban a helyiségben, amelyben a gázfogyasztó készülék van, csak 1 db, egy lakásban legfeljebb 2 db, összesen legfeljebb 35 kg töltet-tömegnek megfelelő palackot szabad tartania.
b) Két önálló rendeltetési egységűnél (lakásosnál) nem nagyobb épületnél tartalék palack csak a terepszintnél nem mélyebb padlószintű – az országos településrendezési és építési követelményekről szóló 253/1997. (XII. 20.) Korm. rendeletben meghatározott védőtávolságok figyelembevételével – mellékhelyiségben vagy melléképítményben – nyári-konyhában, mosókonyhában, szerszámkamraszínben, fészerben, ketrecben vagy a lakóépület fő fala mellett – kizárólag tartalék palack tárolására – létesített helyiségben vagy fémvázas, dróthálós, az idegenek számára hozzá nem férhetően zárt ketrecben helyezhető el.
A tároló hely 5 m-es körzetében terepszintnél mélyebb melléképítmény vagy létesítmény (pince, kút, csatorna, stb.) pincelejáró, pinceablak nem lehet. Egy tároló helyen legfeljebb 35 kg töltet-tömegnek megfelelő mennyiségű tartalékpalack tárolható.
c) Két önálló rendeltetési egységűnél (lakásosnál) nem nagyobb épület esetében a tartalék pébégáz palacktároló létesítésekor figyelembe kell venni az Országos Településrendezési és Építési Követelményeket is. A tervnek tartalmaznia kell azokat az adatokat, amelyekből a műszaki biztonsági követelmények teljesülése megállapítható. A palacktároló kivitelezése csak a pébégáz forgalmazó által felülvizsgált tervdokumentáció alapján történhet. Ez nem mentesíti a beruházót szükség esetén az építési engedély megszerzésének kötelezettsége alól.
d) Többszintes épületek pébégáz ellátásával kapcsolatban az Országos Tűzvédelmi Szabályzatban foglaltakat és a vonatkozó építésügyi előírásokat is be kell tartani.
e) Pébé gázfogyasztó készülék a 3.3.2.1. pontban írt feltételek teljesítésével olyan helyiségekben is elhelyezhető és üzemeltethető, amelyek:
– padlószintjei a külső terepszintnél mélyebbek,
– amelyből annak padlószintjétől mélyebb szintű olyan helyiség nyílik, amelynek teljes levegőcseréje nem biztosított,
– amelyben akna, vízzár nélküli csatornaszem vagy pincelejárat van.
f) A palackot úgy kell a helyiségben elhelyezni, hogy az veszély esetén a helyiség elhagyását ne akadályozza.
g) A használatba vett gázpalackot:
ga) az ellátott készüléktől a gyártó előírása szerinti távolságban kell elhelyezni;
gb) más hőfejlesztő berendezéstől legalább 1,5 m, a gázfogyasztó berendezéstől legalább 0,3 m távolságra kell elhelyezni; ha a gázpalack kiömlési csonkja magasabb a gázfogyasztó berendezés felső szintjénél, a távolság 1 m-re, hő elleni védelemmel 0,5 m-re csökkenthető;
gc) nem éghető anyagból készült és megfelelően rögzített, sugárzó hő elleni szigetelő alkalmazása esetén az előző távolság 1 m-re, illetve 0,1 m-re csökkenthető;
gd) amennyiben nem éghető anyagú szekrényben helyezik el, a szekrényt el kell látni alsó-felső szellőzőnyílásokkal, és biztosítani kell a csatlakozáshoz, valamint a palack szelepéhez való könnyű hozzáférhetőséget.
h) Egy gázfogyasztó készülék használata esetén a palackra szerelt nyomáscsökkentő és a gázfogyasztó készülék hajlékony vezetékkel is összekapcsolható. A tömlő 1,5 m-nél hosszabb nem lehet, kivételt képeznek a 4.2.1. pontban említett esetek.
4.2.3. Az égéstermék-elvezetés nélküli (nyílt égésterű), „A” típusú gázfogyasztó készülékek elhelyezése
4.2.3.1. Általános előírások
Átfolyó rendszerű, égéstermék-elvezetés nélküli vízmelegítő vagy közvetlen kifolyásra, vagy csak azonos helyiségben lévő egy csapolóra, és csak időszakos melegvíz-vételi célra (például kézmosás, mosogatás) alkalmazható.
Égéstermék-elvezetés nélküli („A” típusú) gázfogyasztó készülékek nem helyezhetőek el az alábbi helyiségekben és a gázfogyasztó készülékek működéséhez szükséges légtérbővítés (szellőzőnyílás) sem nyílhat az alábbi helyiségekre:
a) épületek huzamos tartózkodásra szolgáló és az azokkal légtér összeköttetésben lévő helyiségek,
b) testnevelés, sportolás céljára szolgáló helyiség,
c) nevelési, oktatási építmények – legfeljebb 18 éves gyermekek, tanulók tartózkodására szolgáló – helyiségei, a taneszköznek minősülő, valamint az épület ellátására szolgáló konyhai gázfogyasztó készülékek kivételével,
d) közvetlen természetes szellőzés nélküli helyiségek,
e) „A” vagy „B” tűzveszélyességi osztályba tartozó helyiségek.
Kivételt képez a konyhában, vagy konyha – étkező – nappali rendeltetésű helyiségben elhelyezett tűzhely, ha:
a) gázfogyasztó készülék égésbiztosítóval rendelkezik,
b) a helyiségben külső térbe szellőző gépi elszívó berendezés üzemel és a helyiség légellátása a 4.3.1. pont szerinti, továbbá
c) a tervező nyilatkozik arról, hogy a gépi elszívás a konyhával légtér összeköttetésben lévő „B” típusú gázfogyasztó készülék vagy egyéb tüzelőberendezés égéstermék elvezetésére nincs káros hatással.
Kivételt képez továbbá:
a) ha a tűzhelyet és/vagy vízmelegítőt az időszakos használatú létesítmények vagy melléképítmények szabad légtérrel összeszellőztetett helyiségében helyezik el;
b) ha az égéstermék elvezetés nélküli gázfogyasztó készülék az alkalmazott technológia része (nagykonyha, műhely, laboratórium, mezőgazdasági állattartó épület, stb.) és a helyiségben külső térbe szellőző gépi elszívó berendezés üzemel és a helyiség levegő-utánpótlása közvetlenül a szabadból biztosított.
4.2.3.2. Tűzhelyek, főzők, sütők és egyéb burkolatlan égőjű égéstermék-elvezetés nélküli gázfogyasztó készülékek elhelyezése
a) Minden égéstermék elvezetés nélküli és burkolatlan égőjű gázfogyasztó készüléket 1,2 m-nél kisebb mellvédmagasságú ablak alá vagy 1,2 m magasság alatt is nyitható ablak alá szerelni nem szabad.
Az éghető anyagú bútor és a gázfogyasztó készülék között olyan távolságot kell biztosítani, hogy az éghető anyag felületén a hő a gázfogyasztó készülék legnagyobb hőterhelésű üzeme esetén se okozzon károsodást. Ez a távolság 0,5 m-nél kisebb nem lehet. Ha ez nem biztosítható, akkor:
aa) a gázfogyasztó készülék (égő) magasságát meg nem haladó magasságú bútor esetében a gázfogyasztó készülék magasságáig;
ab) a gázfogyasztó készülék (égő) magasságát meghaladó magasságú bútor esetében a gázfogyasztó készülék fölött legalább 0,5 m magasságig (a gázfogyasztó készülékhez képest 0,5 m-nél nem magasabb bútor esetében a bútor magasságáig) hő ellen védő lemezt kell felszerelni.
b) Beépíthető (modul) kivitelű és gyárilag hőszigetelt – nem oldalsó égéstermék kivezetésű – tűzhely bútor mellé közvetlenül is elhelyezhető, ha a gyártó előírásai ezt megengedik. A bútor magassága a tűzhely magasságát nem haladhatja meg.
c) Az a) és b) pont előírásait minden nyitott égőjű gázfogyasztó készülékre – burkolatlan égőjű fali fűtő, laboratóriumi égő, orvosi vagy laboratóriumi hevítő, fodrászati hevítő, vendéglátói-ipari gázfogyasztó készülék, stb. – alkalmazni kell. Laboratóriumi, lángőrzés nélküli (például Bunsen-égő) gázfogyasztó készülékek esetében a fogyasztói vezetékbe a laboratóriumon kívül közös elzáró szerelvényt kell beépíteni, amelyet indokolt esetben (iskola, tanintézet vagy idegen által is látogatott helyen, például egészségügyi intézet) illetéktelenek elől elzárva, védőszekrényben kell elhelyezni. Az üzemeltetőnek ennek kezelésére alkalmazottai közül kijelölt személyt kell megbíznia.
4.2.4. Égéstermék-elvezetéssel rendelkező, a helyiség légterétől nem független (nyílt égésterű), „B” típusú, 140 kW alatti egység-hőterhelésű vagy 1400 kW alatti együttes hőterhelésű gázfogyasztó készülékek elhelyezése.
4.2.4.1. A készülékek elhelyezésére vonatkozó általános előírások
A Szabályzat hatálybalépését követően új felhasználói berendezés létesítése esetén, huzamos emberi tartózkodásra szolgáló helyiségekben és az azokkal légtér-összeköttetésben lévő helyiségekben „B” típusú fűtő- és vízmelegítő gázfogyasztó készülék nem helyezhető el.
Kivételt képez, ha a gázfogyasztó készülék az alkalmazott technológia része (nagykonyha, műhely, laboratórium, mezőgazdasági állattartó épület, stb.), és a felállítási helyiségben túlnyomásos vagy kiegyenlített szellőzés üzemel. Ez esetben a gázfogyasztó készülékek üzemelését reteszelni kell a gépi szellőztetés működéséhez.
Nem huzamos emberi tartózkodásra szolgáló helyiségekben és az azokkal légtér-összeköttetésben lévő helyiségekben „B” típusú gázfogyasztó készülék az alábbi feltételekkel helyezhető el:
a) az elhelyezési helyiség nem lehet belső terű,
b) a készülék felállítási helyisége nem lehet légtér összeköttetésben „A” vagy „B” tűzveszélyességi osztályba tartozó helyiségekkel,
c) „B11„, „B21„, „B41” és „B51” típusú természetes huzattal működő gázfogyasztó készülék az egyidejű üzemelést kizáró reteszelési feltételek teljesülése mellett helyezhető el olyan helyiségben, ahol vagy a vele légtér összeköttetésben lévő helyiségben:
ca) vegyes tüzelésű nyílt égésterű kéménybe kötött hőtermelő berendezés,
cb) elszívó ventilátor,
cc) ventilátoros „B” típusú gázfogyasztó készülék vagy más tüzelőanyagú nyílt égésterű ventilátoros kéménybe kötött hőtermelő berendezés egyidejűleg üzemel, kivéve, ha az egyidejűleg üzemeltetett készülékek együttes levegőellátása igazolt módon biztosított.
Az együtt üzemelés megakadályozására, ha a gázfogyasztó készülék arra alkalmas, minősített, automatikus működésű biztonsági kikapcsoló mint reteszfeltétel, a gázfogyasztó készülék leállítására alkalmazható. A biztonsági kikapcsoló megfelelő és biztonságos működését a gázfogyasztó készülék gyártója által feljogosított szakszerviznek igazolnia kell.
Már üzemelő, a helyiség légterétől nem független üzemű „B” típusú gázfogyasztó készülék helyére lakó épületek, lakások és kommunális épületek huzamos emberi tartózkodásra szolgáló helyiségeiben és az azokkal légtér-összeköttetésben lévő mellékhelyiségeiben „B” típusú gázfogyasztó készülék kizárólag az 5.3. pont szerinti egyszerűsített készülékcserével építhető be.
A „B” típusú gázfogyasztó készülékek légellátását – az 5.3. pont szerinti egyszerűsített készülékcserék kivételével – a 4.3.3. pont szerint kell megtervezni.
4.2.4.2. Gázkályhák (konvektorok), fűtő- és vízmelegítő készülékek, kandallók további elhelyezési feltételei
a) Gázkályhát, fűtő- és vízmelegítő készüléket, kandallót, valamint a hővédő burkolattal nem rendelkező egyéb gázfogyasztó készüléket – ha a gyártó előírása nem határozza meg – a bútortól, éghető tárgyaktól olyan távolságra kell elhelyezni, hogy a bútor, éghető tárgyakban károsodást, gyújtási veszélyt ne okozzon. Ez a távolság 0,5 m-nél kisebb nem lehet. Kisebb távolság esetén járulékos hő elleni védelmet kell alkalmazni.
b) Oldalirányból kezelhető vagy szerelhető gázfogyasztó készülék falsarokba való elhelyezése esetén a falsíktól a gyártó által előírt, a biztonságos kezeléshez szükséges távolságot kell tartani.
c) Ha a gyártó előírása másként nem határozza meg, a fűtőkészülék és WC, pissoir vagy bidé közelebbi élei közötti távolság legalább 0,5 m legyen. A fali fűtőkészülék gáz csatlakozási magassága, illetve alsó élének magassága a padlószint felett 0,2-1,0 m között lehet. Sugárzóbetétes vagy burkolatlan égőjű fali fűtőkészülék alsó éle 0,5 m-nél nem lehet magasabban.
d) A gázfogyasztó készülékek fülkében vagy szekrényben a gyártóműi előírásoknak megfelelően helyezhetők el. Tömör, nem hálóval vagy ráccsal kialakított ajtószerkezet esetében a fülkére, vagy szekrényre legalább egyenként 400 cm2szabad felületű alsó-felső szellőzőnyílást kell készíteni.
4.2.4.3. Központi fűtőkészülékek, vízmelegítők, gázüzemű léghevítők további elhelyezési feltételei a villamos csatlakozás tekintetében
Mindazon gázfogyasztó készülékek elhelyezésekor, amelyek villamos hálózati csatlakozással rendelkeznek, figyelembe kell venni az alábbi feltételeket:
a) Vizes berendezés fölé vagy annak környezetében a vonatkozó szabványok [MSZ HD 60364-7-701 Kisfeszültségű villamos berendezések. 7-701. rész: Különleges berendezésekre vagy helyekre vonatkozó követelmények. Helyiségek fürdőkáddal vagy zuhannyal. MSZ HD 60364-4-41 Kisfeszültségű villamos berendezések. 4-41. rész: Biztonság. Áramütés elleni védelem. MSZ EN 60529 Villamos gyártmányok burkolatai által nyújtott védettségi fokozatok (IEC 529:1989)] vagy azzal egyenértékű műszaki megoldás szerinti villamos védettségű gázfogyasztó készülék szerelhető.
b) Gázfogyasztó készülék csak abban az esetben szerelhető kádhoz, zuhanyzóhoz 60 cm-nél kisebb vízszintes távolságban, ha a villamos részeinek IP védettsége a vonatkozó szabványok [MSZ HD 60364-7-701 Kisfeszültségű villamos berendezések. 7-701. rész_ Különleges berendezésekre vagy helyekre vonatkozó követelmények. Helyiségek fürdőkáddal vagy zuhannyal. MSZ HD 60364-4-41 Kisfeszültségű villamos berendezések. 4-41. rész: Biztonság. Áramütés elleni védelem. MSZ EN 60529 Villamos gyártmányok burkolatai által nyújtott védettségi fokozatok (IEC 529:1989)] vagy azzal egyenértékű műszaki megoldás szerinti. A készülék áramkörét legfeljebb 30 mA névleges kioldóáramú áram-védőkapcsolóval (RCD-vel) kell védeni.
4.2.4.4. Infravörös (világos és fekete) hősugárzók további elhelyezési feltételei
a) Az infravörös sugárzókat a Szabályzat és a gyártómű előírásainak megfelelően kell telepíteni, és az égéstermék-elvezetésre a típus besorolás szerinti szabályokat kell alkalmazni.
b) A gázfogyasztó készülék bekötésénél a hőtágulás okozta mozgás felvételéről, illetve mechanikai feszültség kialakulásának elkerüléséről gondoskodni kell. Hajlékony éghető anyagú vezeték alkalmazása esetén a készülék elzáró elé hőre záró szerelvényt is be kell építeni.
4.2.4.5. Gáztüzelésű cserépkályha
Gáztüzelésű cserépkályha létesítésére vagy meglévő cserépkályha gáztüzelésre átalakítására vonatkozóan az egyes gázfogyasztó készülékek kialakításáról és megfelelőségének tanúsításáról szóló 22/1998. (IV. 17.) IKIM rendeletben foglaltak az irányadók.
4.2.5. A helyiség légterétől független égési levegő ellátású és égéstermék-elvezetésű, „C” típusú 140 kW alatti egység-hőterhelésű vagy 1400 kW alatti együttes hőterhelésű gázfogyasztó készülékek elhelyezése.
4.2.5.1. Általános előírások
A készülékek elhelyezésénél a 4.2.1. pont általános előírásain túl a 4.3.5. pont előírásait is be kell tartani.
Az égéstermék kivezetések szempontjából a készülékek elhelyezésénél az MSZ EN 15287-2 [Égéstermék elvezető berendezések. Égéstermék-elvezető berendezések tervezése, kivitelezése és ütembe helyezése. 2. rész: Zárt égésterű tüzelőberendezések égéstermék-elvezető berendezései.] szabvány vagy azzal egyenértékű műszaki megoldás szerint kell eljárni.
A gázfogyasztó készülék fülkében vagy szekrényben a gyártóművi előírásoknak megfelelően helyezhető el.
Az ipari vagy mezőgazdasági célú és a 4.2.5. pontban nem szabályozott „C” típusú gázfogyasztó készülékek elhelyezése a gyártóművi és a Szabályzat általános előírásai szerint történjen. A 70 kW-nál nagyobb, de 140 kW-nál nem nagyobb hőterhelésű gázfogyasztó készülékek égéstermék elvezetésének megoldásaira az MSZ EN 15287-2 [Égéstermék elvezető berendezések. Égéstermék-elvezető berendezések tervezése, kivitelezése és üzembe helyezése. 2. rész: Zárt égésterű tüzelőberendezések égéstermék-elvezető berendezései] szabvány vagy azzal egyenértékű műszaki megoldás előírásait kell alkalmazni.
A legfeljebb 70 kW egység-hőterhelésű kondenzációs gázfogyasztó készülékekben és/vagy az égéstermék elvezető rendszerükben keletkező kondenzátum – amennyiben a közcsatorna-szolgáltató mást nem ír elő – vízzáron keresztül semlegesítés nélkül a közcsatornába vezethető.
A 70 kW feletti hőterhelésű gázfogyasztó készülékek esetében a semlegesítés szükségességét a közcsatorna-szolgáltatóval egyeztetni kell.
4.2.5.2. C11 típusú 7 kW-nál nem nagyobb hőterhelésű gázfogyasztó készülék elhelyezése
A gázfogyasztó készülékek (konvektorok) falhüvelyének beépítésére lehetőleg nem teherviselő falszerkezetet kell választani.
A mellvédmagasság a gázfogyasztó készülék felső szintjét legalább 0,05 m-rel haladja meg.
A gázfogyasztó készüléket úgy kell elhelyezni, hogy a környezetében lévő berendezési tárgyakat káros hőhatás (gyulladási veszély) ne érje.
Éghető vagy éghető burkolatú falszerkezetre a gázfogyasztó készüléket felszerelni nem szabad, kivéve, ha a mellvédet, illetve a gázfogyasztó készülék méreteit legalább 0,1 m-rel meghaladó felületű falat nem éghető falszerkezettel kiváltják, vagy ha a gyártó előírása ettől kifejezetten eltér.
Épületek utólagos homlokzat szigetelése esetén biztosítani kell a légellátás és égéstermék elvezetés feltételeit a Szabályzat szerint.
4.2.6. 140 kW-nál nagyobb egység-, vagy (egy helyiségben) 1400 kW-nál nagyobb együttes hőterhelésű gázfogyasztó készülékek elhelyezése
4.2.6.1. Általános előírások
a) A gázfogyasztó készülék helyiségét a hozzá technológiailag nem kapcsolódó terektől tűzgátló szerkezetekkel kell határolni.
b) Az 1400 kW-nál nagyobb együttes hőterhelésű készülék (készülékek) helyiségében vészkijáratot is ki kell alakítani a vonatkozó rendelet szerint.
c) A gázfogyasztó készülék helyisége – ha más helyszíni körülmények szigorúbb besorolást nem tesznek szükségessé – általában „D” tűzveszélyességi osztályba tartozik.
d) A kondenzációs készülékekben és/vagy az égéstermék elvezető rendszerükben keletkező kondenzátum semlegesítéséről a közcsatorna szolgáltatóval történt egyeztetésnek megfelelően kell gondoskodni.
e) A gázfogyasztó készülék helyiségének szellőző berendezése tűzszakasz határt nem módosíthat.
4.2.6.2. Villamos berendezések
a) Gázkészülékkel azonos légtérben lévő villamos berendezések e helyiségen kívülről legyenek lekapcsolhatóak.
b) A gázérzékelővel vezérelt önműködő leválasztás esetében a főkapcsolótól független részleválasztó kapcsolót kell létesíteni. A részleválasztás terjedjen ki az ellenőrzött légtérben lévő valamennyi villamos berendezésre, kivéve:
– a vészszellőző berendezést,
– minden olyan villamos berendezést (például biztonsági világítás), amelynek önműködő leválasztását technológiai vagy biztonsági okok nem teszik lehetővé,
– az ellenőrzött légtérben elhelyezett, robbanás biztos kivitelű villamos berendezést.
c) Minden, a helyiségben levő – a részleválasztás után is feszültség alatt maradó – villamos berendezés robbanás biztos védelme feleljen meg az MSZ EN 60079-14 [Villamos gyártmányok robbanóképes gázközegben. Villamos berendezések létesítése robbanásveszélyes térségekben.] szabványnak vagy azzal egyenértékű műszaki megoldásnak.
4.2.6.3. Szerelvényezési feltételek
a) A csatlakozó és/vagy fogyasztói vezetékbe a gázfogyasztó készülék helyiségén kívül – közvetlenül az ajtó mellett – kézi működtetésű elzárót kell beépíteni, amely a gázfogyasztó készülékhez tartozó valamennyi záró- és egyéb szerelvény előtt legyen. Az elzáró szerelvényt jelzőtáblával jelölni kell.
b) A helyiségben elhelyezett, a gázfogyasztó készülék kiszolgálására hivatott nyomásszabályozó – a készülék nyomásszabályozók kivételével – membránjának a légtérrel összeköttetésben lévő terét el nem zárható szellőzővezetéken át a szabadba kell szellőztetni. A szellőzőcső végződése a nyílászáróktól legalább 1 m-re legyen és a 3.4. sz. ábra szerint legyen kialakítva. A szellőzőcső végét víz elleni védelemmel és DN 25 átmérő feletti méret esetén visszalobbanás-gátlóval kell ellátni.
c) A gázvezeték végpontjain és a jelentősebb szakaszait elzáró (szakaszoló) szerelvények előtt szellőztető (kilevegőztető) vezetéket kell beépíteni.
d) Az ipari és mezőgazdasági gázkészülékek kialakítása, szerelvényezettsége feleljen meg az MSZ EN 264 [Biztonsági záró szerelvények folyékony tüzelőanyaggal működő berendezésekhez. Gyártási követelmények, vizsgálat.], az MSZ EN 298 [Ventilátoros vagy atmoszférikus gázégők és gázkészülékek automatikus égésellenőrző rendszerei], az MSZ EN 746-1:1997+A1:2010 [Ipari hőtechnikai berendezések. 1. rész: Tüzelő és tüzelőanyag ellátó rendszerek biztonsági követelményei.] és az MSZ EN 746-2:2010 [Ipari hőtechnikai berendezések. 2. rész: Tüzelő- és tüzelőanyag-ellátó rendszerek biztonsági követelményei] szabványok vagy azzal egyenértékű műszaki megoldás előírásainak.
4.2.6.4. Biztonsági berendezések
Minden gázégő vagy együttműködő égőcsoport elé az MSZ EN 161 [Automatikus elzáró szerelvények gázégőkhöz és gázkészülékekhez] szabványnak vagy azzal egyenértékű műszaki megoldásnak megfelelő, automatikus biztonsági záró szerelvényt kell beépíteni (ez a záró szerelvény nem helyettesíti a készülék elzárót).
a) A szerelvények darabszámát és minőségi osztályát a 4.1. táblázat tartalmazza (például 2xA: két db A osztályú szerelvény) a hőterhelés függvényében.
b) Az MSZ EN 264 [Biztonsági záró szerelvények folyékony tüzelőanyaggal működő berendezésekhez. Gyártási követelmények, vizsgálat] szabvány hatálya alá nem tartozó szerelvény használatakor is teljesíteni kell e szabvány biztonsági szintjét.
c) Az automatikus biztonsági záró- és a szabályozószerelvények működtetése egymástól független legyen.
d) Folyékony fázisú propán-bután vezeték automatikus záró szerelvénye az MSZ EN 264 [Biztonsági Záró szerelvények folyékony tüzelőanyaggal működő berendezésekhez. Gyártási követelmények, vizsgálat] szabvány vagy azzal egyenértékű műszaki megoldás szerinti legyen.
e) A külső és belső tömörség vizsgálatára a gyártómű előírásait kell figyelembe venni.
f) A záró szerelvények darabszámát a 4.1. táblázatból kell meghatározni.
g) Az együttműködő gázégőcsoport közös záró szerelvényeit az együttes hőterhelés alapján kell kiválasztani.
h) Az automatikus záró szerelvény biztonsági kikapcsoláskor zárjon, a zárás reteszelt kikapcsolás legyen. Indokolt esetben a reteszelt kikapcsolás kézi oldása speciális eszköz használatával történhet.
i) Az automatikus záró szerelvény – a készülék rendszerétől függően – az egyes égőket vagy égőcsoportokat vagy az egész gázbetáplálást zárja le.
4.1. táblázat

4.2.6.5. Ipari- és mezőgazdasági berendezéseknél gázoldali kötésbe 140 kW hőterhelésig kényszerlevegős gázégőnél elegendő 2 db „B” osztályú elzáró szerelvény, atmoszférikus gázégőnél pedig 2 db „C” osztályú elzáró szerelvény beépítése az MSZ EN 746-2:2010 [Ipari hőtechnikai berendezések. 2. rész: Tüzelő- és tüzelőanyag-ellátó rendszerek biztonsági követelményei] szabvány vagy azzal egyenértékű műszaki megoldás szerint.
4.2.6.6. A gázvezeték végpontjain és a jelentősebb szakaszait elzáró (szakaszoló) szerelvények előtt szellőztető (kilevegőztető) vezetéket kell beépíteni. A szellőzőcső végződése nyílászáróktól legalább 1 m-re legyen és a 3.4. sz. ábra szerint legyen kialakítva). A szellőzőcső végét víz elleni védelemmel és DN 25 átmérő feletti méret esetén visszalobbanás-gátlóval kell ellátni.
4.2.6.7. Tűzoltó felszerelés
A gázfogyasztó készülék helyiségénél – a helyiségből és a helyiségen kívülről jól megközelíthető helyen – az Országos Tűzvédelmi Szabályzat eltérő rendelkezése hiányában az MSZ EN 3-7: 2004 + A1:2008 [Hordozható tűzoltó készülékek.] szabvány szerinti, ABC tűzosztályú tüzek oltására alkalmas porral oltó tűzoltó készülékeket kell készenlétben tartani. A szükséges tűzoltó készülékek az alábbiak:
a) 233 kW összhőteljesítmény alatt külön a gázfogyasztó készülékhez nem szükséges;
b) 233-580 kW összhőteljesítményhez 1 db 55 A, és 233 B vizsgálati egységtűz oltására alkalmas;
c) 580-1160 kW összhőteljesítményhez 2 db 55 A, és 233 B; vizsgálati egységtűz oltására alkalmas;
d) 1160-5800 kW összhőteljesítményhez 4 db 55 A, és 233 B vizsgálati egységtűz oltására alkalmas;
e) 5800 kW összhőteljesítményen felül 1 db 50 kg-os porral oltó és 4 db 55 A, és 233 B vizsgálati egységtűz oltására alkalmas.
4.2.7. Gázkészülékek erősáramú villamos hálózatra csatlakoztatása
a) Olyan gázkészülék, amelynek villamos hálózati csatlakoztatása van, és áram felvétele nem éri el a 30 A áramerősséget, a villamos hálózatnak csak olyan részéről táplálható, amelyet testzárlat esetében (a tápláló áramkörbe, a tápláló elosztóba vagy az azt megelőző táplálásba iktatott) 30 mA érzékenységű vagy ennél érzékenyebb áram-védőkapcsoló önműködően lekapcsol.
b) Olyan gázkészüléknél, amelynek villamos hálózati csatlakoztatása van, a gázkészülék közelében az áramkörbe iktatott hárompólusú (2s+f) megszakítóval vagy dugós csatlakoztatóval biztosítani kell a villamos hálózatról való leválasztás lehetőségét.
c) Olyan gázkészüléknek, amelynek villamos hálózati csatlakoztatása van, a testet – csak szerszámmal bontható módon – össze kell kötni a villamos hálózat érintésvédelmi védővezetőjével. Ha a villamos csatlakoztatás dugós csatlakozóval van megoldva, akkor ez az összekötés a dugós csatlakozó védőérintkezőjével legyen megoldott.
d) Olyan gázkészüléket, amelynek villamos hálózati csatlakoztatása van, csak olyan helyen szabad felszerelni, ahol a gázcső hálózat be van kötve az épület egyen-potenciálra hozó (EPH) hálózatba. Épületen belül új gázcsőhálózat esetében ellenőrizni kell az EPH csomópontot, illetve a gázcsőhálózatnak ezzel való összekötését. Gázkészüléknek meglévő csőhálózatra való csatlakoztatása esetén azonban ennek ellenőrzése elhagyható.
4.2.8. Robbanás elleni védelem
a) A legalább 140 kW egység- vagy (egy helyiségben) legalább 1400 kW együttes hőterhelésű gázfogyasztó készülék (készülékek) helyiségében – ha a fajlagos légtérterhelés 1100 W/m3 felett van – az esetleges robbanási helyzet kialakulásától, illetve hatásaitól védelemmel kell gondoskodni. Ez lehet gázkoncentráció érzékelő és beavatkozó készülék és azzal vezérelt vészszellőztető berendezés vagy hasadó-nyíló, illetve hasadó felület.
b) A gázkoncentráció-érzékelő és beavatkozó készülék
ba) a használt gáz alsó robbanási határértékének 20 tf %-án hallható és látható módon adjon jelzést, és egyidejűleg indítsa el a vészszellőztető berendezést,
bb) a gáz alsó robbanási határértékének (ARH) 40 tf %-án szüntesse meg a teljes berendezés gázellátását és az esetleges egyéb tüzelést, valamint hajtsa végre a helyiség villamos szempontból gyújtóforrásként számításba vehető berendezéseinek leválasztását, kivéve a vészszellőzést és vészvilágítást,
bc) a vészszellőzés óránként legalább tízszeres befúvásos légcserét biztosítson. A vészszellőző berendezés szerkezetileg és működés szempontjából független legyen a helyiség szellőző rendszerétől.
c) Állandó felügyelettel üzemelő, technológiai, ipari, mezőgazdasági célú gázfogyasztó készülékek esetében az alsó robbanási határérték 40 tf %-ához tartozó funkciók végrehajtása nem kötelező akkor, ha az a technológiai folyamatban zavart okozhat, egyéb veszélyhelyzetet idézhet elő.
d) 1400 kW-nál kisebb együttes hőterhelésű gázfogyasztó készülékek helyiségében elfogadható, ha a gázérzékelő csak egy jelzőhatárral működik, és ha ennél a jelzőhatárnál egyesíti magában az alsó robbanási határérték 20 és 40 tf %-ához tartozó funkciók elvégzését.
e) A hasadó vagy hasadó-nyíló felület méretezését, anyag megválasztását, a lefúvás környezetének védelmét az Országos Tűzvédelmi Szabályzat szerint kell kialakítani.
f) Nem lehet eltekinteni a hasadó vagy hasadó-nyíló felület alkalmazásától:
fa) iskola, óvoda-bölcsőde, kórház, színház, filmszínház, áruház és más, tömegek befogadására alkalmas épületekben; az ilyen jellegű intézmények területén lévő, a gázkészülékek elhelyezésére alkalmas helyiségekre a kodátozás nem vonatkozik; és
fb) a vegyes rendeltetésű épületben, ha a tömegtartózkodási célú helyiségek alapterülete az épület szintenkénti összes alapterületének 40%-át meghaladja, vagy ha az előző tömegtartózkodási célú helyiségek közvetlenül a tüzelőberendezés helyisége felett vagy mellett vannak;
fc) ha a helyiségben gáztüzelésű és szilárd tüzelésű berendezések együtt üzemelnek (ez esetben csak és kizárólag hasadó-nyíló felület alkalmazható a robbanási túlnyomás levezetésére).
4.3. A gázfogyasztó készülék légellátása, helyiségének szellőzése, az égéstermék elvezetése
4.3.1. A nyílt égésterű, „A” vagy „B” típusú gázfogyasztó készülékek helyiségének levegő-ellátásával kapcsolatos általános előírások
A helyiség légterével közvetlen kapcsolatban lévő (nyitott) égésterű gázfogyasztó készülékek biztonságos, egészségügyi és energetikai szempontból kifogástalan üzeme érdekében biztosítani kell a gázfogyasztó készülék helyiségének szellőzőlevegő-ellátását. A szükséges szellőzőlevegő-térfogatáramot és a bejutását biztosító nyomás feltételeket meg kell tervezni. A légellátás, szellőzés, a gázfogyasztó készülékek elhelyezésének tervezésénél figyelembe kell venni a helyiségben már meglévő más tüzelőanyaggal, akár csak ideiglenesen üzemelő tüzelőberendezések működését, kialakítását, légellátási megoldását, igényeit.
Az „A” és a legfeljebb 140 kW egység- és/vagy 1400 kW együttes hőterhelésű, „B” típusú gázfogyasztó készülékek üzeméhez szükséges szellőzőlevegő-térfogatáramot a következő módok valamelyikén kell a gázfogyasztó készülék helyiségébe juttatni:
a) a gázfogyasztó készülék helyiségének külső határoló szerkezetén elhelyezett levegő-bevezető szerkezetekkel, amelyek a jelleggörbéjük alapján a tervező által kiválasztott szerkezetek legyenek;
b) a közvetlenül szomszédos helyiségen keresztül, ha annak külső határoló szerkezetén a tervező által kiválasztott levegő-bevezető szerkezetek vannak, és ezt a szomszédos helyiséget a gázfogyasztó készülék helyiségével összeszellőztetik; a gázfogyasztó készülék helyiségében az összeszellőztető nyílások eltakarásának tilalmát jelezni kell a fogyasztó részére; ezt a tilalmat a tervben is elő kell írni;
c) a szabadból nyíló légcsatornával, amelyen keresztül a tervezett szellőzőlevegő térfogatáram gravitációs vagy ventilátorral létrehozott nyomáskülönbség hatására a gázfogyasztó készülék helyiségébe áramlik; a légcsatorna szabadba nyíló végén el nem zárható zsalu, huzalháló vagy rács legyen.
Ha a szellőzőlevegő útvonalán a légcsatornában szabályozó- vagy zárószerkezet van, akkor biztosítani kell, hogy a gázfogyasztó készülék csak a szerkezet teljesen nyitott állapotában üzemeljen.
Ha a szellőző levegő beáramlását ventilátor hozza létre, akkor annak üzemét a gázfogyasztó készülék üzemével reteszelni kell.
A légcsatornába a tervező általi kiválasztott hővisszanyerő elem beépítése megengedett, ez energetikai szempontból kedvező lehet.
A 140 kW-nál nagyobb egység-, vagy (egy helyiségben) 1400 kW-nál nagyobb együttes hőterhelésű gázfogyasztó készülékek szellőző levegőjének be- és kivezetésére a szabadból nyíló, illetve a szabadba vezető, nem éghető anyagú csatornát vagy nyílást kell kialakítani, amelynek szabadba nyíló végén el nem zárható zsalu, huzalháló vagy rács legyen.
d) Ha a szellőzőlevegő útvonalán a légcsatornában szabályozó- vagy zárószerkezet van, akkor biztosítani kell, hogy a gázfogyasztó készülék csak a szerkezet teljesen nyitott állapotában legyen üzemeltethető.
e) A fogyasztói vezetékben elhelyezett automatikus záró szerelvény zárt állapotban legyen, ha a szellőző berendezés nem üzemel.
4.3.2. Égéstermék elvezetés nélküli (nyílt égésterű), „A” típusú gázfogyasztó készülékek helyiségének levegő-ellátása, szellőzése
Az „A” típusú gázfogyasztó készülékek biztonságtechnikai és egészségügyi szempontból kifogástalan üzemének biztosítása céljából gondoskodni kell a helyiség olyan légcseréjéről, ami az égéstermék és a használat során keletkezett egyéb szennyezőanyagok koncentrációját az egészségügyi követelményeknek megfelelően korlátozza.
A szellőzőlevegő térfogatárama a gázfogyasztó készülék egyidejű hőterhelésére vonatkoztatva legalább 12 m3/h/kW legyen.
A lakossági fogyasztónál felszerelt gázfogyasztó készülék egyidejű hőterhelését [kW] az adattábla szerinti névleges hőterhelés [kW] és az alábbi egyidejűségi tényezők szorzataként kell kiszámítani:
a) 2-nél több főzőhelyet tartalmazó tűzhely: 0,5
b) 1-2 főzőhelyes gázfőző: 0,65
c) egyéb gázfogyasztó készülék: 1,0
d) nem lakossági felhasználó készülékeknél az egyidejűségi tényező: 1,0
4.3.3. Égéstermék elvezetéssel rendelkező, a helyiség légterétől nem független (nyílt égésterű), „B” típusú gázfogyasztó készülékek helyiségének levegő-ellátása, szellőzése.
E gázfogyasztó készülékek biztonságtechnikai és egészségügyi szempontból kifogástalan üzemének biztosítása céljából gondoskodni kell:
a) áramlásbiztosítóval rendelkező gázfogyasztó készülékeknél az égéshez szükséges levegő (az égési levegő), valamint az áramlásbiztosítón keresztül a helyiségből kiáramló levegő pótlásáról,
b) áramlásbiztosítóval nem rendelkező készülékeknél legalább az égéshez szükséges levegő (az égési levegő) pótlásáról.
Az égési levegőt és – az áramlásbiztosítóval rendelkező gázfogyasztó készülékek esetében – a szellőzőlevegő-térfogatáram összetevőit számítással kell meghatározni.
Áramlásbiztosítóval rendelkező gázfogyasztó készülék helyiségének szellőzőlevegő térfogatárama:

A szellőzőlevegő-térfogatáramot az égéstermék-elvezető berendezésnek az MSZ EN 13384-2:2003+A1:2009 [Égéstermék elvehető berendezések. Hő-, és áramlástechnikai méretezés. 2. rész: Égéstermék-elvezető berendezések több tüzelőberendezéshez.] szabvány vagy azzal egyenértékű műszaki megoldás nyomás- és hőmérséklet-feltételei szerint elvégzett méretezése során kapott részeredmények segítségével kell meghatározni. A méretezés során égéstermék-áramlásbiztosító utáni összes tömegáram nagysága ne legyen kevesebb, mint a készülékre számított elméleti égéstermék-tömegáram kétszerese, ha a készülék gyártója nem ír elő ennél nagyobb értéket.
Áramlásbiztosítóval rendelkező gázfogyasztó készülékek esetében a szellőzőlevegőnek a helyiségbe való beáramlásához szükséges nyomáskülönbséget lehetőleg a kémény huzatának kell biztosítania.
Amennyiben a szükséges szellőzőlevegő-térfogatáram bejuttatását a légbevezető elemeken keresztül a kémény természetes huzatával nem lehet megoldani, akkor:
a) vagy a szabadból befúvó (túlnyomásos) szellőzést kell létesíteni, amelynek üzeme a gázfogyasztó készülék üzemével reteszelt,
b) vagy szívott rendszerű égéstermék-elvezetést kell létesíteni, a szükséges szellőzőlevegő-térfogatáramhoz alkalmas bevezetéssel.
A tervező a „B” típusú készülék légellátásának tervezésénél köteles minden, az égéstermék elvezetés üzemét befolyásoló berendezést és üzemeltetési körülményt figyelembe venni.
A tervező a tervben hívja fel a felhasználó figyelmét a légellátási feltételek mindenkori biztosítására.
4.3.4. A helyiség légterétől nem független „B” típusú gázfogyasztó készülékek égéstermék-elvezetése
A gázfogyasztó készülékek égéstermékét minden lehetséges esetben a szabadba, a tetőhéjazat fölé kell kivezetni.
Az épület égéstermék-elvezető berendezése, az égési levegő hozzávezetés, az összekötő elem [MSZ EN 1443 Égéstermék elvezető berendezések. Általános követelmények.] és a gázfogyasztó készülék együttesét az MSZ EN 13384-1:2002+A2:2008 [Égéstermék elvezető berendezések. Hő-, és áramlástechnikai méretezés. 1. rész: Egy tüzelőberendezést kiszolgáló égéstermék-elvezető berendezések] és az MSZ EN 13 384-2:2003+A1:2009 [Égéstermék elvezető berendezések. Hő-, és áramlástechnikai méretezés. 2. rész: Égéstermék-elvezető berendezések több tüzelőberendezéshez;] szabvány vagy azzal egyenértékű műszaki megoldás szerint tervezni és méretezni kell. Égéstermék elvezetésre betervezni, illetve beépíteni csak a vonatkozó előírás [az építési termékek műszaki követelményeinek megfelelőség igazolásának, valamint forgalomba hozatalának és felhasználásának részletes szabályairól szóló 3/2003. (I. 25.) BM-GKM-KvVM együttes rendelet] szerint minősített égéstermék elvezető szerkezetet szabad. Az épület égéstermék elvezetője feleljen meg az MSZ EN 1443 [Égéstermék elvezető berendezések. Általános követelmények.] szabvány vagy azzal egyenértékű műszaki megoldás előírásainak (Bl, B2, B3 típusú készülékek).
A gázfogyasztó készülékkel együtt tanúsított (szerves részének minősülő) égéstermék elvezető, és égési levegő ellátó elemek a gyártó előírásainak feleljenek meg (B3 típusú készülék). Az égéstermék elvezető maximális hossza a gyártó előírása szerinti legyen. Az égési levegő hozzávezetést méretezni kell. Az égéstermék-elvezető berendezés átjárható, könnyen és biztonságosan tisztítható, megfelelő gáztömörségű, illetve a szabad keresztmetszete teljes hosszában ellenőrizhető legyen. Az ellenőrzéshez biztosítani kell a szükséges tisztító-ellenőrző és mérőnyílásokat, valamint a kitorkollás biztonságos megközelíthetőségét.
Az összekötő elem feleljen meg a vonatkozó műszaki, biztonsági és minőségi követelményeknek, az adott üzemmódra alkalmas, szükség szerint kiszerelhető, bontható, javítható, ellenőrizhető és tisztítható legyen.
Merev vagy hajlékony fém béléscsővel bélelt épített vagy fémből készült szerelt, a gázfogyasztó készülékkel együtt tanúsított hajlékony vagy merev fém béléssel rendelkező, illetve rendszer jellegű égéstermék elvezető berendezés kitorkollásának tető feletti elhelyezkedése az MSZ EN 15287-1 [Égéstermék-elvezető berendezések. Égéstermék-elvezető berendezések tervezése, kivitelezése és üzembe helyezése. 1. rész: Nyitott égésterű tüzelőberendezések égéstermék-elvezető berendezései.] szabvány szerinti legyen.
A kitorkollás elhelyezésekor a szélhatást is figyelembe kell venni a vonatkozó MSZ 845 [Égéstermék-elvezető berendezések tervezése, kivitelezése és ellenőrzése] szabvány 11.2.1. pontja vagy azzal egyenértékű műszaki megoldás szerint.
Az épület égéstermék elvezetőjét igénybe vevő gázkészülékek esetében az új gázfogyasztó készülékek felszerelését megelőzően, vagy meglévő készülékek cseréje esetén a tervezőnek be kell szerezni a kéményseprő-ipari közszolgáltató égéstermék-elvezető berendezésre vonatkozó, érvényességi időn belüli nyilatkozatát.
4.3.5. A helyiség légterétől független égési levegő ellátású és égéstermék-elvezetésű (zárt égésterű), „C” típusú gázfogyasztó készülékek égéstermék-elvezetése
4.3.5.1. Az égéstermék-elvezetés, illetve levegő bevezetés kialakításának általános feltételei
A C1, C3, C4, C5, C7, C8 és C9 típusú gázkészülékek égési levegő ellátása és égéstermék elvezetése, valamint a C1 kategóriájú gázkészülékeknél a szélfogó egységek és az égéstermék elvezető felületek kiömlő nyílásának védőberendezései a készülék alkotórészét képezik. Ezekhez csak a gyártó által szállított eredeti alkatrészeket szabad felhasználni, és azokat a gyártó beépítési utasításai alapján kell beszerelni.
Az égéstermék-elvezető berendezés, az égési levegő hozzávezetés, az összekötő elem és a gázfogyasztó készülék együttesét az MSZ EN 13384-1:2002+A2:2008 [Égéstermék elvezető berendezések. Hő-, és áramlástechnikai méretezés. 1. rész: Egy tüzelőberendezést kiszolgáló égéstermék-elvezető berendezések] és az MSZ EN 13384-2:2003+A1:2009 [Égéstermék elvezető berendezések. Hő-, és áramlástechnikai méretezés. 2. rész: Égéstermék-elvezető berendezések több tüzelőberendezéshez.] szabvány vagy azzal egyenértékű műszaki megoldás szerint tervezni és méretezni kell, illetve a gyártó előírásai szerint kell kiválasztani.
Égéstermék elvezetésre és égési levegő hozzávezetésre betervezni, illetve beépíteni csak a vonatkozó előírás [az építési termékek műszaki követelményeinek megfelelőség igazolásának, valamint forgalomba hozatalának és felhasználásának részletes szabályairól szóló 3/2003. (I. 25.) BM-GKM-KvVM együttes rendelet; egyes gázfogyasztó készülékek kialakításáról és megfelelőségének tanúsításáról szóló 22/1998. (IV. 17.) IKIM rendelet] szerint minősített szerkezetet szabad.
Az égéstermék elvezető berendezés kitorkollásának tető feletti elhelyezkedése az MSZ EN 15287-2 [Égéstermék elvezető berendezések. Égéstermék-elvezető berendezések tervezése, kivitelezése és üzembe helyezése. 2. rész: Zárt égésterű tüzelőberendezések égéstermék-elvezető berendezései] szabvány vagy azzal egyenértékű műszaki megoldás szerinti legyen.
A C4 és C8 típusú gázkészülékek égéstermék elvezetése és égési levegő ellátása részben a készülékhez tartozó égési levegő ellátó és égéstermék elvezető berendezéseken keresztül, részben az épület égéstermék elvezető berendezésén és épületszerkezetnek minősülő égési levegő ellátó berendezésen keresztül történik, ezért a készülék résznek minősülő szerkezeti elemek tekintetében a gyártó beépítési utasításai alapján, továbbá az épületszerkezetnek minősülő égéstermék elvezetők esetében az építési engedély előírásainak megfelelően kell kialakítani. Az épület égéstermék elvezetőjének használatba vétele a B típusú készülékeknél leírtak szerint a kéményseprő-ipari közszolgáltató közreműködésével történik.
A C6 típusú gázkészülékek égéstermék elvezetését az MSZ CEN/TR 1749 [A gázkészülékeknek az égéstermék-elvezetés módja szerinti osztályozási rendszere] szabványban szereplő, bármelyik C típusú kialakításra megadott elrendezésben a készülék és az égéstermék rendszer gyártójának előírásai, valamint az építési engedély előírásai alapján kell kialakítani. A létesítéshez be kell szerezni a kéményseprő-ipari közszolgáltató nyilatkozatát. Az égési levegőellátás és az égéstermék elvezetés méretezése a terv részét képezi.
4.3.5.2. A 70 kW-nál nem nagyobb hőterhelésű „C” típusú gázfogyasztó készülékek égéstermék-kivezetésének épület homlokzatán (külső falán) való elhelyezésére vonatkozó feltételek
A helyiség légterétől független (zárt) égésterű gázfogyasztó készülékek égéstermékének homlokzati (külső fali) kivezetése az országos településrendezési és építési követelményekről szóló jogszabály figyelembevételével az MSZ EN 15287-2 [Égéstermék elvezető berendezések. Égéstermék-elvezető berendezések tervezése, kivitelezése és üzembe helyezése. 2. rész: Zárt égésterű tüzelőberendezések égéstermék-elvezető berendezései.] szabványnak vagy azzal egyenértékű műszaki megoldásnak megfelelően létesíthető.
4.3.6. Gyűjtő jellegű égéstermék-elvezető berendezések
a) Az új, több építményszintről igénybe vett, gyűjtő jellegű égéstermék-elvezető berendezések csak zárt rendszerűek lehetnek, amelyekre csak „C” típusú gázfogyasztó készülékek csatlakoztathatók.
Az égéstermék-elvezető és a levegő bevezető járatot valamennyi rá csatlakozó készülék figyelembevételével tervezni és méretezni kell.
b) Meglévő, több építményszintről igénybe vett, gyűjtő jellegű, nyitott rendszerű égéstermék-elvezető berendezés
Készülék cserét elvégezni csak a területileg illetékes kéményseprő-ipari közszolgáltató helyszíni vizsgálata alapján kiadott nyilatkozatában meghatározott feltételek teljesítése után, az 5.3. pont szerint szabad.
c) Az új, azonos építményszintről igénybe vett, kaszkád elrendezésű égéstermék-elvezető berendezés kialakítása nyitott és zárt rendszerű egyaránt lehet. Az égéstermék-elvezető berendezés csak túlnyomásos kivitelű lehet. Minden készüléknél az égéstermék visszaáramlását megakadályozó szerkezetet kell alkalmazni. Az égéstermék-elvezető és a levegő bevezető járatot valamennyi rácsatlakozó készülék figyelembevételével tervezni és méretezni kell.
5. A csatlakozó vezetékek és felhasználói berendezések kivitelezési követelményei
5.1. Általános kivitelezési követelmények
5.1.1. A kivitelezővel szemben támasztott követelmények
Kivitelezni csak kivitelezői jogosultság birtokában szabad.
Jogszabályban [az építőipari kivitelezési tevékenységről szóló 191/2009. (IX. 15.) Korm. rendelet] meghatározott esetekben a kivitelezőnek építési naplót kell vezetnie.
A kivitelezést a földgázelosztó által műszaki biztonsági szempontokból felülvizsgált és kivitelezésre alkalmasnak minősített tervdokumentáció alapján kell végezni. Kivételt képez az 5.3. pont szerinti „egyszerűsített készülékcsere”, amelyet a területileg illetékes földgázelosztóval vagy pébégáz fogyasztó készülék esetében a pébégáz forgalmazóval előzetesen létrejött megállapodás alapján feljogosított, a gázszerelők közhitelű hatósági nyilvántartásában [a gázszerelők engedélyezéséről és nyilvántartásáról szóló 30/2009. (XI. 26.) NFGM rendelet] is szereplő gázszerelő végezhet.
Meglévő csatlakozóvezetékre, fogyasztói vezetékre vagy telephelyi vezetékre történő szintetikus földgáz (SNG) vagy csúcsfedező gáz (PSG) csatlakoztatás létesítéséhez a földgázelosztó hozzájárulása szükséges.
A felülvizsgált tervtől eltérni csak a tervező dokumentált engedélyével szabad. Amennyiben a tervtől való eltérés műszaki biztonsági kérdést is érint, úgy a tervező által módosított terv szerinti munka a földgázelosztó vagy a pébégáz forgalmazó előzetes hozzájárulásával, és az ismételt tervfelülvizsgálatot követően kivitelezhető (ld. a 3.1.5. pont alatt).
A szerelési munkák elvégzésére a gázszerelők közhitelű hatósági nyilvántartásában [a gázszerelők engedélyezéséről és nyilvántartásáról szóló 30/2009. (XI. 26.) NFGM rendelet] szereplő gázszerelő jogosult. Ez nem zárja ki, és nem helyettesíti a hegesztővel szemben támasztott minősítési követelmények teljesülését, ha a kivitelezési munka ezt ezen előírás 5.1.2.1. pontja szerint szükségessé teszi, továbbá ha a létesítésre vonatkozó előírások további követelmények teljesülését is megköveteli.
5.1.1.1. A kivitelező felelőssége
A kivitelező köteles a tőle elvárható legmagasabb szakmai színvonalon a vonatkozó jogszabályokban előírtak betartásával, valamint a felhasználó jogos igényeinek figyelembevételével végezni munkáját.
A kivitelező a gázszerelési és gázfogyasztó készülékcsere munkáját csak az arra vonatkozó jogosultságok birtokában végezheti. Azok hiányában végzett munka jogszerűtlen munkavégzésnek minősül, amelyért a kivitelező felelősséggel tartozik.
A kivitelező köteles a szerelési munkát – az egyszerűsített készülékcsere esetének kivételével – a földgázelosztó vagy a pébégáz forgalmazó által kivitelezésre alkalmasnak minősített kiviteli terv szerint elvégezni. Attól kizárólag a tervező előzetesen dokumentált hozzájárulásával térhet el.
Az a gázszerelő, aki az egyszerűsített készülékcserét – külön, a készülék cserére vonatkozó külön megállapodás szerint – végzi, a készülékcserével járó munkája mellett (a kiviteli terv hiányára tekintettel) felelős:
a) az új gázfogyasztó készüléknek a meglévő fűtési és/vagy használati melegvíz rendszerhez, valamint az égéstermék elvezető berendezéshez való szakszerű illesztéséért [amennyiben végzettsége és szakképesítése szerint szükséges és indokolt, arra jogosult tervező/szakértő [a településtervezési és az építészeti-műszaki tervezési, valamint az építésügyi műszaki szakértői jogosultság szabályairól szóló 104/2006. (IV. 28.) Korm. rendelet] bevonásáért];
b) a kivitelezéshez és az üzemeltetéshez szükséges engedélyek, nyilatkozatok, tanúsítványok és egyéb dokumentumok meglétének ellenőrzéséért;
c) a felhasználó biztonságos üzemeltetéssel kapcsolatos kötelezettségeiről történő szakszerű tájékoztatásáért;
d) a kivitelezési munka műszaki biztonsági ellenőrzéséért (a területileg illetékes földgázelosztó illetve pébégáz készülékek esetében a pébégáz forgalmazó feljogosítása alapján);
e) a megtörtént gázkészülék cseréről a 7.7. szakasz szerint szerelési nyilatkozat és bejelentő lap kiállításáért, továbbá a földgázelosztóhoz vagy pébégáz forgalmazóhoz a munka elvégzését követő 2 napon belül történő – dokumentált – átadásáért;
f) a gázfogyasztó készülékbe, annak tartozékaiba beépített szerelvények, tartozékok és a gázfogyasztó készülék megfelelőségét igazoló dokumentumok másolatainak – amelyeknek egy példányát a készülék üzemeltetőjének ad át – 10 évig történő megőrzéséért.
5.1.2. Felépítményi munkák
5.1.2.1. Nem oldható kötések
A csatlakozó- és fogyasztói vezetékek csőkötéseinél nem oldható kötéseket kell alkalmazni. Oldható kötések csak szerelvényekhez, idomokhoz, mérőelemekhez, szigetelő közdarabokhoz, készülék bekötésekhez, műszerekhez és csővég lezárásokhoz alkalmazhatók. Amennyiben a cső anyaga, mérete vagy a szerelési körülmények megváltoznak, vagy azokat módosítani kell, a szerelési technológia előírásaira vonatkozóan a tervező által új technológiai követelményrendszer megadása szükséges, és a munkálatokat ennek megfelelően szabad folytatni.
a) Acél anyagú csatlakozó és fogyasztói vezetékek szerelése
Szerelés hegesztett kötéssel
Hegesztési eljárás (technológia)
4,5 mm falvastagságnál nem nagyobb falvastagságú csöveket és csőidomokat – tompa illesztéses – lánghegesztési eljárással is szabad hegeszteni.
A 4,5 mm-nél nagyobb falvastagságú csöveket és csőidomok bevont elektródás – az üzemi hőmérsékletnek megfelelő hideg ütőmunkára bizonylatolt elektródával – kézi ívhegesztéssel kell hegeszteni.
Mindazon acél vezetékeknél, ahol minősített hegesztő végezhet csak hegesztést, azt az MSZ EN ISO 15614-1:2004/A1.2008 [Fémek hegesztési utasítása és hegesztéstechnológiájának minősítése. A hegesztéstechnológia vizsgálata. 1. rész: Acélok ív- és gázhegesztése, valamint nikkel és ötvözetei ívhegesztése. 1. módosítás (ISO 15614-1:20041Amd 1:2008).] szabvány vagy azzal egyenértékű műszaki megoldás szerinti eljárásvizsgálattal igazolt hegesztési utasításnak (WPS) megfelelően kell végezni.
Technikai feltételek
Hegesztett kötések készítésére olyan eszközök használhatók, amelyek megfelelnek az acélhegesztő eszközök időszakos felülvizsgálatára vonatkozó előírásoknak [a Hegesztési Biztonsági Szabályzat kiadásáról szóló 143/2004. (XII. 22.) GKM rendelet].
A hegesztésnél alkalmazott berendezések, gépek, készülékek, szerszámok, segédeszközök, védőeszközök (a továbbiakban együtt: berendezések) feleljenek meg a Hegesztési Biztonsági Szabályzat kiadásáról szóló 143/2004. (XII. 22.) GKM rendeletben előírt követelményeknek.
Személyi feltételek
Ezen előírás hatálya alá tartozó, DN 25-nél nagyobb méretű nagyközép nyomású, DN 50-nél nagyobb méretű közép- és a DN 100-nál nagyobb méretű kisnyomású csatlakozó és fogyasztói vezeték hegesztésére csak a minősített ív-, és/vagy lánghegesztő jogosult. Ez esetben a hegesztés kivitelezőjének rendelkeznie kell az MSZ EN ISO 14731 [Hegesztési felügyelet. Feladatok és felelősség.] szabvány szerinti követelményeket kielégítő hegesztési koordinációs személyzettel (hegesztési felelőssel, hegesztő műszaki szakemberrel) és az MSZ EN 287-1 [Hegesztők minősítése. Ömlesztő hegesztés. Acélok] szabvány előírásai szerint minősített hegesztőkkel. Minden más esetben a gázszerelők közhitelű hatósági nyilvántartásában [a gázszerelők engedélyezéséről és nyilvántartásáról szóló 30/2009. (XI. 26.) NFGM rendelet] szereplő gázszerelő is jogosult a csatlakozó- és fogyasztói vezeték kivitelezésére.
Szerelés présidomos kötéssel
Présidomos kötéshez a technológiára alkalmas, tanúsítással rendelkező, rozsdamentes acélcsövek és idomok használhatók fel. A szerelésnél csak a felhasznált anyaghoz (márkához) előírt préspofa használható.
A technológia rendszergazdája a szerelési jogosultságot vizsgához kötheti.
b) Rézanyagú csatlakozó és fogyasztói vezeték szerelése
Rézanyagú csatlakozó és fogyasztói vezetéket az szerelhet, aki az adott technológiára vonatkozó tanfolyamot elvégezte, és arról tanúsítvánnyal rendelkezik.
Szerelés forrasztott kötéssel
Forrasztási eljárás (technológia)
Az alkalmazott forraszanyag feleljen meg az MSZ EN ISO 17672:2010 [Keményforrasztás. Keményforraszok.] szabvány vagy azzal egyenértékű műszaki megoldás előírásainak és legalább 450 °C olvadáspontú legyen, amely felhasználásánál a gyártó előírásait be kell tartani.
Csak a forraszanyaghoz előírt, az MSZ EN 1045 [Keményforrasztás. Folyósítószerek keményforrasztáshoz Osztályba sorolás és műszaki szállítási feltételek.] szabvány vagy azzal egyenértékű műszaki megoldás szerinti folyósító szert szabad használni.
Szerelés présidomos kötéssel
Csak az MSZ EN ISO 15614-1:2004/A1:2008 [Fémek hegesztési utasítása és hegesztéstechnológiájának minősítése. A hegesztéstechnológia vizsgálata. 1. rész: Acélok ív- és gázhegesztése, valamint nikkel és ötvözetei ívhegesztése. 1. módosítás (ISO 15614-1:2004/Amd 1:2008).] szabvány vagy azzal egyenértékű műszaki megoldás előírásainak megfelelő kemény vagy félkemény (illetve rejtett szerelésnél lágy fokozatú is) rézcső alkalmazható.
Az alkalmazott cső falvastagsága a 3.2.3. pont b) alpontjában megadott lehet.
A vezeték szerelésénél felhasznált idomok a prEN 1254-7 [Présidomos végű szerelvények fémcsövekhez] szabvány előírásainak feleljenek meg.
A szerelésnél csak a felhasznált anyaghoz előírt préspofa használható.
c) PE anyagú csatlakozó és fogyasztói vezeték szerelése
A cső és csőidom anyaga feleljen meg a 3.3. a), b), c) sz. táblázathoz tartozóan megadott szabványnak.
Csak az MSZ EN 1555 [Műanyag csővezetékek éghető gázok szállítására. Polietilén csövek] szabványsorozatban, vagy azzal egyenértékű műszaki megoldásban megadott tárolási időn belül használhatók fel a csövek és csőidomok.
Présidomos kötéshez a technológiára alkalmas, tanúsítással rendelkező, polietilén csövek és vörösöntvény idomok használhatók fel. A szerelésnél csak a felhasznált anyaghoz (márkához) előírt préspofa használható. A technológia rendszergazdája a szerelési jogosultságot vizsgához kötheti.
Hegesztési eljárást az 5.1. sz. táblázat szerint kell megválasztani.
5.1. sz. táblázat

Technikai feltételek
A PE hegesztést csak olyan hegesztő berendezéssel szabad végrehajtani, amely érvényes és
megfelelőnek minősített felülvizsgálati dokumentációval rendelkezik.
Személyi feltételek
PE anyagú csatlakozó és fogyasztói vezetéken hegesztési munkálatokat csak az adott hegesztési eljárásra érvényes minősítéssel rendelkező műanyaghegesztő végezhet. A PE anyagú csatlakozó és fogyasztói vezetékek hegesztési munkálatainak helyszíni irányítására és ellenőrzésére PE vezetéképítés irányítói képesítéssel rendelkező felelős személyt kell megbízni, akinek feladatát munkaköri leírásban kell szabályozni. A PE vezeték hegesztését eljárásvizsgálattal igazolt hegesztési utasításnak (WPS) megfelelően kell végezni.
Sajtolt vagy más mechanikai kötések alkalmazását a kötési rendszer tulajdonosa vizsgához kötheti.
5.1.2.2. Oldható kötések
Oldható kötésekhez kizárólag az MSZ EN 751- [Az 1., 2., és 3. családba sorolt gázokkal és forró vízzel érintkező menetes fémkötések tömítőanyagai.] szabványsorozat vagy azzal egyenértékű műszaki megoldás előírásait kielégítő tömítések használhatók. Karimás kötések tömítő anyagai az üzemi nyomásnak (MOP) megfelelőek és pentánállóak legyenek.
Növényi eredetű (például kenderszál) tömítőanyagot alkalmazni nem szabad.
a) Karimás kötés
A karimás kötések készítésénél fokozott figyelemmel kell lenni:
aa) az alkalmazott karimák nyomásfokozatára,
ab) a csővégre felhegesztett karimák csőtengelyre való merőlegességére,
ac) a karima tömítés anyagára, és
ad) műszaki megoldására.
b) Menetes kötés
Menetes kötés alkalmazható:
ba) szerelvények beépítésénél,
bb) gázfogyasztó készülékek kötéseinél,
bc) műszerek és műszer vezetékek kötéseinél,
bd) egyéb olyan helyeken, ahol a földgázelosztó vagy a pébégáz forgalmazó technológiai utasításai ezt megengedik.
A csatlakozó vezetékbe és/vagy fogyasztói vezetékbe DN50 (2″)-nél nagyobb méretek esetén menetes kötés alkalmazását kerülni kell.
A menetes kötésekhez alkalmazott tömítőanyagok feleljenek meg az MSZ EN 751- [Az 1., 2. és 3. gépcsalád gázaival és forró vízjel érintkező menetes fémkötések tömítő anyagai.] szabványsorozat vagy azzal egyenértékű műszaki megoldás előírásainak.
c) Hollandi anyás kötés
A hollandi anyás kötés anyagának és tömítőanyagának megválasztásánál figyelemmel kell lenni a csatlakozó vezeték és a felhasználói berendezés üzemi nyomására, hőmérséklet tartományára és a szállított közegre.
5.1.2.3. Csatlakozó és fogyasztói vezeték rögzítése
A szabadon szerelt vezetéket csőbilinccsel kell rögzíteni legalább az alábbi helyeken:
a) gázmérő csatlakozás mindkét oldalán,
b) gázmérő utáni függőleges szakasz felső pontján,
c) gázfogyasztó készülékhez leágazó vezeték felső és alsó pontján.
A bilincsezés ajánlott távolságait a 7.1. szakasz tartalmazza.
5.1.2.4. Csatlakozó és fogyasztói vezeték eltakarása, takaró burkolatai
A csővezetéket szabadon szerelve vagy rejtve szabad vezetni. A vezetékek eltakarására vonatkozó részletes műszaki szabályozást a földgázelosztók technológiai utasításai tartalmazzák, amelyet figyelembe kell venni. Az elvakolást csak műszaki biztonsági ellenőrzés után szabad elvégezni.
A takaró burkolat anyaga lehet fa, műanyag vagy fém. Kialakítása (ld. 5.1. sz. ábra) olyan legyen, hogy alatta a vezeték biztonsággal elférjen, illetve a hőtágulásból eredő méretváltozást ne akadályozza.
5.1. sz. ábra
Csatlakozó és fogyasztói vezetékek burkolási lehetőségei

Ahol a vezeték mechanikai sérülésétől tartani lehet, ott annak védelméről gondoskodni szükséges.
A csatlakozó és fogyasztói vezetékek szerelésére és minősítésére, valamint kötéseire és korrózió védelmére a Szabályzat 5. fejezete tartalmaz részletes szabályozást.
5.1.2.5. Csatlakozó és fogyasztói vezeték korrózióvédelme
Acélcsőnél olyan helyen, ahol a cső teljes felületéhez szerelt állapotban nem lehet hozzáférni, a csövet a felszerelés előtt korrózióvédelemmel kell ellátni, a használatbavétel előtt az összes csőfelület korrózióvédelméről gondoskodni kell. A korrózióvédelem megfelelőségéről a csatlakozó és fogyasztói vezeték teljes élettartama idején folyamatosan gondoskodni kell. A korrózióvédelem történhet festéssel, fémbevonattal, műanyag bevonattal. A szabadon szerelt vezetéket a szállított közegnek megfelelő sárga színűre kell festeni vagy színjelöléssel kell ellátni. A színjelölés lakó- és kommunális épületeknél nem kötelező.
Rézcsőnél annak elvakolása esetén kell gondoskodni korrózióvédelemről.
Hagyományos módszerrel szerelt acélcsővezeték esetében a passzív korrózióvédelmi eljárásokat kell alkalmazni.
Minden falban vakolattal eltakart acél csővezetéket az elvakolás előtt passzív korrózióvédelemmel kell ellátni.
5.1.3. Villámvédelem
Épületen kívüli csatlakozó vezeték és a fogyasztói vezeték föld feletti tartozékaira villámvédelmi berendezést az Országos Tűzvédelmi Szabályzat szerint feltételekkel tervet kell készíteni. A villámvédelmet csak a villámvédelmi terv készítésére jogosult tervező tervezheti.
5.1.4. Érintésvédelem
A csatlakozó- és fogyasztói vezetékek eltérő potenciálon lévő szakaszait áthidaló kötés alkalmazásával (potenciál kiegyenlítővel) egyen-potenciálra kell hozni.
5.2. Az elkészült csatlakozó vezeték és/vagy fogyasztói vezeték kivitelezést követő felülvizsgálata
5.2.1. Nyomáspróba
Módszere
A csatlakozó- és a fogyasztói vezeték minőségének és szerelésének megfelelőségét készre szerelt állapotban szilárdsági- és tömörségi nyomáspróbával ellenőrizni kell. A csatlakozó vezeték és a felhasználói berendezés tömörsége, a nyomáspróba terv szerinti elvégzése, dokumentálása és értékelése a kivitelező feladata és felelőssége. A nyomáspróba gyakorlati végrehajtását a földgázelosztó vagy a pébégáz forgalmazó képviselője vagy megbízottja jogosult ellenőrizni.
A nyomáspróba megkezdésének feltétele legalább:
a) a csatlakozó vezeték és a fogyasztói vezeték készre szerelt állapota,
b) az összes kötés legyen hozzáférhető és festéstől, takarástól mentes,
c) valamennyi beépített tartozék és kötés feleljen meg a kivitelezésre alkalmasnak minősített tervben előírt feltételeknek,
d) a nyomáspróba időpontjában elvárható tartalmú megvalósulási dokumentáció (ld. 7.3. szakasz) kivitelező által a földgázelosztó vagy a pébégáz forgalmazó részére történő átadása,
e) a földgázelosztó vagy a pébégáz forgalmazó tervtől történt eltérés esetén az eltérés jogosságának, műszaki biztonsági szempontból megfelelőségének, és a kivitelezett állapothoz történt hozzájárulások dokumentált igazolása.
A szilárdsági és a tömörségi nyomáspróba értékét, időtartamát és a szükséges műszerezettséget a tervező által a műszaki leírásban meghatározott módon kell biztosítani. A szilárdsági és tömörségi nyomáspróba levegővel vagy semleges gázzal végezhető el. A szilárdsági vizsgálat előzze meg a tömörségi vizsgálatot. A nyomáspróba során kerülni kell minden hirtelen nyomásnövekedést a vizsgált létesítményben. Meglévő vezeték rendszer bővítéseként épült csővezetékeket is szilárdsági és tömörségi nyomáspróbának kell alávetni. A meglévő és annak bővítéseként megépült vezetékek összekötő hegesztési varratát, vagy más összekötő elemét, szerelvényét (haszon gázzal) csak tömörségi próbának kell alávetni. A nyomáspróbáról jegyzőkönyvet kell felvenni.
A jegyzőkönyvnek tartalmaznia kell:
a) a nyomáspróba helyét és időpontját,
b) a létesítmény megnevezését és főbb adatait, a „D” terv azonosítóját,
c) a nyomáspróbán részt vevő személyek nevét,
d) a műszerezettségre vonatkozó adatokat,
e) a nyomáspróba kezdetén és végén mért adatokat, amelyek a nyomáspróba minősítéséhez szükségesek és indokoltak,
f) a nyomáspróba minősítését.
5.2.1.1. Szilárdsági nyomáspróba
Értéke nem haladhatja meg a tervezési nyomást. Szükséges és indokolt esetben a csatlakozó vezeték és/vagy felhasználói berendezés egyes tartozékait, amelyek nem viselik el a megválasztott vizsgáló nyomást, a vizsgálat időtartamára ki kell szerelni vagy ki kell szakaszolni. A szilárdsági nyomáspróba értéke a legnagyobb üzemi nyomástól (MOP) függ az MSZ EN 12007-1 [Gázellátó rendszerek. Legfeljebb 16 bar ügetni nyomású csővezetékek – 1. Rész: Általános műszaki előírások.] szabványban vagy azzal egyenértékű műszaki megoldásban meghatározottak szerint (ld. 5.2. sz. táblázat).
A próbanyomás időtartama az állandósult állapot elérését követően 15 min.
5.2. sz. táblázat

Amennyiben a csatlakozó vezeték üzemi nyomása nagyobb, mint 16 bar, a szilárdsági próbanyomás értékét a csatlakozó vezeték üzemi nyomásától függően a 80/2005. (X. 11.) GKM rendelet vagy a 79/2005. (X. 11.) GKM rendelet előírásai szerint kell meghatározni.
5.2.1.2. Tömörségi nyomáspróba
0,1 bar-t meg nem haladó üzemi nyomás esetében a tömörségi próbanyomás értéke 150 mbar, 0,1 bar-t meghaladó üzemi nyomás esetében legyen legalább akkora, mint a legnagyobb üzemi nyomás (MOP), de ne haladja meg annak (MOP) 150%-át.
Nagyközép nyomású pébégáz vezeték tömörségi nyomáspróbája egyensúlyi gőznyomáson is elvégezhető, ha annak értéke legalább 3 bar.
A tömörségvizsgálat időtartama az állandósult állapot elérését követően 10 min.
Megfelelőség értékelése és igazolása
A nyomáspróba akkor tekinthető eredményesnek, ha a vizsgált létesítményen szivárgás, maradandó alakváltozás és a külső légnyomás- és hőmérsékletváltozás által indokoltan bekövetkezett nyomásváltozáson túli nyomásváltozás nem következett be.
5.2.2. Az acél hegesztett kötések vizsgálata és dokumentálása
A hegesztett kötések ellenőrzését az MSZ EN 12732 [Gázellátó rendszerek. Acélcsövek hegesztése. Műszaki követelmények.] szabvány vagy azzal egyenértékű műszaki megoldás előírásai szerint kell elvégezni és dokumentálni.
A hegesztési naplót DN 25-nél nagyobb méretű nagyközép-nyomású, DN 50-nél nagyobb méretű közép- és a DN 100-nál nagyobb méretű kisnyomású csatlakozó- és fogyasztói vezeték hegesztése esetén naprakészen kell vezetni.
A hegesztési naplónak az alábbiakat kell tartalmazni:
a) a hegesztő neve, jele,
b) a vizsgabizonyítvány száma, kelte és érvényessége,
c) a varrat sorszáma, neme,
d) a varrat minősítése (a radiográfiai vizsgálatok szükségességét és számát a vonatkozó szabvány [MSZ EN 12007-1 Gázellátó rendszerek. Legfeljebb 16 bar üzemi nyomású csővezetékek. 1. rész: Általános műszaki előírások. MSZ EN 12007-3 Gázellátó rendszerek. Legfeljebb 16 bar üzemi nyomású csővezetékek. 3. rész: Az acélra vonatkozó különleges műszaki előírások. MSZ EN 12732 Gázellátó rendszerek. Acélok hegesztése. Műszaki követelmények. MSZ EN 1594 Gázellátó rendszerek. 16 bar-nál nagyobb üzemi nyomású csővezetékek. Műszaki követelmények.] vagy azzal egyenértékű műszaki megoldás szerint kell megállapítani),
e) a varraton végzett javítások,
f) a javítások eredménye,
g) varrattérkép.
Az acélcsövek hegesztési varratait az 5.3. sz.: táblázat szerint kell vizsgálni.
5.3. sz. táblázat

5.2.3. A polietilén hegesztett kötések vizsgálata
A polietilén cső hegesztések vizsgálatát az MSZ EN 12007-2 [Gázellátó rendszerek. Legfeljebb 16 bar üzemi nyomású csővezetékek. 2. rész: A polietilénre vonatkozó különleges műszaki előírások (MOP legfeljebb 10 bar-ig).] vagy azzal egyenértékű műszaki megoldás szerint kell elvégezni és dokumentálni.
5.2.4. A gázfogyasztó készülékek égéstermék-elvezetésének, illetve levegő bevezetésének vizsgálata
5.2.4.1. A „B” típusú gázfogyasztó készülékek égéstermék elvezetésének vizsgálata
A gázfogyasztó készülék csak akkor helyezhető üzembe, ha a területileg illetékes kéményseprő-ipari közszolgáltató az égéstermék-elvezetés megfelelőségét műszaki felülvizsgálatról szóló nyilatkozattal igazolta.
A földgázelosztó vagy a pébégáz forgalmazó, illetve üzembe helyező csak érvényességi időn belüli kéményvizsgálati nyilatkozatot fogadhat el.
A „B” típusú gázfogyasztó készülékkel együtt tanúsított égéstermék elvezető rendszer kivitelezésének felülvizsgálatát a gyártó által az üzembe helyezésre feljogosított személynek kell elvégeznie vagy elvégeztetnie és dokumentálnia.
5.2.4.2. A „C” típusú gázfogyasztó készülékek égéstermék elvezetésének és levegő bevezetésének vizsgálata.
Abban az esetben, ha az égési levegő bevezetés és az égéstermék elvezetés – ha az nem a már meglévő épülethez tartozó égéstermék elvezető berendezésben került kialakításra – a gázfogyasztó készülékkel együtt tanúsított, valamint
a) teljes hosszában olyan koncentrikus elemeket tartalmaz, amelyekben az égéstermék-elvezető cső van belül,
b) rendelkezik CE jellel,
c) a koncentrikus égéstermék-elvezető és égési levegő bevezető berendezéshez csak egy gázfogyasztó készüléket csatlakoztattak,
d) az égéstermék-elvezető és égési levegő bevezető berendezés szerelésére a gyártó magyar nyelvű technológiai utasítása rendelkezésre áll,
e) a gázfogyasztó készülék az égési levegő megfelelő áramlását jelző-beavatkozó szerkezettel rendelkezik,
f) a belső égéstermék-elvezető cső esetleges tömörtelenségének szén-dioxid vagy oxigén koncentrációméréssel való ellenőrzésére a készüléken, vagy annak légbevezető cső csatlakozásánál az erre szolgáló mérőcsonk áll rendelkezésre,
akkor:
g) a gázfogyasztó készülék felszerelőjének a műszaki biztonsági ellenőrzési eljárás során írásban kell nyilatkoznia a koncentrikus levegő-bevezető, valamint égéstermék-elvezető cső gyártói előírás szerinti összeszereléséről és az előírt szerelési technológia betartásáról,
h) a gyártó által az üzembe helyezésre feljogosított személynek el kell végeznie a levegő-bevezető – égéstermék-elvezető cső tömörségi vizsgálatát, valamint a készülék üzembe helyezése, illetve a kötelező felülvizsgálat során üzemi próbával meg kell győződnie a gázfogyasztó készülékbe épített levegőáramlás-érzékelő működéséről. A tömörségvizsgálat elvégezhető az égési levegőben mérhető O2– vagy CO2-tartalom ellenőrzésével. Ezeket a vizsgálatokat dokumentálnia kell.
Abban az esetben, ha az égési levegő bevezetés és az égéstermék-elvezetés – ha az nem a már meglévő épülethez tartozó égéstermék elvezető berendezésben került kialakításra – a gázfogyasztó készülékkel együtt tanúsított, valamint:
a) az égéstermék elvezetés és a levegő hozzávezetés külön vezetékkel valósul meg,
b) az égéstermék-elvezető és égési levegő bevezető berendezés szerelésére a gyártó magyar nyelvű technológiai utasítása rendelkezésre áll, a gázfogyasztó készülék az égési levegő megfelelő áramlását jelző-beavatkozó szerkezettel rendelkezik,
akkor a gyártó által az üzembe helyezésre feljogosított személynek tömörségvizsgálattal kell meggyőződni az égési levegő-bevezető és égéstermék-elvezető cső tömörségéről. A vizsgálat és az üzemi próba dokumentált elvégzése (elvégeztetése) az ő kötelessége és felelőssége. Az üzembe helyező a vizsgálat elvégzésére a kéményseprő-ipari közszolgáltatót is felkérheti.
Ha az égési levegő-bevezető és égéstermék-elvezető berendezés nem a gázfogyasztó készülékkel együtt tanúsított, de minősítéssel rendelkezik, és
a) a gázfogyasztó készülék függőleges, gyűjtő rendszerű, zárt égéstermék-elvezető – levegő-bevezető berendezéshez csatlakozik, vagy
b) külön vezetékkel valósul meg,
akkor az égési levegő-bevezető és égéstermék-elvezető berendezés csak a területileg illetékes kéményseprő-ipari közszolgáltató felülvizsgálata után és nyilatkozata birtokában helyezhető üzembe.
5.3. Egyszerűsített készülékcsere
Az egyszerűsített gázkészülék csere eljárás alkalmazási feltételeit a rendelet 6. §-a tartalmazza.
A „B” típusú gázfelhasználó készülék beépítése azonban csere esetében is kizárólag a Szabályzat 4.2.4.1. c) pontjában előírt feltételek megvalósításával történhet.
Az egyszerűsített gázkészülék csere folyamatában az érintett csatlakozópontok és a felszerelt új elemek tömörségvizsgálata haszongázzal, egyszerű szivárgás ellenőrzéssel elvégezhető.
Az egyszerűsített gázkészülék csere után a csatlakozó vezeték és a felhasználói berendezés műszaki biztonsági ellenőrzését a gázkészülék cserét végző kivitelezőnek el kell végeznie, és annak eredményét dokumentálnia kell a 7.7. szakasznak megfelelően.
5.4. Műszaki biztonsági ellenőrzés
5.4.1. Műszaki biztonsági ellenőrzés feltételei földgáz esetében
Az elkészült csatlakozó vezetéket és felhasználói berendezést műszaki biztonsági szempontból a földgázelosztó vagy megbízottja köteles ellenőrizni. A műszaki biztonsági ellenőrzést végző személy az ellenőrzésről jegyzőkönyvet állít ki, amelynek egy példányát a kivitelezőnek, egy másik példányát a megrendelőnek (beruházónak, felhasználóknak) átadja.
5.4.1.1. A kivitelezés készre jelentése
Az elkészült létesítmény készre jelentésére – szerelési nyilatkozat (ld. 7.6. szakasz) benyújtásával – a csatlakozó vezeték és a felhasználói berendezés kivitelezője jogosult. A szerelési nyilatkozatnak tartalmaznia kell a kivitelező jogosultságának igazolását (igazolványa számát, érvényességét).
5.4.1.2. Sikeres a műszaki biztonsági ellenőrzés akkor, ha az alábbi feltételek együttesen teljesülnek:
a) a kivitelező az ellenőrzésnél jelen van;
b) a kivitelező a szerelési nyilatkozathoz csatolta a 7.4. szakasz szerinti megvalósulási dokumentációt;
c) a megépült rendszer – az MSZ EN 1775 [Gázellátás. Fogyasztói gázvezetékek, Legnagyobb üzemi nyomás < 5 bar. Műszaki előírások.] vagy az MSZ EN 12007-1 [Gázellátó rendszerek. Legfeljebb 16 bar üzemi nyomású csővezetékek. 1. rész. Általános műszaki előírások.] szabvány vagy azzal egyenértékű műszaki megoldás szerint – elvégzett szilárdsági és tömörségi nyomáspróbája sikeres volt;
d) a kivitelező az anyagok és tartozékok megfelelőségét (beleértve az RB-s berendezéseket is) igazoló dokumentumokat a megvalósulási dokumentációhoz csatolta;
e) a kéményseprő-ipari közszolgáltató műszaki vizsgálatáról szóló nyilatkozata épület égéstermék elvezető megfelelőségéről rendelkezésre áll;
f) a kivitelező csatolta a zárt égésterű gázfogyasztó készülékek gyárilag, a készülék tartozékaként szállított égéstermék elvezető és égési levegő bevezető rendszereinek gyárilag előírt technológia szerinti szerelésére vonatkozó nyilatkozatát;
g) a kivitelező csatolta a tömörségvizsgálatra kötelezett égéstermék elvezető berendezés tömörségvizsgálatának az MSZ EN 1443 [Égéstermék elvezető berendezések. Általános követelmények] szabvány vagy azzal egyenértékű műszaki megoldás szerinti jegyzőkönyvét;
h) a nyílt égésterű („A” vagy „B” típusú) gázfogyasztó készülékek esetében a légellátás-szellőzés az égéstermék elvezetés is a terv szerint valósult meg;
i) az arra jogosult szakember [az egyes ipari és kereskedelmi tevékenységek gyakorlásához szükséges képesítésekről szóló 21/2010. (V. 14.) NFGM rendelet] által kiadott, szükséges érintésvédelmi igazolás rendelkezésre áll;
j) a szükséges egyéb szakvélemények rendelkezésre állnak;
k) a felszerelt gázfogyasztó készülékek az e rendeletben vagy az egyes gázfogyasztó készülékek kialakításáról és megfelelőségének tanúsításáról szóló 22/1998. (IV. 17.) IKIM rendeletben foglalt előírásoknak megfelelnek;
l) a gázellátó rendszer a földgázelosztó által műszaki biztonsági szempontból alkalmasnak minősített terv szerint valósult meg.
5.4.2. A műszaki biztonsági ellenőrzés eltérései pébégáz esetében
a) A műszaki biztonsági ellenőrzés során a pébégáz forgalmazó képviselője a kivitelezett létesítményt a létesítési hozzájárulással rendelkező tervdokumentáció alapján műszaki biztonsági szempontból minősíti annak eldöntése céljából, hogy alkalmas-e használatba vételre.
b) A pébégáz forgalmazó a műszaki átadáson történő képviseletére szakirányú végzettségű [a földgázellátásban jelentős munkakörök betöltéséhez szükséges szakmai képesítésről és gyakorlatról szóló 12/2004. (II. 13.) GKM rendelet] mérnöknek vagy technikusnak adhat megbízást.
c) Alkalmas minősítést az a kivitelezett csatlakozó vezeték és felhasználói berendezés kaphat, amely a tervdokumentáció minden követelményének a 3.1. szakaszban foglaltaknak megfelelően, bizonylatokkal alátámasztottan megfelel.
5.5. Üzembe helyezés
A csatlakozó vezeték, felhasználói berendezés első vagy ismételt üzembe helyezését a földgázelosztó vagy a pébégáz forgalmazó által műszaki biztonsági szempontból felülvizsgált és kivitelezésre alkalmasnak nyilvánított tervdokumentáció alapján megvalósított és az üzembe helyezést gátló hiányosságot meg nem állapító műszaki biztonsági ellenőrzési eljárást követően szabad elvégezni.
A gázfogyasztó készülék üzembe helyezését és beüzemelését kizárólag a gyártó nevében eljáró, feljogosított személyek végezhetik el, amennyiben a gyártó ezt előírta.
A gázkészülékek gáz alá helyezése akár ideiglenesen is csak abban az esetben történhet, ha a Szabályzat 3. fejezet 3.1.3.2. pontjában előírtak teljesültek, valamint a földgázelosztónak vagy a pébégáz forgalmazónak a gázellátó rendszerre vonatkozó műszaki biztonsági felülvizsgálata megfelelő eredményű volt.
Szintetikus földgázzal (SNG) vagy csúcsfedező gázzal (PSG) történő üzemeltetéshez előzetesen meg kell kérni a gázfogyasztó készülék, gázfelhasználó technológia gyártójának nyilatkozatát, amely tartalmazza a szintetikus földgázzal vagy csúcsfedező gázzal történő üzemeltetéshez való hozzájárulásának feltételeit.
5.5.1. Csatlakozó- és fogyasztói vezeték gáz alá helyezése földgáz esetében
A csatlakozó vezeték és/vagy fogyasztói vezeték gáz alá helyezésére a műszaki biztonsági szempontból sikeres ellenőrzést követően kerülhet sor. Ezt a műveletet csak a földgázelosztó vagy megbízottja végezheti el.
A csatlakozó vezetékek és a fogyasztói vezetékek gáz alá helyezése során gondoskodni kell a bennük lévő nyomáspróba közeg (levegő vagy inert gáz vagy víz) eltávolításáról.
A gáz alá helyezést a földgázelosztó e műveletekre vonatkozó technológiai utasítása szerint kell elvégezni.
A gáz alá helyező köteles meggyőződni a csővégek biztonságos, csak szerszámmal bontható gáztömör lezárásáról.
Az üzemen kívül helyezett létesítmény újbóli gáz alá helyezésére a tömörségi, hat hónapon túli üzemszünet esetében a szilárdsági és tömörségi vizsgálat eredményes elvégzését követően kerülhet sor.
5.5.2. Gáz alá helyezés pébégáz esetében
Gáz alá helyezni kizárólag a műszaki átadáskor alkalmasnak minősített csatlakozó vezetéket és felhasználói berendezést szabad.
A gáz alá helyezést a pébégáz forgalmazó műszaki biztonsági ellenőrzésre feljogosított képviselője végzi el az alábbi feltételek betartásával:
a) A pébégáz forgalmazó a gáz alá helyezés megkezdését megtagadhatja, ha a csatlakozó vezeték, a felhasználói berendezés az életre, a testi épségre, az egészségre vagy a biztonságra veszélyes.
b) A gáz alá helyezést a 4.1. szakasznak megfelelően (a pébégáz forgalmazó technológiai utasításának megfelelően) kell végrehajtani az oxigénmentesítés és a használatra vonatkozó előírás kivételével.
c) A 4.1. szakasztól eltérően nem helyezhető gáz alá a fogyasztói vezeték, ha legalább egy gázfogyasztó készülék nincs rácsatlakoztatva.
d) Az üzembe helyezés alkalmával az üzemben tartóval ismertetni kell a teljes gázellátó rendszer, úgymint a nyomástartó berendezés, nyomástartó rendszer, a csatlakozó vezeték és a fogyasztói vezeték használatát, a karbantartásra és az időszakos felülvizsgálatra vonatkozó követelményeket. A gázfogyasztó készülékek használatát azok üzembe helyezésekor a gyártó vagy megbízottja ismerteti.
e) A pébégáz forgalmazónak meg kell győződnie arról, hogy a használó az ismereteket elsajátította, és ezt a tényt jegyzőkönyvezni kell.
A pébé csatlakozó és/vagy fogyasztói vezeték gáz alá helyezése
A csatlakozó vezeték és a felhasználói berendezés gáz alá helyezésekor a bennük lévő levegő eltávolításáról úgy kell gondoskodni, hogy a vezeték induló pontjába folyamatosan, az üzemi nyomással pébégázt táplálnak, e közben pedig a gázfogyasztó készülékeknél vagy a kiépített légtelenítő pontokon egymás után, a gáz-levegő keveréket a tűz- és robbanásveszély kizárásával, szakaszosan a szabadba engedik.
A csatlakozó vezeték tartozékainak gáz alá helyezése.
Nyomásszabályozó: Ha feltöltő vezeték kiépített, zárt nyomásszabályozó gömbcsap mellett a feltöltő vezetéken keresztül a csatlakozó vezeték szekunder oldalát az üzemi nyomás 90%-ára kell feltölteni, a szabályozót lassan rányitni, és a gyorszárat (gyorszárakat) megnyitni. Ellenőrizni kell az üzemi nyomás értékét a vezeték kismértékű megnyitásával, és a zárónyomást. Ellenőrizni kell a gyorszár (gyorszárak) működését. A megadott paraméterektől eltérést tapasztalva a szabályzót be kell állítani. Ellenőrizni kell az összes részegység és kötés szivárgásmentességét. Gázszivárgás észlelésekor a berendezés nem helyezhető üzembe.
a) Elpárologtató: A párologtató fűtőkészülékét beindítva fel kell fűteni azt a gyártó által megadott hőmérsékletre. Ezután a folyadékoldali vezeték lassú megnyitásával a párologtató testet fel kell tölteni, és a gázoldali elzáró megnyitásával a párologtató üzemkész. Ellenőrizni kell a hőfokszabályozást, ha van, a folyadék beáramlás szabályozását, és különösen a folyadékzár megoldás működőképességét. Ellenőrizni kell az összes részegység és kötés szivárgásmentességét. Gázszivárgás észlelésekor a berendezés nem helyezhető üzembe.
b) Szivattyúegység: Ellenőrizni kell a szivattyú áramlási irányát és forgásirányát, és ha nem felszívó rendszerű, folyadékkal fel kell tölteni. A visszakeringető vezetékbe szerelt nyomáshatárolót ki kell nyitni, és a szivattyút indítani kell. Ellenőrizni kell a kavitáció-mentes áramlást. Be kell állítani a nyomáshatárolóval az üzemi nyomást. Ellenőrizni kell az összes részegység és kötés szivárgásmentességét. Gázszivárgás vagy kavitáció észlelésekor a berendezés nem helyezhető üzembe.
c) Védelmi berendezések: Kiépített gázérzékelő funkciói ellenőrző gázkeverékkel ellenőrizendők. Ellenőrizni kell a riasztó berendezés és a beavatkozó elemek (például mágnes szelep) működésképességét.
Palásthűtő berendezésnél ellenőrizni kell a nyitás és a vízfüggöny teljes kialakulása közti időtartamot, ami 30 mp alatt legyen. Ellenőrizni kell a zárást követő víztelenedést.
Ellenőrizni kell a gyorszáró elemek működőképességét. Ellenőrizni kell az összes részegység és kötés szivárgásmentességét. Gázszivárgás észlelésekor a berendezés nem helyezhető üzembe.
A használatbavétel feltétele, hogy a megvalósult létesítmény műszaki ellenőrzése alkalmával rendelkezzen tartalomjegyzék szerint:
a) a tényleges állapotot tartalmazó „D”-tervvel, amelyen a megvalósult állapotot eltérő színnel javította és aláírta, (kivitelezésre alkalmasnak minősített tervtől történt eltérés esetén az eltérés jogosságának, műszaki biztonsági szempontból való megfelelőségének és a kivitelezett állapothoz az eltérés műszaki biztonságot érintő mértékétől függően a tervező, vagy a műszaki ellenőr, vagy a pébégáz forgalmazó hozzájárulásának dokumentált igazolása szükséges),
b) az egyes tartozékok (beleértve a tömítéseket is) alkalmasságát igazoló bizonylatokkal – azon tartozékok kivételével, melyek alkalmassága gyártói azonosító jellel igazolt,
c) a kötésekre vonatkozóan ezen előírás követelményeit kielégítő, megfelelőséget igazoló dokumentumokkal,
d) a szilárdságot és a gáztömörséget igazoló dokumentumokkal,
e) a korrózióvédelemre vonatkozó vizsgálati dokumentumokkal,
f) a vonatkozó rendelet szerinti beruházás esetén építési naplóval,
g) a talajtömörségre vonatkozóan az alkalmazott földmunka-technológiára hivatkozó nyilatkozattal, esetenként vizsgálati jegyzőkönyvekkel,
h) a szükséges szakhatósági- és kéményseprő-ipari közszolgáltatói nyilatkozatokkal,
i) a kivitelező büntetőjogi felelőssége tudatában adott nyilatkozatával, mely szerint a létesítmény megvalósítása során a pébégáz forgalmazó által felülvizsgált tervdokumentációban előírtakat maradéktalanul betartotta, továbbá a beépített gázfogyasztó készülék alkalmas a szolgáltatott gázzal és a CE-jel szerinti nyomáson történő üzemelésre,
j) a gázfogyasztó készülékek kezelésére és karbantartására vonatkozó gyártói előírásokkal, gépkönyvekkel,
k) átadás-átvételi jegyzőkönyvvel.
5.5.3. Gázfogyasztó készülékek üzembe helyezése
5.5.3.1. Gázfogyasztó készülék csak akkor helyezhető üzembe, ha az alábbi feltételek együttesen teljesülnek:
a) A gázfogyasztó készülék megfelel a 4.1.1. pontban előírtaknak.
b) A gázfogyasztó készülékhez a megfelelő elektromos csatlakozás kiépítésre került, a megfelelő feszültség rendelkezésre áll, és a csatlakozás érintésvédelmi megfelelősége dokumentált.
c) A gázfogyasztó készülék csatlakozási pontjában a készülék számára előírt minőségű gáz az előírt nyomáson rendelkezésre áll.
d) A gázfogyasztó készülék a Szabályzatban foglaltaknak, a gyártó előírásainak és a tűzrendészeti utasításoknak megfelelően került elhelyezésre.
e) A gázfogyasztó készülék, illetve annak hőhasznosítója megfelelően fel van töltve és rendelkezik a méret, nyomás és töltet szerinti biztonsági berendezésekkel.
f) A gázfogyasztó készülék beüzemelője rendelkezik a készülék beüzemeléséhez előírt szakképzettséggel és jogosultsággal, az adott készülékre vonatkozó gyártói üzembe helyezési technológiát ismeri.
5.5.3.2. Nem szabad üzembe helyezni a gázfogyasztó készüléket, illetve meg kell tagadni annak üzembe helyezését, amennyiben:
a) az 5.5.3.1. pont feltételei nem teljesülnek,
b) a beüzemelő élet- és/vagy vagyonbiztonságot veszélyeztető körülményt tapasztal,
c) akkor is, ha az élet- és/vagy vagyonbiztonságot veszélyeztető körülmény az üzembe helyezés folyamata során, annak megkezdése után merül fel (például tartós égéstermék visszaáramlás tapasztalható),
d) indokolt esetben az élet- és vagyonbiztonságot közvetlenül nem veszélyeztető szakszerűtlenség fennállása esetén is megtagadható a gázfogyasztó készülék üzembe helyezése.
A gázfogyasztó készülék beüzemelés bármely okból történő megtagadása esetén ennek tényét írásban rögzíteni kell, a tapasztalt hiányosságok, szabálytalanságok és a kijavításhoz szükséges intézkedések megadásával.
5.5.3.3. A gázfogyasztó készülék beüzemelőjének feladata a kezelő (fogyasztó, felhasználó vagy a kezeléssel megbízott személy) kioktatása a készülék használatát illetően. A készülék üzemképes átadását és a kioktatás megtörténtét – az üzembe helyezési munkalapon – a fogyasztó, felhasználó vagy a kezeléssel megbízott személy aláírásával minden esetben igazoltatni kell. Ennek során a gázfogyasztó készülék kezelési utasításának meglétéről meg kell győződni, szükség esetén azt pótolni kell.
5.5.4. A palackos vagy palackcsoportos pébégáz-ellátás üzembe helyezése
A gázfogyasztó készülék (készülékek) üzembe helyezését az 5.5.3. pontjában foglalt előírásoknak megfelelően kell elvégezni.
A palackos és palackcsoportos gázellátás műszaki biztonságáért a berendezés használója felelős. Erre a berendezés üzembe helyezője a használó figyelmét az üzembe helyezési jegyzőkönyvben hívja fel.
5.6. Csatlakozó- és fogyasztói vezetékek felhagyása, megszüntetése
5.6.1. Általános előírások
A csatlakozó és a fogyasztói vezetéket átalakítani, üzemen kívül helyezni és elbontani csak a földgázelosztó vagy a pébégáz forgalmazó hozzájárulásával szabad. Gáz alatt lévő csővezetékek és tartozékaik gázmentesítését, a gázmérő bármilyen okból történő leszerelését csak a földgázelosztó vagy a pébégáz forgalmazó vagy megbízottja végezheti. A munka megkezdése előtt értesíteni kell azokat a felhasználókat, fogyasztókat, akiknek a gázellátását ez a művelet érinti vagy korlátozza. A művelet elvégzésének fő szabályait az MSZ EN 12327 [Gázellátó rendszerek – Nyomáspróba, ütembe helyezés és ütemen kívül helyezés. Műszaki követelmények.] szabvány vagy azzal egyenértékű műszaki megoldás határozza meg.
5.6.2. Üzemen kívül helyezés műszaki biztonsági körülményei
Minden üzemen kívül helyezni szándékozott vezetékszakaszt le kell választani a gáz utánpótlást biztosító csőszakaszról.
Az üzemen kívül helyezést a földgázelosztó vagy a pébégáz forgalmazó technológiai utasítása alapján készült műveletterv szerint kell elvégezni.
6. Az üzemeltetés követelményei
6.1. Üzemeltetés
A felhasználó, illetve az üzemeltető (a továbbiakban együtt: üzemeltető) köteles a csatlakozó vezetéket és a felhasználói berendezést:
a) rendeltetésszerű állapotban tartani,
b) rendeltetésszerűen üzemeltetni,
c) a szükséges ellenőrzéseket és karbantartását a gyártói előírások alapján rendszeresen elvégeztetni,
d) minden vonatkozó biztonsági előírást betartatni,
e) a hatósági, illetve a földgázelosztó vagy a pébégáz forgalmazó ellenőrzése során az ellenőrzés feltételeit biztosítani,
f) műszaki biztonsági szempontból időszakonként felülvizsgáltatni.
Az üzemeltető a csatlakozó vezeték és a felhasználói berendezés biztonságos üzemét veszélyeztető körülmény észlelése esetén annak kijavítására, a kijavítás megtörténtéig a használat szüneteltetése mellett haladéktalanul intézkedni tartozik.
A felhasználói berendezés üzemeltetésének műszaki biztonsági feltételeit befolyásoló üzemeltetési körülményeinek megváltoztatása (nyílászárók cseréje vagy tömítése, elszívó szellőzés létesítése stb.) tervezői felülvizsgálatot követően történhet.
A gázmérő üzemeltetése és a vonatkozó jogszabályok [a mérésügyről szóló 1991. évi XLV. törvény; a mérésügyről szóló törvény végrehajtásáról szóló 127/1991. (X. 9.) Korm. rendelet] szerinti időszakos hitelesíttetése eltérő megállapodás hiányában a mérő tulajdonosának kötelezettsége.
A földgázelosztó vagy a pébégáz forgalmazó a már üzembe helyezett csatlakozó vezeték és felhasználói berendezés üzemét részben vagy egészben – a kizárás alapjául szolgáló állapot fennállásáig – letilthatja:
a) ha az üzemeltető a csatlakozó vezetéket és a felhasználói berendezést az életre, a testi épségre, az egészségre vagy a biztonságra veszélyes módon, nem rendeltetésszerűen használja,
b) ha a nyomásszabályozó vagy a gázmérő működését befolyásolja,
c) ha a felhasználói berendezés ellenőrzését, illetve
d) ha a gázmérő leolvasását a földgázelosztó vagy a pébégáz forgalmazó megbízottja részére nem teszi lehetővé.
6.2. Karbantartás, javítás
Az ingatlan tulajdonosa, használója, tartályos pébégáz ellátás esetében az üzemeltető, eltérő megállapodás hiányában köteles gondoskodni a csatlakozó vezeték és a felhasználói berendezés rendszeres karbantartásáról, javításáról, szükség szerinti cseréjéről. A tulajdonos köteles a létesítményre vonatkozó kezelési és karbantartási utasításokat, a karbantartások előírt gyakoriságával, a csatlakozó vezeték és a felhasználói berendezés tartozékainak gyártói előírásai és a létesítményre vonatkozó tervezői előírások szerint végrehajtani. Ezt a kötelezettségét az ingatlan bérlőjére, használójára, üzemeltetőjére átháríthatja.
Javítás során a gáz csatlakozó vezetéken vagy felhasználói berendezésen:
a) annak valamely elemét (szerelvényét, vagy alkatrészét) – funkcióját nem változtatva – meghibásodás, illetve elavultság miatt részben vagy egészben cserélik, vagy
b) a gyártó által előírt alkalmassági idő lejárta miatt azt cserélik, vagy
c) a szerelvény kötésének meghibásodását, elemi csőszakasz gáztömörtelenségét megszüntetik.
A beavatkozás végeztével a javított vagy cserélt szerelvényt funkcionális ellenőrzésnek és kötéseivel együtt, üzemi nyomáson, haszongázzal tömörségi próbának kell alávetni. A funkcionális ellenőrzés eredményét és a gáztömörséget dokumentálni kell.
A javítás nem tervköteles beavatkozás.
A karbantartást, javítást a gyártó vagy megbízottja, csatlakozó és fogyasztói vezeték és tartozékai esetében az 5.4. szakasz szerinti kivitelezői jogosultsággal rendelkező személy vagy szervezet végezheti.
A fogyasztói főelzáró karbantartása és javítása a földgázelosztó vagy a pébégáz forgalmazó kötelessége saját költségén.
A gyártómű karbantartásra vonatkozó előírásaitól eltérni a hibaelemzések eredményeire figyelemmel lehetséges.
7. Egyéb műszaki követelmények, adatok, bizonylatok
7.1. A csatlakozó vezetékek és felhasználói berendezések elhelyezése
1. Pébégáz csatlakozó vezetékek, tartozékaik és tartályaik
7.1. sz. ábra
Példa tartályra szerelt nyomásszabályozó max. 24 kg/h gázelvételre

7.2. sz. ábra
Példa párologtatós rendszerű nyomásszabályozó berendezésre.

Az ábra szerinti kialakításban a külön szűrő cseppleválasztó funkciót és másodlagos elpárologtatást is szolgál.
7.3. sz. ábra
Tartályra dolgozó elpárologtató szokásos beépítése

7.4. sz. ábra
Csatlakozó vezetékre dolgozó elpárologtató szekrényes beépítése

7.5. sz. ábra
Példa szivattyú alkalmazására

2. A szabadon szerelt cső bilincsezésének kötelezettségei
a) Acélcső esetében
A szabadon szerelt fogyasztói vezetéket csőbilinccsel kell felerősíteni. A csőbilincsek (csőtartó szerkezetek) nem éghető anyagúak és megfelelő szilárdságúak legyenek.
Feltétlenül bilincsezni kell a következő helyeken:
aa) gázmérő csatlakozás kiömlő oldalán,
ab) gázmérő utáni függőleges szakasz felső pontján,
ac) gázfogyasztó készülékhez leágazó vezeték felső és alsó pontján.
Bilincsezés megfogási távolságai:
ad) l”-ig 1,5 m,
ae) felett 2,0 m,
af) 2″-nál nagyobb átmérők esetében a cső önhordó támhosszai szerint a tervező határozza meg a megfogások, illetve alátámasztások sűrűségét és helyét.
b) Réz cső esetében
A bilincsek elhelyezésénél a 7.1. sz. táblázat szerinti rögzítési távolságokat kell betartani.
7.1. sz. táblázat

7.2. A nyomásszabályozó állomások robbanásveszélyes zónáinak meghatározása
a) A nyomásszabályozó állomás azonosítása: … helység, … utca/tér/…/ … szám
Nyomásviszony: …bar/…bar
Típus jele: …
Névleges térfogatáram: … m3/h
b) Szellőzés
A szabályozó helyiségének, szekrényének alapterülete … m2
Alsó szellőzők együttes felülete: … m2
Felső szellőzők együttes felülete: … m2
Összes szellőző felület / helyiség alapterület x 100 = … %
c) Lefúvató típusa, mérete: …, … mm
Nyitási nyomása: … mbar; bar
Legnagyobb gázkibocsátása: … kg/s
Lefúvató cső mérete: DN……mm
d) Lefúvató cső kibocsátási magassága a térszinttől: … m
7.6. sz. ábra
Nyomásszabályozó állomások robbanásveszélyes zónáinak meghatározása

R = … m
H = … m
r1 = … m
h = … m
7.3. A megvalósulási dokumentáció tartalma
1. Tartalomjegyzék
2. A földgázelosztó vagy a pébégáz forgalmazó alkalmassági nyilatkozatával ellátott tervdokumentáció
3. A megvalósult állapot tervtől való eltérés esetén tervező és szükség esetén a földgázelosztó vagy a pébégáz forgalmazó jóváhagyó nyilatkozata
4. Kéményseprő-ipari közszolgáltató nyilatkozata (ha szükséges)
5. Szerelői nyilatkozat
6. Szilárdsági nyomás-, és tömörségi próba jegyzőkönyv
7. Szolgalmi jogi, nyilatkozat (idegen ingatlan – nyomvonallal vagy a csatlakozó vagy fogyasztói vezeték védőtávolságával történő – érintése esetén a szolgalmi jog alapításáról szóló, ingatlan-nyilvántartási bejegyzésre alkalmas okirat, továbbá ennek mellékletét képező, érvényes földhivatali záradékkal ellátott változási vázrajz)
8. Elektromos szabványossági nyilatkozat (EPH és érintésvédelmi igazolás)
9. Villamos felülvizsgálati jegyzőkönyv RB szerelés, villámvédelmi rendszer és elektromos reteszfeltételek esetén (gázészlelő és beavatkozó, vészszellőző, „B” típusú gázfogyasztó készülék és elszívó ventilátor)
10. Hegesztési napló, varrattérkép (ha szükséges)
11. A beépített anyagok szerelvények berendezések műbizonylatai
12. Hegesztési varratvizsgálati jegyzőkönyvek – A beépített szellőzési, légellátási szerelvények műbizonylatai (automata légzsalu)
13. A szellőző berendezések beszabályozási jegyzőkönyve
14. A tervfelülvizsgálatban előírt dokumentumok
7.4. Kisnyomású földgáz csatlakozó és fogyasztói vezetékek méretezése
A különféle gázfogyasztó készülékek egyidejűségi tényezői
7.2. sz. táblázat

Földgáz vezetékeknél figyelembe vehető alaki ellenállás tényezők
7.3. sz. táblázat

7.5. A szerelési nyilatkozat tartalma
SZERELÉSI NYILATKOZAT
(A kivitelező tölti ki)
Csatlakozóvezeték és felhasználói berendezés létesítéséről*, átalakításáról*, felhagyásáról*
*a nem kívánt rész áthúzandó
Alulírott ……………………………………… kivitelező (adószám: ……………………… igazolvány száma: …………………….) bejelentem, hogy a területileg illetékes földgázelosztónál nyilvántartott jogosultságom alapján
a(z) … ir. szám: … település: … utca: … házszám: … / hrsz. …
alatt…… számára (megrendelésére) a következő gázszerelési munkát a … számon felülvizsgált és kivitelezésre alkalmasnak minősített terv szerint elvégeztem:
új csatlakozó vezeték és felhasználói berendezés létesítését,
meglévő felhasználói berendezés átalakítását,
felhasználói berendezés bővítését, gázfogyasztó készülék cseréjét,
egyéb.
Felelősségem tudatában kijelentem, hogy a szerelést a … számon felülvizsgált és kivitelezésre alkalmasnak minősített terv szerint, a vonatkozó jogszabályoknak és hatósági előírásoknak, továbbá a Szabályzatban foglalt műszaki előírásoknak megfelelően végeztem és csak műbizonylattal ellátott anyagokat használtam. Az alkalmazott szabványok felsorolása:
Mellékletek:
1. Felülvizsgált terv
2. Kéményseprő-ipari közszolgáltató szakvélemények
Száma: … Kiállítva: …
Száma: … Kiállítva: …
3. Statikai szakvélemény
4. Érintésvédelmi jegyzőkönyv
5. Polietilén vezeték szerelésére jogosító bizonyítvány
6. Egyéb
Gázmérő elhelyezése (a megfelelő válasz aláhúzva):
1. Falba, kerítésbe építve (védőszekrényben)
2. Épületen kívül (védőszekrényben)
3. Épületen belül, fűtött helyen
4. Épületen belül fűtetlen helyen
Nyomásszabályozó védőszekrényben van/nincs (aláhúzni) elhelyezve. Az egy nyomásszabályozóról ellátott gázfogyasztó készülékek száma: … db.

7.6. Műszaki-biztonsági szempontokat nem érintő eltérések esetei
Műszaki-biztonsági szempontot nem érintő („D” tervesíthető) eltérések a felülvizsgált dokumentumban foglaltaktól
1. Földi gázvezeték védőcső anyagának változása.
2. Földi gázvezeték nyomvonal változása, ha védőövezetet nem érint, a nyomvonal rövidebb, és/vagy az iránytörések száma kevesebb, az átmérő a felülvizsgált terv szerinti.
3. Gázvezeték mechanikai védelem kiépítése szükséges.
4. Gázmérőhöz szigetelőfal beépítése, ha a mérőtől a gázkészülék távolsága vízszintes vetületben 0.5-1.0 m között van.
5. G10 alatti gázmérő szerelési magassága 900 és 1600 [mm] között változik.
6. Gázmérő helye a helyiségen belül változik.
7. Lakossági gázfelhasználás esetében acélvezeték helyett a méretnek megfelelő rézvezeték kerül beépítésre.
8. Rézvezeték helyett a méretnek megfelelő acélvezeték kerül beépítésre.
9. Fogyasztói gázvezeték bontható, kiszellőztetett elburkolása.
10. Lakossági felhasználás esetében a gázvezeték nyomvonala helyiségen belül változik.
11. Háztartási tűzhely típusának változása, ha a beépített készülék rendelkezik magyarországi forgalomba hozatali engedéllyel, és teljesítménye nem nagyobb a felülvizsgált tervben szereplő készülékénél.
12. Parapetkonvektor típusának változása, ha a beépített készülék rendelkezik magyarországi forgalomba hozatali engedéllyel, és teljesítménye nem nagyobb a felülvizsgált tervben szereplő készülékénél.
13. A gázvezeték a tervezett nyomvonalon, nagyobb átmérővel valósult meg.
14. A vezeték épületbe lépésénél hiányzik a szakaszolási lehetőség.
15. KÖGÁZ-idom helyett a fali felállástól l[m]-re PE-acél anyagváltás van vagy fordítva.
16. Ha a tervezett hosszcsavar helyett karimapár kerül beépítésre.
17. Ha menetes gömbcsap helyett karimás kerül beépítésre.
18. Gázvezeték pára elleni szigetelése szükség esetén.
19. Háztartási tűzhely légellátását biztosító légbevezető típusa változik, és a tervező a „D” tervhez mellékeli a légbevezető jelleggörbéjét, ezzel igazolja a megfelelőséget.
20. Lakossági gázfogyasztó készülék (tűzhely, konvektor, 36 kW-ig kazán stb.) bekötése fix helyett nem éghető flexibilis vagy fordítva.
21. 36 kW-ig kazán csere, amennyiben van hozzá végleges kéményseprő szakvélemény és kéményméretezés, illetve tervező igazolja a megfelelőséget.
22. Gázmérő helyisége és alvás céljára szolgáló helyiség közé beépítendő ajtó helyett a gázmérőt és a csatlakozó vezetéket szabad térbe kiszellőztetett szekrénnyel kirekesztik a helyiség légteréből.
23. Készülékkel együtt tanúsított koncentrikus füstelvezető rendszer 60/100 méret helyett 80/125 mérettel épül meg, és végleges kéményseprő-ipari szakvélemény műszaki-biztonsági ellenőrzésre történő benyújtása nem szükséges.
24. Amennyiben az égéstermék elvezető, égési levegő bevezető rendszer típusa, anyaga, nyomvonala változik, és erről van végleges kéményseprő szakvélemény és kéményméretezés, illetve tervező igazolja a megfelelőséget.
25. A kivitelezés ütemezhetősége miatt, az eredeti tervhez képest a fogyasztói vezetékszakasz csak részben valósult meg.
7.7. Egyszerűsített készülékcsere bizonylat adattartalma
Szerelési nyilatkozat és bejelentő bizonylat az egyszerűsített gázkészülék cseréről
Bejelentem, hogy a Felhasználói hely adatai rovatban megjelölt felhasználónál nem tervköteles gázkészülék cserét végeztem a Gázkészülék adatai rovatban rögzítettek szerint.
Regisztrált kivitelező adatai
gázszerelő neve:
elosztó által adott azonosító:
gázszerelői ig. száma:
lakcíme:
irányítószám:
település:
utca:
hsz.:
telefon:
Kivitelező cég adatai
cégnév:
cégjegyzékszám:
adószám:
székhely:
irányítószám:
település:
utca:
hsz.:
telefon:
fax:
e-mail:
Felhasználói hely adatai
cég/név:
egyedi (POD) azonosító:
gázmérő gyári száma:
cím:
irányítószám:
település:
utca:
hsz.:
Gázkészülékek adatai
leszerelt gázkészülék
gyártó /gyártmány/típus:
hőterhelés: … (kW)
gázkészülék beépítés MSZ CEN/TR1749 szerinti főcsoport: A / B / C
alcsoport:
felszerelt gázkészülék
gyártó /gyártmány/típus:
hőterhelés: … (kW)
gázkészülék beépítés MSZ CEN/TR1749 szerinti főcsoport: A / B / C
alcsoport:
Légellátás biztosításának módja
……………………
A fenti módon biztosított légellátás megfelel a létesítéskori előírásoknak.
Égéstermék elvezetés
Kéménybe kötött B típusú gázkészülék csere esetében rendelkezésre áll a kémény használatával összefüggő megfelelő minősítésű kéményseprő-ipari közszolgáltató nyilatkozata, melynek száma:
Közreműködő tervező vagy szakértő
van / nincs
név:
kamarai azonosító száma:
lakcíme:
irányítószám:
település:
utca:
hsz.:
telefon:
e-mail:
[aláírás]
Alulírott gázszerelő (kivitelező) kijelentem, hogy a beépített anyagok, tömítő- és segédanyagok, készülékek, tartozékok az érvényben lévő műszaki biztonsági előírásoknak és a földgázelosztói engedélyes műszaki utasításrendszere szerint kerültek beépítésre, azok az érvényes minőségi követelményeknek megfelelnek, a minőséget igazoló dokumentumokat, bizonylatokat a felhasználónak átadtam. A készülék és a készülék előtti elzáró szerelvénytől a készülékig terjedő fogyasztói vezetékszakasz tömörségi nyomáspróbáját üzemi nyomáson elvégeztem, tömörtelenséget nem tapasztaltam.
Kelt: …, … év … hó … nap
[regisztrált kivitelező aláírása]
A munkavédelemről szóló 1993. évi XCIII. törvényben foglaltak alapján tanúsítom, hogy a felszerelt gázfogyasztó készülék munkavédelmi szempontból megfelelő.
A felszerelt gázkészülék szakszerű, gyártói előírások szerinti beüzemelése megtörtént. A készülék biztonságos kezelésének feltételeit a felhasználóval ismertettem. Használatának oktatása megtörtént, a gépkönyvet és a használati utasítást a felhasználónak átadtam.
Kelt: …, … év … hó … nap
[bélyegzőlenyomat]
[üzembehelyező aláírása]
igazolvány száma:
[felhasználó/tulajdonos/bérlő aláírása]
7.8. Szemléltető ábrák
7.8.1. Csatlakozó vezetékek és felhasználói berendezések elhelyezési lehetőségei földgáz esetén
7.8.a) sz. ábra
Kisnyomású csatlakozó és fogyasztói vezetékek értelmezése
7.8.b) sz. ábra
A kisnyomású fogyasztói főelzáró elhelyezési lehetőségei zártsorú beépítés esetében

Közép vagy nagyközép nyomású vezetékről ellátott felhasználói berendezések előkertes beépítés esetében

Középnyomású csatlakozó vezetékről ellátott felhasználói berendezések zártsorú utcafrontos, vagy úszótelkes beépítés esetén

Növelt kisnyomású elosztó vezeték csatlakozó és fogyasztói vezetéke

7.8.f) sz. ábra
Pébé csatlakozóvezeték tartozékai

A csatlakozó és a fogyasztói vezeték egyszerű pébégáz ellátó rendszernél

A csatlakozó és a fogyasztói vezeték határai elpárologtatós pébégáz ellátó rendszernél

A csatlakozó és a fogyasztói vezeték határai szivattyús és egyszerű pébégáz ellátó rendszernél

A csatlakozó és a fogyasztói vezeték határai palackcsoportos pébégáz ellátó rendszernél

Az MSZ CEN/TR 1749 [A gázkészülékeknek az égéstermék-elvezetés módja szerinti osztályozási rendszere] szabvány tartalmazza az „A”, „B” és „C” típusú gázfogyasztó készülékek osztályozását.
A „C9” típus – ld. a 7.8.k) ábrán – a CEN TR 1749:2008 szabvány szerint olyan „C” típusú készülék, amely abban hasonlít a C3 típusú készülékhez, hogy mindkét készüléktípus olyan tető feletti függőleges kivezetésű kitorkolló idomdarabbal rendelkezik, amely egyidejűleg biztosítja az égési levegő bevezetését és az égéstermékek kivezetését a szabadba, olyan nyílásokon keresztül, amelyek vagy koncentrikus elrendezésűek, vagy egymáshoz elegendően közel állóak ahhoz, hogy azonos szélviszonyok hatása alatt álljanak. Az egyedüli eltérés, hogy a „C9” típusú készülék levegő vezetéke, vagy annak egy része egy meglévő épületszerkezeti járat, például egy átalakított kémény.
7.8.k) sz. ábra
C9 típusú készülékek a CEN TR 1749:2008 szabvány szerint
(C91: Természetes huzattal működő készülék; C92: Ventilátor a tűztér/hőcserélő után; C93: Ventilátor a hőcserélő előtt)


7.9. Jegyzőkönyv a gázfelhasználó technológia műszaki biztonsági felülvizsgálatáról
Alapadatok
Felülvizsgálatot megrendelő / felhasználó neve:
Felülvizsgálatot megrendelő / felhasználó elérhetőségei:
Felhasználó neve:
Fogyasztási hely
létesült:
címe:
A vizsgálat időpontja:
A vizsgálatot végzők neve:
Műszaki adatok
A hőhasznosító
megnevezése:
típusa:
gyártója:
teljesítménye [kW]:
gyári száma:
üzembe helyezés időpontja:
alkalmazott tüzelőanyag fajtája:
összes fűtőfelülete [m2 ]:
tűztér térfogata [m3]:
üzemi nyomás [bar]:
tűztéri hőmérséklet [°C]:
Az égő
megnevezése:
típusa:
gyártója:
teljesítménye [kW]:
gyári száma:
gyártási éve:
üzembe helyezés időpontja:
alkalmazott tüzelőanyag fajtája:
szabályozás módja:
gyújtás módja:
gyújtóégő teljesítménye [kW]:
főégők darabszáma:
ventilátor típusa:
szállított levegő mennyisége [m3/óra]:
szállított levegő nyomása [mbar]:
Az automatika
típusa:
gyártója:
gyári száma:
gyártási éve:
A lángérzékelő
megnevezése:
típusa:
A lángőr automatika
típusa:
jellemzői:
Hideg- és melegüzemi vizsgálat
Tüzelőanyag-vezeték, égő- és szerelvényeinek
külső tömörsége:
belső tömörsége:
Reteszelt leállás:
Égési levegőnyomás
min. [bar]:
kapcsolási érték [bar]:
érzékelő típusa:
Gőznyomás
max. [bar]:
kapcsolási érték [bar]:
érzékelő típusa:
Víz (gőz) hőmérséklet:
max. [°C]:
kapcsolási érték [°C]:
érzékelő típusa:
Vészvízszint [működik; nem működik]
Füstgázcsappantyú retesz: [működik; nem működik]
Egyéb technológiai reteszek: [működik; nem működik]
Tűztér-szellőztetési idő [s]:
Gyújtási idő [s]:
Biztonsági idő gyújtáskor [s]:
Biztonsági idő üzem közben [s]:
Szabályozott leállást vezérlő nyomásérzékelők
típusa:
kapcsolási értéke [bar]:
Szabályozott leállást vezérlő hőmérsékletérzékelők
típusa:
kapcsolási értéke [°C]:
Folyamatos szabályozást vezérlő
típusa:
kapcsolási értéke [bar, °C]:
Környezeti hőmérséklet [°C]
alsó határ teljesítményen – A (kis lángon):
felső határ teljesítményen – F (nagy lángon):
közbenső fogyasztás mellett [(A+F)/2]:
Égéstermék széndioxid tartalma [tf%]
alsó határ teljesítményen – A (kis lángon):
felső határ teljesítményen – F (nagy lángon):
közbenső fogyasztás mellett [(A+F)/2]:
Égéstermék szénmonoxid tartalma [tf%]
alsó határ teljesítményen – A (kis lángon):
felső határ teljesítményen – F (nagy lángon):
közbenső fogyasztás mellett [(A+F)/2]:
Tűztérnyomás [mbar]
alsó határ teljesítményen – A (kis lángon):
felső határ teljesítményen – F (nagy lángon):
közbenső fogyasztás mellett [(A+F)/2]:
Égéstermék-veszteség [%]
alsó határ teljesítményen – A (kis lángon):
felső határ teljesítményen – F (nagy lángon):
közbenső fogyasztás mellett [(A+F)/2]:
Égéstermékoldali tömörség
alsó határ teljesítményen – A (kis lángon):
felső határ teljesítményen – F (nagy lángon):
közbenső fogyasztás mellett [(A+F)/2]:
Minősítés a műszaki biztonsági felülvizsgálat megállapításai alapján
A gáz felhasználó technológia további üzemeltetésre: [alkalmas, nem alkalmas]
Időszakos felülvizsgálatot végezte [név (olvashatóan); aláírás; igazolvány száma]
A felhasználó képviselőjének nyilatkozata
1. Az időszakos műszaki biztonsági felülvizsgálat fenti megállapításait tudomásul vettem.
2. „Feltétellel megfelel” megállapítás esetében felsorolt hiányosságok megszüntetését haladéktalanul kezdeményezem, annak elmulasztásából adódó következményeket vállalom.
3. „További üzemelésre való alkalmatlanság” megállapítás esetében a gázfelhasználó technológia felülvizsgáló jelenlétében történő üzemen kívül helyezése megtörtént. A szabálytalan helyzet megszüntetésére intézkedem, egyben tudomásul veszem, hogy az üzemen kívül helyezett gázfogyasztó technológia ismételt üzembe helyezése – a hiányosságok szakember által történő megszüntetését követően – kizárólag a területileg illetékes mérésügyi és műszaki biztonsági hatóság jóváhagyásával történhet.
Kelt [év, hónap, nap]
Felhasználó képviselője [név (olvashatóan); aláírás]




















































































